GM Service Manual Online
For 1990-2009 cars only

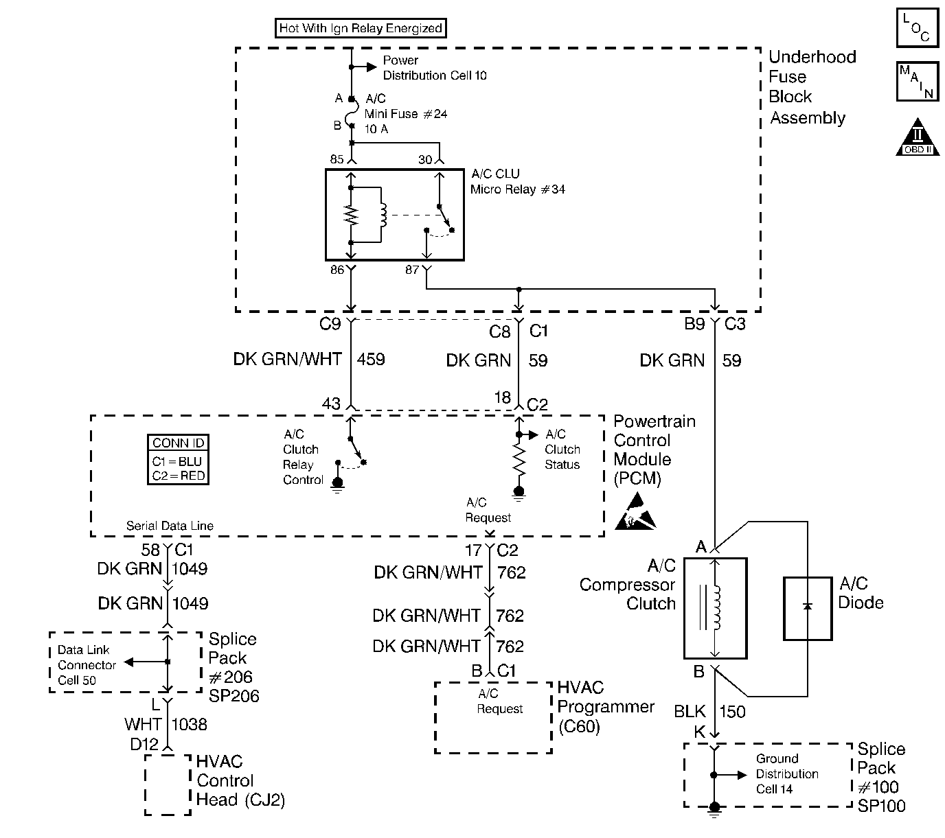
Object Number: 383799  Size: LF
Engine Controls Component Views
Cell 20: A/C Compressor Controls
OBD II Symbol Description Notice
Handling ESD Sensitive Parts Notice

Circuit Description

The PCM activates the A/C clutch relay when the PCM detects an A/C request signal. When the PCM activates the relay, voltage should be present at both the A/C compressor clutch and the A/C clutch status circuit at the PCM. The PCM monitors the A/C status circuit for voltage after the clutch is enabled. If the PCM does not detect a voltage this DTC sets.

Conditions for Running the DTC

The A/C is requested.

Conditions for Setting the DTC

The PCM commands the A/C ON and the PCM detects no voltage on the A/C clutch status line for more than 5 seconds.

Action Taken When the DTC Sets

    • The PCM stores the DTC information into memory when the diagnostic runs and fails.
    • The malfunction indicator lamp (MIL) will not illuminate.
    • The PCM disables the A/C.
    • The PCM records the operating conditions at the time the diagnostic fails. The PCM stores this information in the Failure Records.

Conditions for Clearing the MIL/DTC

    • A last test failed, or the current DTC, clears when the diagnostic runs and does not fail.
    • A history DTC clears after 40 consecutive warm-up cycles, if failures are not reported by this or any other emission related diagnostic.
    • Use a scan tool in order to clear the MIL/DTC.

Diagnostic Aids

Important: 

   • Remove any debris from the PCM\TAC module connector surfaces before servicing the PCM\TAC module. Inspect the PCM\TAC module connector gaskets when diagnosing/replacing the modules. Ensure that the gaskets are installed correctly. The gaskets prevent contaminate intrusion into the PCM\TAC modules.
   • For any test that requires probing the PCM or a component harness connector, use the Connector Test Adapter Kit J 35616 . Using this kit prevents damage to the harness/component terminals. Refer to Using Connector Test Adapters in Wiring Systems.

For an intermittent condition, refer to Symptoms .

A/C Clutch Relay Underhood Electrical Center Terminal Identification

Front of Vehicle

Left Side of Vehicle

Ignition

Load

Right Side of Vehicle

Ignition

Control

Test Description

The numbers below refer to the step numbers on the diagnostic table.

  1. This step tests the operation of the A/C compressor clutch. The PCM disables the A/C compressor clutch when this DTC is set.

  2. Using the Freeze Frame and/or Failure Records data may aid in locating an intermittent condition. If you cannot duplicate the DTC, the information included in the Freeze Frame and/or Failure Records data can help determine how many miles since the DTC set. The Fail Counter and Pass Counter can also help determine how many ignition cycles the diagnostic reported a pass and/or a fail. Operate vehicle within the same freeze frame conditions (RPM, load, vehicle speed, temperature, etc.) that you observed. This will isolate when the DTC failed.

  3. This step verifies whether the ignition voltage is available at the relay.

  4. This step determines if the A/C relay is at fault or the A/C status circuit is at fault. If the A/C clutch engages, this indicates that the A/C Status circuit is OK.

  5. If the A/C Status is displayed as OFF, this indicates the A/C status circuit is open between the splice and the PCM. If the A/C Status is displayed as ON, this indicates a faulty connection at the A/C compressor relay or a faulty relay.

Step

Action

Values

Yes

No

1

Did you perform the Powertrain On-Board Diagnostic (OBD) System Check?

--

Go to Step 2

Go to Powertrain On Board Diagnostic (OBD) System Check

2

Important: Diagnose DTC P0645 first if it is set.

  1. Install a scan tool.
  2. Start the engine and idle with the A/C ON for the specified length of time.

Does the A/C clutch operate properly?

5 minutes

Go to Step 3

Go to Step 4

3

  1. Turn ON the ignition leaving the engine OFF.
  2. Review Freeze Frame and/or Failure Records data for this DTC and note parameters.
  3. Turn OFF the ignition for 15 seconds.
  4. Start the engine.
  5. Operate the vehicle within the conditions required for this diagnostic to run, and as close to the conditions recorded in Freeze Frame/Failure Records as possible. Special operating conditions that you need to meet before the PCM will run this diagnostic, where applicable, are listed in Conditions for Setting the DTC.
  6. Select the Diagnostic Trouble Code (DTC) option and the Specific DTC option, then enter the DTC number using the scan tool.

Does the scan tool indicate that this diagnostic failed this ignition?

--

Go to Step 4

Go to Diagnostic Aids

4

  1. Turn OFF the ignition.
  2. Disconnect the A/C clutch relay.
  3. Turn ON the ignition leaving the engine OFF.
  4. Probe the ignition feed circuit at the A/C clutch relay terminal (switch side of relay) with the test lamp J 35616-200 to a ground. Refer to Diagnostic Aids for terminal identification.

Does the test lamp illuminate?

--

Go to Step 5

Go to Step 9

5

Jumper the ignition feed circuit to the A/C clutch status circuit (load) at the underhood electrical center using a fused jumper wire. Refer to Diagnostic Aids for terminal identification.

Does the A/C clutch engage?

--

Go to Step 6

Go to Step 10

6

Monitor the A/C Status display on the Engine 1 Data List using the scan tool with the fused jumper still installed.

Does the scan tool indicate the A/C Status as ON?

--

Go to Step 7

Go to Step 8

7

Repair the faulty A/C clutch relay connection or replace the faulty A/C clutch relay.

Is the action complete?

--

Go to Step 13

--

8

Repair the open A/C clutch status circuit from the splice to the PCM. Refer to Wiring Repairs in Wiring Systems.

Did you find and repair the condition?

--

Go to Step 13

Go to Step 11

9

Repair the open ignition feed circuit to A/C clutch relay. Refer to Wiring Repairs in Wiring Systems.

Is the action complete?

--

Go to Step 13

--

10

Repair the open in A/C status circuit from A/C clutch relay to splice. Refer to Wiring Repairs in Wiring Systems.

Is the action complete?

--

Go to Step 13

--

11

  1. Inspect for a poor connection at the PCM. Refer to Testing for Intermittent Conditions and Poor Connections in Wiring Systems.
  2. If you find a poor connection, repair the terminal as necessary. Refer to Repairing Connector Terminals in Wiring Systems.

Did you find and correct the condition?

--

Go to Step 13

Go to Step 12

12

Important: Program the replacement PCM.

Replace the PCM. Refer to Powertrain Control Module Replacement .

Is the action complete?

--

Go to Step 13

--

13

  1. Select the Diagnostic Trouble Code (DTC) option and the Clear DTC Information option using the scan tool.
  2. Start the engine and idle at the normal operating temperature.
  3. Select the Diagnostic Trouble Code (DTC) option and the Specific DTC option, then enter the DTC number using the scan tool.
  4. Operate the vehicle within the Conditions for Running the DTC as specified in the supporting text, if applicable.

Does the scan tool indicate that this failed?

--

Go to Step 2

Go to Step 14

14

Select the Capture Info option and the Review Info option using the scan tool.

Are any DTCs displayed that have not been diagnosed?

--

Go to the applicable DTC table

System OK