GM Service Manual Online
For 1990-2009 cars only
Makes
🢒
Chevrolet
🢒
2000
🢒
Corvette
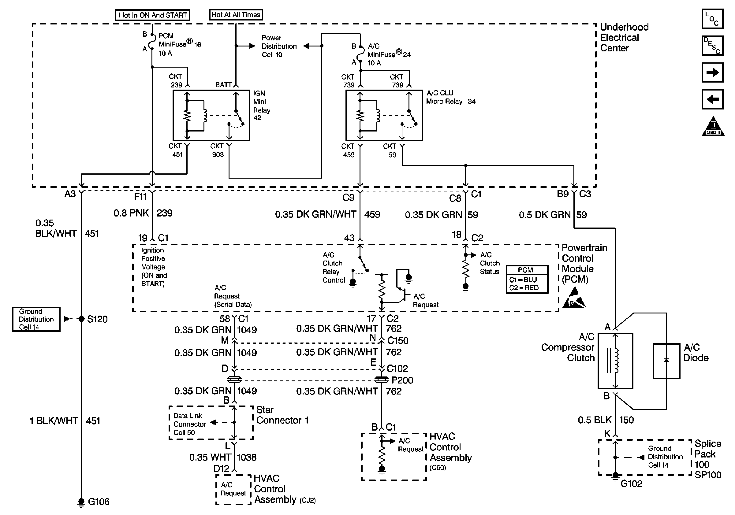
🢒 Cell 20: A/C Compressor Controls
Cell 20: A/C Compressor Controls
Cell 20: A/C Compressor Controls
Engine Controls Components
Powertrain Control Module Controlled Air Conditioning Description
Cell 20: Engine Cooling Fans
Cell 20: Miscellaneous
OBD II Symbol Description Notice
Cell 14: SP101, SP100, G101, G102
Handling ESD Sensitive Parts Notice
Powertrain Control Module Connector End Views
Class 2 Serial Data Cell 50
Cell 14: SP122, G106, G105
Cell 10: U/H Fuses 16, 19, Relay 42