GM Service Manual Online
For 1990-2009 cars only

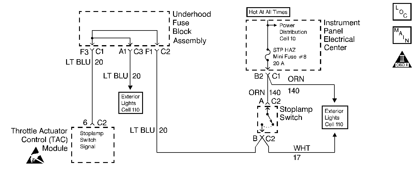
Object Number: 383796  Size: SF
Engine Controls Component Views
Cell 20: Stop Lamp Switch
OBD II Symbol Description Notice
Handling ESD Sensitive Parts Notice

Circuit Description

The Brake Lamp Switch is a normally open switch. When the Brake Lamp Switch is closed, the TAC module senses ignition voltage on the Brake Lamp Switch signal circuit.

If the TAC module senses a voltage on the Brake Lamp Switch signal circuit when the Brake Lamp Switch should be open, this DTC sets.

Conditions for Running the DTC

    • The engine speed is greater than 700 RPM.
    • The wheel speed must be greater than 30 MPH in order to enable the diagnostic. The diagnostic will disable when the wheel speed is below 10 MPH.
    • The vehicle speed is decreasing at a rate greater than 10.4 MPH over a one second period.

Conditions for Setting the DTC

    • The TAC does not detect voltage on the Brake Lamp Switch circuit when the Brake Lamp Switch should be closed.
    • The above conditions present for 1.5 seconds.

Action Taken When the DTC Sets

    • The powertrain control module (PCM) stores the DTC information into memory when the diagnostic runs and fails.
    • The malfunction indicator lamp (MIL) will not illuminate.
    • The PCM records the operating conditions at the time the diagnostic fails. The PCM stores this information in the Failure Records.

Conditions for Clearing the MIL/DTC

    • A last test failed, or the current DTC, clears when the diagnostic runs and does not fail.
    • A history DTC clears after 40 consecutive warm-up cycles, if failures are not reported by this or any other emission related diagnostic.
    • Use a scan tool in order to clear the MIL/DTC.

Diagnostic Aids

Important: 

   • Remove any debris from the PCM\TAC module connector surfaces before servicing the PCM\TAC module. Inspect the PCM\TAC module connector gaskets when diagnosing/replacing the modules. Ensure that the gaskets are installed correctly. The gaskets prevent contaminate intrusion into the PCM\TAC modules.
   • For any test that requires probing the PCM or a component harness connector, use the Connector Test Adapter Kit J 35616 . Using this kit prevents damage to the harness/component terminals. Refer to Using Connector Test Adapters in Wiring Systems.

  1. Test drive the vehicle if you cannot find a problem with the switch or the circuit. An intermittent condition may be duplicated on a test drive.
  2. For Brake Lamp Switch adjustment, refer to Stop Lamp Switch Adjustment in Hydraulic Brakes.
  3. For an intermittent condition, refer to Symptoms .

Test Description

The numbers below refer to the step numbers on the diagnostic table.

  1. This step determines if the fault is present.

  2. This step verifies that the B+ feed is present at the Stop Lamp switch.

  3. Test for a short to ground between the fuse and the Stop Lamp switch and between the Stop Lamp switch and the TAC module.

Step

Action

Values

Yes

No

1

Did you perform the Powertrain On-Board Diagnostic (OBD) System Check?

--

Go to Step 2

Go to Powertrain On Board Diagnostic (OBD) System Check

2

  1. Install a scan tool.
  2. Monitor the Stop Lamp switch using the scan tool.

Does the display indicate Released?

--

Go to Step 3

Go to Step 7

3

Depress the brake pedal approximately half-way.

Does the display indicate Applied?

--

Go to Diagnostic Aids

Go to Step 4

4

Inspect the condition of the Stop Lamp fuse.

Is the fuse open?

--

Go to Step 11

Go to Step 5

5

  1. Remove the closeout panel. Refer to Instrument Panel Insulator Panel Replacement in Instrument Panel, Gauges, and Console.
  2. Disconnect the Stop Lamp switch electrical connector.
  3. Probe the Stop Lamp battery feed circuit at the Stop Lamp harness connector with the test lamp J 35616-200 connected to ground. Refer to Probing Electrical Connectors in Wiring Systems.

Is the test lamp illuminated?

--

Go to Step 6

Go to Step 12

6

  1. Monitor the Stop Lamp switch parameter on the scan tool.
  2. Jumper the Stop Lamp circuits together at the Stop Lamp harness connector using a fused jumper wire.

Does the scan tool display Applied?

--

Go to Step 8

Go to Step 10

7

  1. Remove the closeout panel. Refer to Instrument Panel Insulator Panel Replacement in Instrument Panel, Gauges, and Console.
  2. Disconnect the Stop Lamp switch.
  3. Monitor the Stop Lamp switch using the scan tool.

Does the display indicate Released?

--

Go to Step 8

Go to Step 9

8

Inspect the adjustment of the Stop Lamp switch. Refer to Diagnostic Aids.

Was an adjustment necessary?

--

Go to Step 15

Go to Step 13

9

  1. Disconnect the TAC module connector containing the Stop Lamp circuit. Refer to Electronic Throttle Actuator Control Module Replacement .
  2. Test for a short to B+ on the Stop Lamp circuit between the Stop Lamp switch and the TAC module. Refer to Measuring Voltage in Wiring Systems.

Did you find and correct the condition?

--

Go to Step 15

Go to Step 14

10

  1. Disconnect the TAC module connector containing the Stop Lamp circuit. Refer to Electronic Throttle Actuator Control Module Replacement .
  2. Test for an open circuit between the Stop Lamp switch and the TAC module. Refer to Testing for Continuity in Wiring Systems.
  3. If you find an open circuit repair the condition as necessary. Refer to Wiring Repairs in Wiring Systems.

Did you find and correct the condition?

--

Go to Step 15

Go to Step 14

11

Repair the short to ground in the Stop Lamp circuit. Refer to Wiring Repairs in Wiring Systems.

Is the action complete?

--

Go to Step 15

--

12

Repair the open between the Stop Lamp fuse and the Stop Lamp switch. Refer to Wiring Repairs in Wiring Systems.

Is the action complete?

--

Go to Step 15

--

13

Replace the Stop Lamp switch. Refer to Stop Lamp Switch Replacement in Hydraulic Brakes.

Is the action complete?

--

Go to Step 15

--

14

Replace the TAC module. Refer to Electronic Throttle Actuator Control Module Replacement .

Is the action complete?

--

Go to Step 15

--

15

  1. Select the Diagnostic Trouble Codes (DTC) option and the Clear DTC Information option using the scan tool.
  2. Start the engine and idle at the normal operating temperature.
  3. Select the Specific DTC option under the Diagnostic Trouble Code (DTC) option using a scan tool.
  4. Operate vehicle within the Conditions for Running this DTC as specified in the supporting text (if applicable).

Does the scan tool indicate that this test ran and passed?

--

Go to Step 2

Go to Step 16

16

Select the Capture Info option and the Review Info option using the scan tool.

Are any DTCs displayed that you have not diagnosed?

--

Go to applicable DTC table

System OK