GM Service Manual Online
For 1990-2009 cars only
Makes
🢒
Chevrolet
🢒
2000
🢒
Corvette
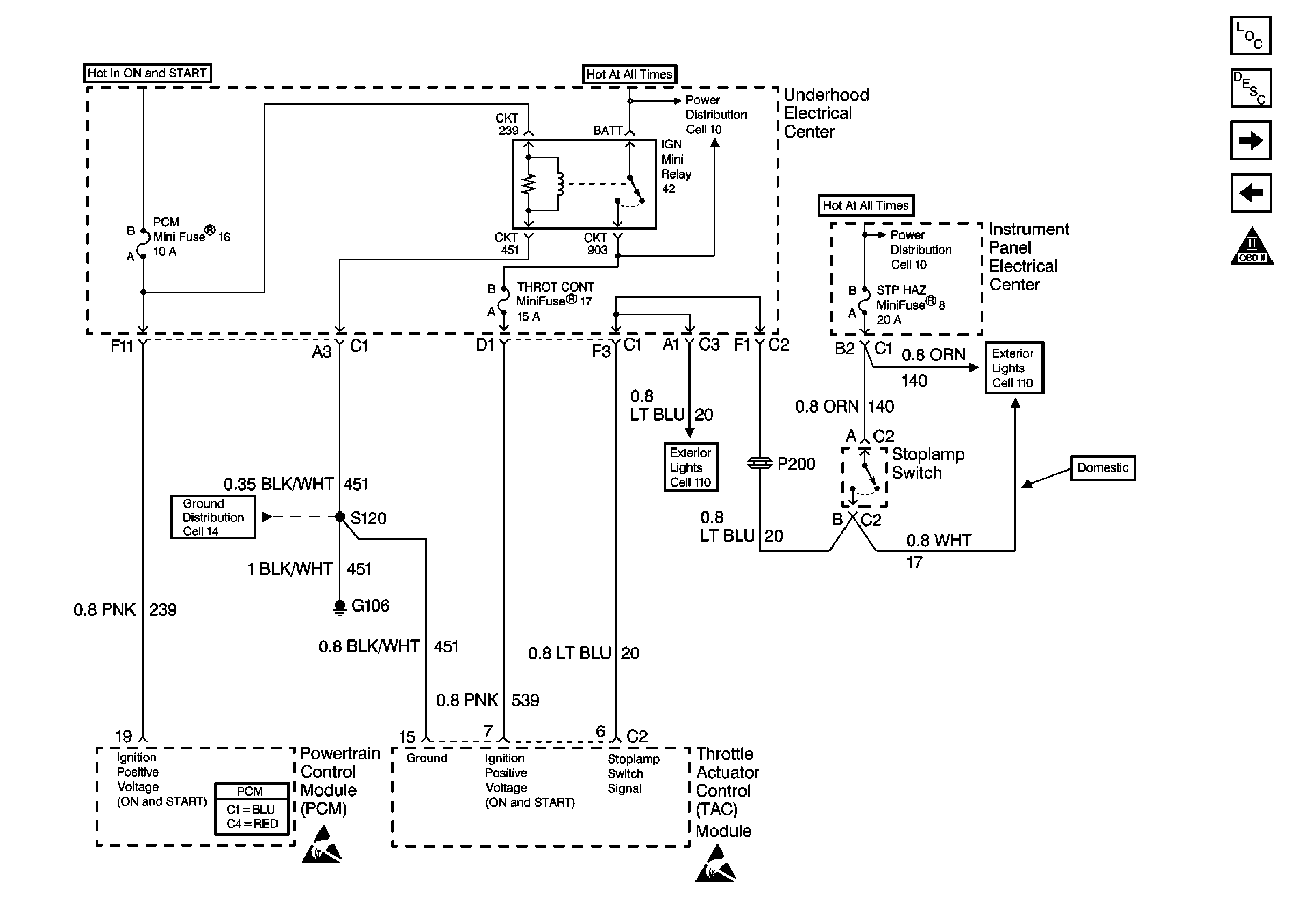
🢒 Cell 20: Stop Lamp Switch
Cell 20: Stop Lamp Switch
Cell 20: Stop Lamp Switch
Engine Controls Components
Throttle Actuator Control (TAC) System Description
Cell 20: TP and APP Sensors
Cell 20: Cruise Control Switch
OBD II Symbol Description Notice
Cell 10: I/P Fuses 28, 8, 1, 7, Relay 45
Cell 10: U/H Fuses 16, 19, Relay 42
Cell 14: SP122, G106, G105
Powertrain Control Module Connector End Views
Handling ESD Sensitive Parts Notice
Handling ESD Sensitive Parts Notice
Cell 110: Hazard Warning and Turn Signal Switches
Cell 110: Stoplamp Switch