GM Service Manual Online
For 1990-2009 cars only

Refer to

Cell 20: TP and APP Sensors


Object Number: 430062  Size: FS
Engine Controls Components
Throttle Actuator Control (TAC) System Description
Cell 20: Engine Data Sensors
Cell 20: Stop Lamp Switch
OBD II Symbol Description Notice
Handling ESD Sensitive Parts Notice
Handling ESD Sensitive Parts Notice
for complete circuit details.

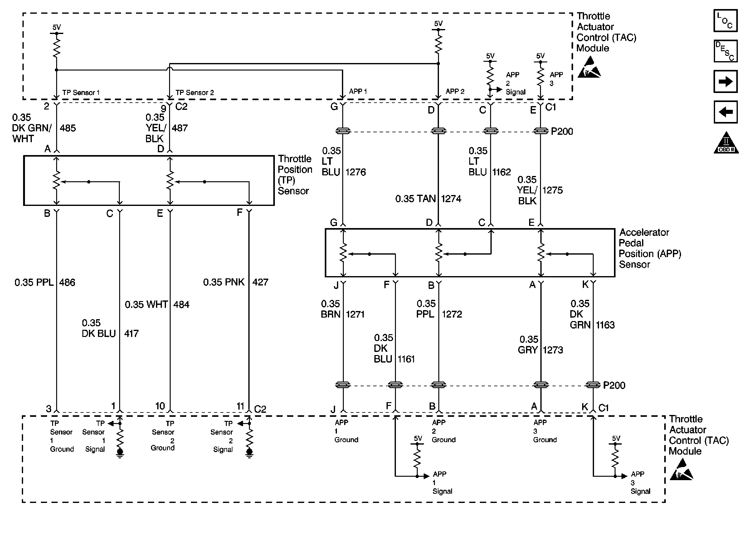
Circuit Description

The accelerator pedal position (APP) sensor is mounted on the accelerator pedal assembly. The sensor is actually 3 individual APP sensors within one housing. Three separate signal, ground and 5 volt reference circuits connect the APP sensor assembly and the throttle actuator control (TAC) module. Each sensor has a unique functionality. The APP sensor 1 signal increases as the accelerator pedal is depressed, from below 1.0 volt at 0 percent pedal travel (pedal at rest) to above 2.0 volts at 100  percent pedal travel (pedal fully depressed). The APP sensor 2 signal decreases from above 4.0 volts at 0 percent pedal travel to below 2.9 volts at 100 percent pedal travel. The APP sensor 3 signal decreases from around 3.8 volts at 0 percent pedal travel to below 3.1 volts at 100 percent pedal travel. Observe that the signal circuits for APP Sensor 2 and APP Sensor 3 pull up to 5 volts and the APP Sensor 1 signal circuit is referenced to ground within the TAC Module.

Conditions for Running the DTC

    • DTCs P0606, P1517, P1518 are not set.
    • The ignition switch is in the crank or run position.
    • The ignition voltage is greater than 5.23 volts.

Conditions for Setting the DTC

    • APP sensor 3 disagrees with APP sensor 1 by more than 13 percent and APP sensor 3 disagrees with APP sensor 2 by more than 13 percent.
    • All of the above conditions met for less than 1 second.

Action Taken When the DTC Sets

    • The PCM stores the DTC information into memory when the diagnostic runs and fails.
    • The malfunction indicator lamp (MIL) will not illuminate.
    • The PCM records the operating conditions at the time the diagnostic fails. The PCM stores this information in the Freeze Frame and/or Failure Records.
    • If no other TAC System DTCs are set, the TAC System operates normally. If certain TAC System DTCs are set at the same time, the TAC system commands the engine to operate in a reduced engine power mode. The TAC system may command the engine to shut down.

Conditions for Clearing the DTC

    • A last test failed, or current DTC, clears when the diagnostic runs and does not fail.
    • A history DTC will clear after 40 consecutive warm-up cycles, if no failures are reported by this or any other non-emission related diagnostic.
    • Use a scan tool in order to clear the DTC.

Diagnostic Aids

Important: 

   • Remove any debris from the PCM\TAC module connector surfaces before servicing the PCM\TAC module. Inspect the PCM\TAC module connector gaskets when diagnosing/replacing the modules. Ensure that the gaskets are installed correctly. The gaskets prevent contaminate intrusion into the PCM\TAC modules.
   • For any test that requires probing the PCM or a component harness connector, use the Connector Test Adapter Kit J 35616 . Using this kit prevents damage to the harness/component terminals. Refer to Using Connector Test Adapters in Wiring Systems.

    • Inspect the TAC module connectors for signs of water intrusion. When this occurs, multiple DTCs should set and you cannot locate any circuit or component problems.
    • The APP sensor 1 and the TP sensor 1 5.0 volt reference circuits are internally connected within the TAC module.
    • The APP sensor 2 and the TP sensor 2 5.0 volt reference circuits are internally connected within the TAC module.
    • When the TAC module detects a problem within the TAC System, more than one TAC System related DTC may set. This is due to the many redundant tests run continuously on this system. Locating and repairing one individual problem may correct more than one DTC. Keep this in mind when reviewing captured DTC info.
    • For an intermittent condition, refer to Symptoms .

Test description

The numbers below refer to the steps numbers in the diagnostic table.

  1. This step determines if a communication condition exists.

  2. This step isolates an internal APP sensor failure. The condition may only occur at a certain accelerator pedal position. Monitoring the APP angles for sensor 1 and sensor 2 is an accurate way of verifying the actual position of the pedal. The APP angles for all 3 sensors should be within a few percent of each other. When the pedal is at rest the APP angle for all 3 sensors should be 0 percent, when the pedal is fully depressed all APP angles should be 100 percent.

  3. The APP sensor 3 has a dedicated 5 volt reference circuit. Monitoring the APP sensor 1 voltage aids in diagnosing the APP sensor 3 5 volt reference circuit. If the scan tool displays 5 volts then the circuits are OK.

  4. This step determines whether the TAC module or a shorted circuit is causing the condition.

  5. Excessive resistance in the circuit causes this DTC to set.

  6. Excessive resistance in the circuit causes this DTC to set.

  7. Excessive resistance in the circuit causes this DTC to set.

DTC P1286 APP Sensor 3 Performance

Step

Action

Values

Yes

No

1

Did you perform the Powertrain On-Board Diagnostic (OBD) System Check?

--

Go to Step 2

Go to Powertrain On Board Diagnostic (OBD) System Check

2

Is DTC P1518 also set?

--

Go to DTC P1518 Throttle Actuator Control (TAC) Module Serial Data Circuit

Go to Step 3

3

Important: Do not depress the accelerator pedal.

  1. Start the engine.
  2. Monitor the Diagnostic Trouble Code (DTC) information using the scan tool.

Did any other TAC Module or APP sensor DTCs set except P1125?

--

Go to the applicable DTC table

Go to Step 4

4

Monitor the APP sensor disagree parameter using the scan tool.

Does the scan tool display YES for any of the disagree parameters?

--

Go to Step 6

Go to Step 5

5

  1. Turn ignition ON, leaving the engine off.
  2. Monitor the APP sensor angles for all 3 APP sensors using the scan tool.
  3. Slowly depress the accelerator pedal, stopping at 25, 50, 75, and 100 percent.
  4. Slowly release the accelerator pedal, stopping at 75, 50, 25, and 0 percent.

Does the APP sensor 3 angle correspond to the APP sensors 1 and 2 angles?

--

Go to Diagnostic Aids

Go to Step 6

6

  1. Turn OFF the ignition.
  2. Disconnect the APP sensor electrical connector.
  3. Jumper the APP sensor 3 5 volt reference circuit to the APP sensor 1 signal circuit. Refer to Probing Electrical Connectors in Wiring Systems.
  4. Turn ON the ignition leaving the engine OFF.
  5. Monitor the APP 1 sensor voltage using a scan tool.

Does the scan tool display the specified value?

5V

Go to Step 7

Go to Step 11

7

  1. Jumper the APP sensor 3 signal circuit to a known good ground.
  2. Monitor the APP 3 sensor voltage using a scan tool.

Does the scan tool display near the specified value?

0V

Go to Step 8

Go to Step 13

8

  1. Jumper the APP sensor 3 signal circuit to the APP sensor 3 ground circuit.
  2. Monitor the APP sensor 3 voltage using the scan tool.

Does the scan tool display the specified value?

0V

Go to Step 14

Go to Step 9

9

  1. Leave the ignition ON.
  2. Test for continuity from the APP sensor 3 signal circuit to all other circuits at the APP sensor electrical connector. Refer to Testing for Continuity in Wiring Systems.

Does the DMM display continuity within the specified range?

0-5ohms

Go to Step 10

Go to Step 12

10

  1. Turn OFF the ignition.
  2. Disconnect both of the TAC module harness connectors. Refer to Electronic Throttle Actuator Control Module Replacement .
  3. Test for continuity from the APP sensor 3 signal circuit to all other circuits at both of the TAC module harness connectors. Refer to Testing for Continuity in Wiring Systems.

Does the DMM indicate continuity to any other circuit?

--

Go to Step 17

Go to Step 15

11

  1. Turn OFF the ignition.
  2. Disconnect the TAC module harness connector containing the APP circuits. Refer to Electronic Throttle Actuator Control Module Replacement .
  3. Test the continuity of the APP sensor 3 5 volt reference circuit. Refer to Testing for Continuity in Wiring Systems.

Does the DMM display continuity within the specified range?

0-5ohms

Go to Step 15

Go to Step 16

12

  1. Turn OFF the ignition.
  2. Disconnect the TAC module harness connector containing the APP circuits. Refer to Electronic Throttle Actuator Control Module Replacement .
  3. Test the continuity of the APP sensor 3 ground circuit. Refer to Testing for Continuity in Wiring Systems.

Does the DMM display continuity within the specified range?

0-5ohms

Go to Step 15

Go to Step 16

13

  1. Turn OFF the ignition.
  2. Disconnect the TAC module harness connector containing the APP circuits. Refer to Electronic Throttle Actuator Control Module Replacement .
  3. Test the continuity of the APP sensor 3 signal circuit. Refer to Testing for Continuity in Wiring Systems.

Does the DMM display continuity within the specified range?

0-5ohms

Go to Step 15

Go to Step 16

14

  1. Inspect for poor connections at the APP sensor electrical connector. Refer to Testing for Intermittent Conditions and Poor Connections in Wiring Systems.
  2. If you find a poor connection repair the condition as necessary. Refer to Repairing Connector Terminals in Wiring Systems.

Did you find and correct the condition?

--

Go to Step 20

Go to Step 18

15

  1. Inspect for poor connections at the TAC module harness connectors. Refer to Testing for Intermittent Conditions and Poor Connections in Wiring Systems.
  2. If you find a poor connection repair the condition as necessary. Refer to Repairing Connector Terminals in Wiring Systems.

Did you find and correct the condition?

--

Go to Step 20

Go to Step 19

16

Repair the open or excessive resistance in the affected circuit. Refer to Wiring Repairs in Wiring Systems.

Is the action complete?

--

Go to Step 20

--

17

Repair the shorted circuits that displayed continuity. Refer to Wiring Repairs in Wiring Systems.

Is the action complete?

--

Go to Step 20

--

18

Replace the accelerator pedal assembly. Refer to Accelerator Pedal Position Sensor Replacement .

Is the action complete?

--

Go to Step 20

--

19

Replace the TAC module. Refer to Electronic Throttle Actuator Control Module Replacement .

Is the action complete?

--

Go to Step 20

--

20

  1. Select the Diagnostic Trouble Code (DTC) option and the clear DTC Information using the scan tool.
  2. Start the engine and idle at the normal operating temperature.
  3. Select the Diagnostic Trouble Code (DTC) option and the specific DTC option, then enter the DTC number using the scan tool.
  4. Operate the vehicle within the Conditions for Running the DTC as specified in the supporting text, if applicable.

Does the scan tool indicate that this diagnostic ran and passed?

--

Go to Step 21

Go to Step 2

21

Select the Capture Info option and the review Info option using the scan tool.

Does the scan tool display any DTCs that you have not diagnosed?

--

Go to the applicable DTC table

System OK