GM Service Manual Online
For 1990-2009 cars only
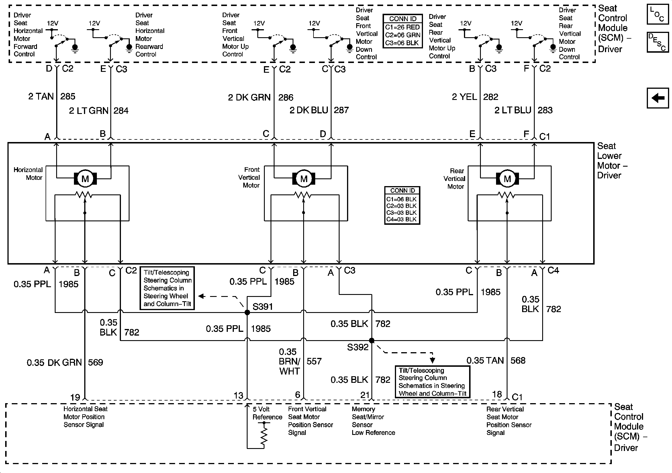
Figure 1:

Power, Ground, DLC and Left Seat Adjuster Switch


Object Number: 690918  Size: FS
Master Electrical Component List
Memory Seats Description and Operation
LH Seat Control Module W/O Telescoping Steering Column
Instrument Panel Electrical Center Bussing (1 of 2)
LH Seat Pump
Star Connectors
G205
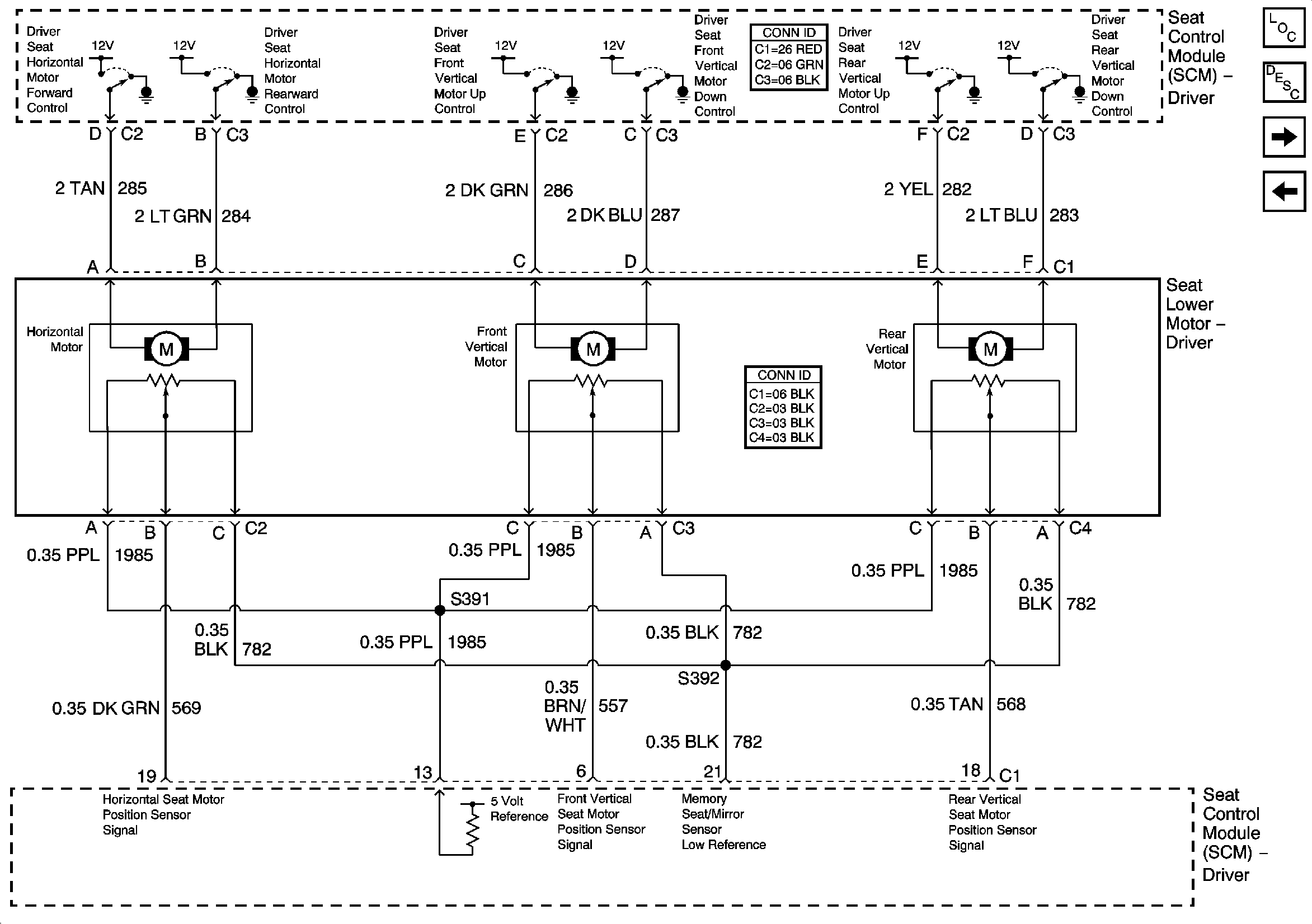
Figure 2:

Left Seat Control Module W/O Telescoping Steering Column


Object Number: 690925  Size: FS
Master Electrical Component List
Memory Seats Description and Operation
LH Seat Control Module W/Telescoping Steering Column
Power, Ground, DLC and LH Seat Adjuster Switch
Figure 3:

Left Seat Control Module W/Telescoping Steering Column


Object Number: 690927  Size: FS
Master Electrical Component List
Memory Seats Description and Operation
LH Seat Control Module W/O Telescoping Steering Column
01 Y-Car: Tilt/Telescoping Steering Column Schematics
01 Y-Car: Tilt/Telescoping Steering Column Schematics