GM Service Manual Online
For 1990-2009 cars only
Makes
🢒
Chevrolet
🢒
2001
🢒
Corvette
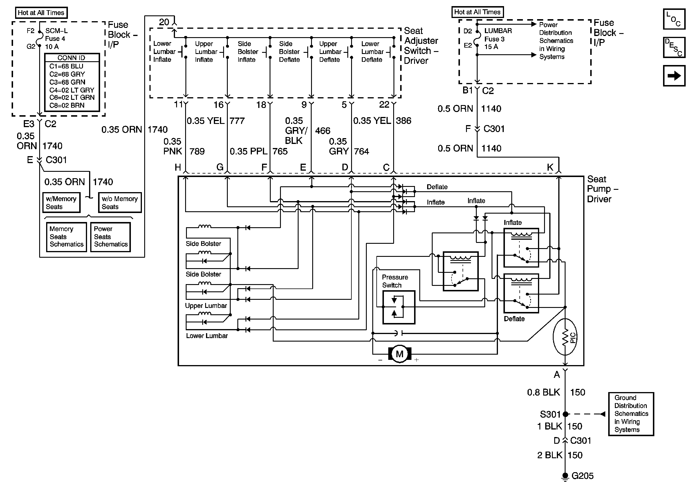
🢒 LH Seat Pump
LH Seat Pump
Left Seat Pump
Master Electrical Component List
Lumbar Support Description and Operation
RH Seat Pump
Power, Ground, DLC and LH Seat Adjuster Switch
LH Seat Relay Center
Instrument Panel Electrical Center Bussing (1 of 2)
G205