GM Service Manual Online
For 1990-2009 cars only
Makes
🢒
Chevrolet
🢒
2001
🢒
Corvette
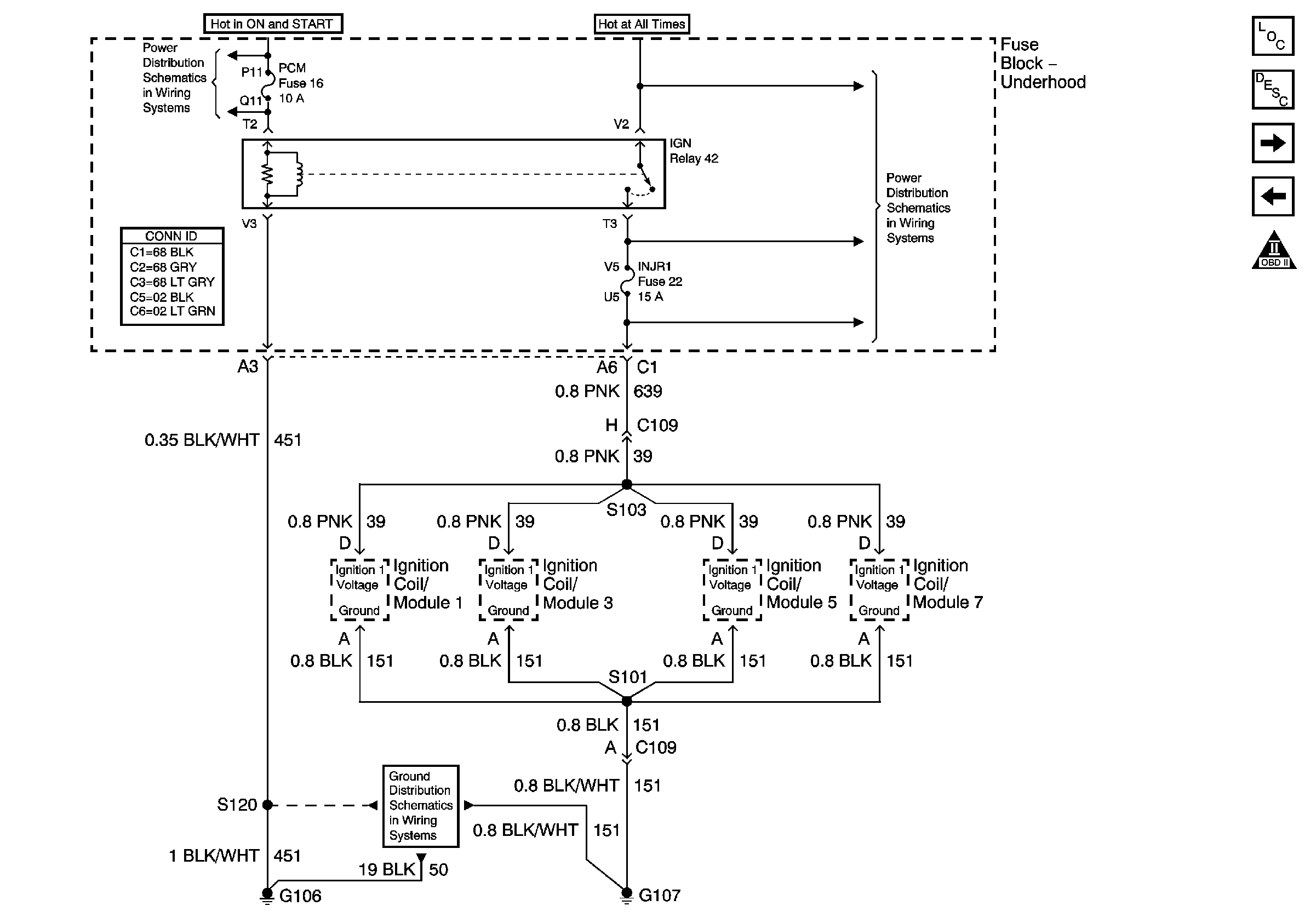
🢒 Ignition Coil/Modules 1, 3, 5 and 7 Power and Ground
Ignition Coil/Modules 1, 3, 5 and 7 Power and Ground
Ignition Coil/Modules 1, 3, 5 and 7 Power and Ground
Master Electrical Component List
Powertrain Control Module Description
Ignition Control
Ignition Coil/Modules 2, 4, 6 and 8 Power and Ground
OBD II Symbol Description Notice
Underhood Electrical Center Fuses 14, 13, 16, 15, 5 and Relays 43,44, 35 and 42
G106 and G105
Underhood Electrical Center Bussing (2 of 2)