GM Service Manual Online
For 1990-2009 cars only
Makes
🢒
Chevrolet
🢒
2001
🢒
Corvette
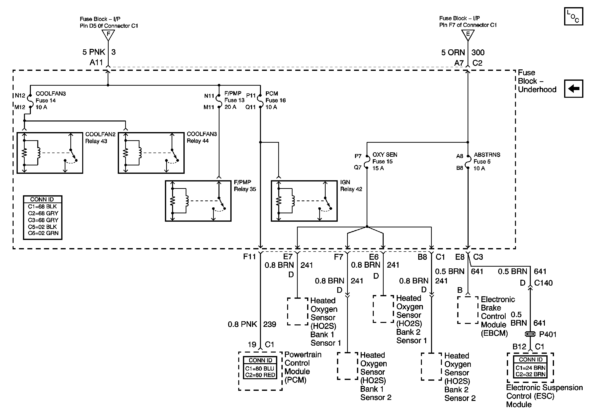
🢒 Underhood Electrical Center Fuses 14, 13, 16, 15, 5 and Relays 43,44, 35 and 42
Underhood Electrical Center Fuses 14, 13, 16, 15, 5 and Relays 43,44, 35 and 42
Fuse Block -- Underhood Fuses 14, 13, 16, 15, 5 and Relays 43, 44, 35 and 42
Master Electrical Component List
Instrument Panel Electrical Center Fuses 50, 14, 21, 22, 18, Relay 44, and the Ignition Switch (2 of 2)
Instrument Panel Electrical Center Fuses 47, 10, 9, 11, and the Ignition Switch (1 of 2)
Instrument Panel Electrical Center Fuses 50, 14, 21, 22, 18, Relay 44, and the Ignition Switch (2 of 2)