GM Service Manual Online
For 1990-2009 cars only
Makes
🢒
Chevrolet
🢒
2001
🢒
Corvette
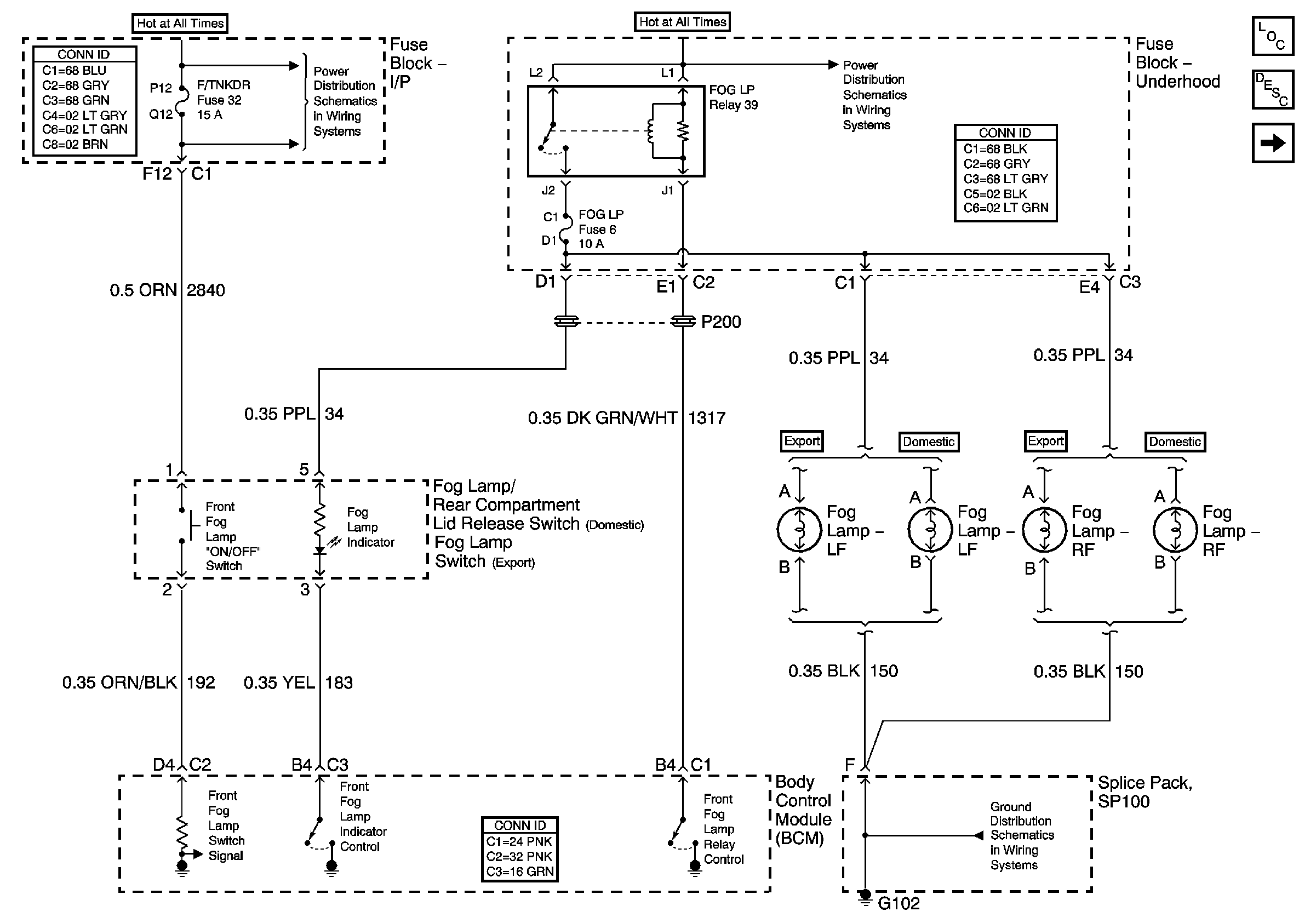
🢒 Front Fog Lamps
Front Fog Lamps
Front Fog Lamps
Master Electrical Component List
Exterior Lighting Systems Description and Operation
Rear Fog Lamps (Export)
Instrument Panel Electrical Center Bussing (1 of 2)
Underhood Electrical Center Bussing (1 of 2)
G101 and G102