GM Service Manual Online
For 1990-2009 cars only
Makes
🢒
Chevrolet
🢒
2001
🢒
Corvette
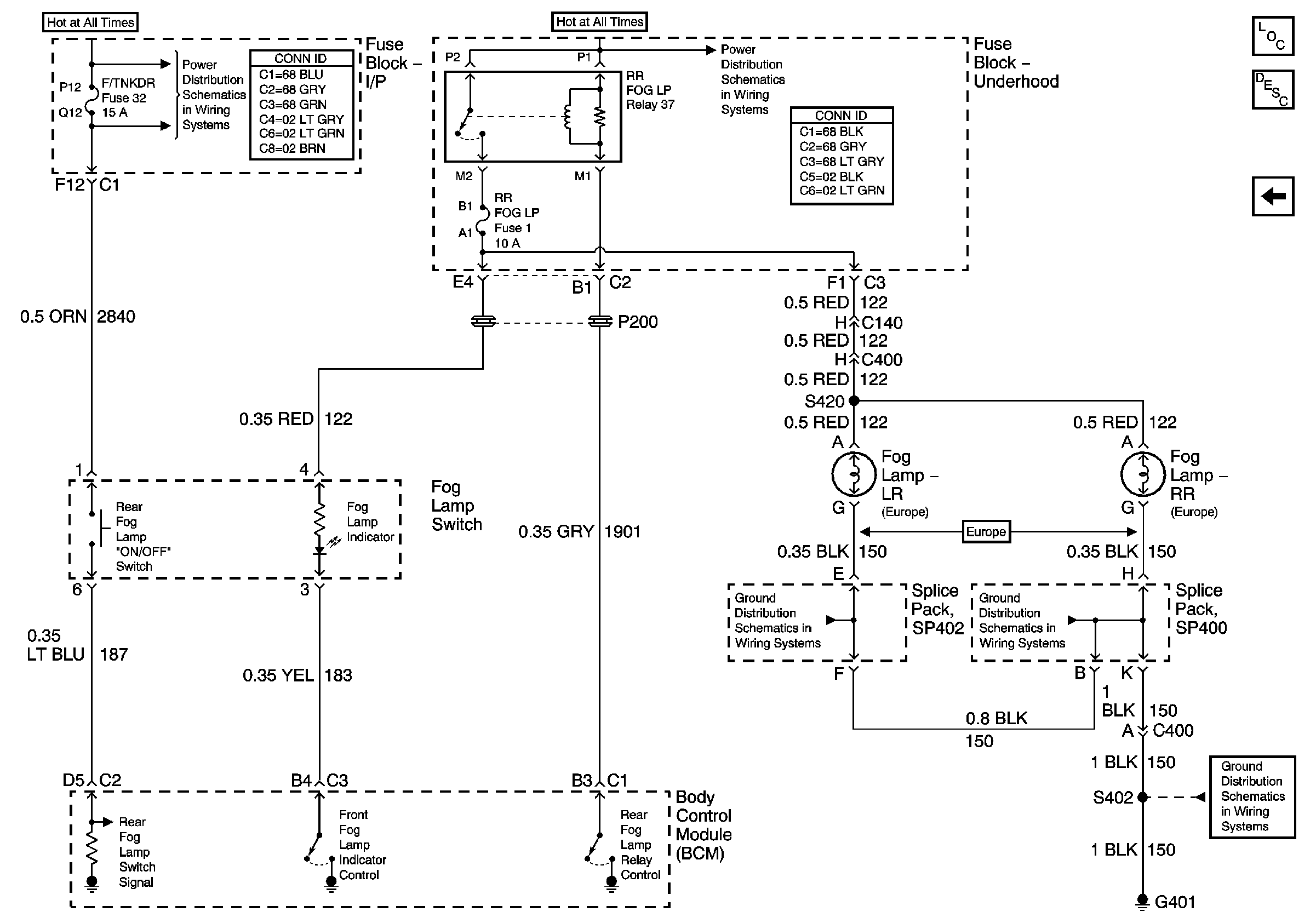
🢒 Rear Fog Lamps (Export)
Rear Fog Lamps (Export)
Rear Fog Lamps - Export
Master Electrical Component List
Exterior Lighting Systems Description and Operation
Front Fog Lamps
Instrument Panel Electrical Center Bussing (1 of 2)
Underhood Electrical Center Bussing (1 of 2)
SP402 (Japan)
G401
G401