GM Service Manual Online
For 1990-2009 cars only
Makes
🢒
Chevrolet
🢒
2001
🢒
Corvette
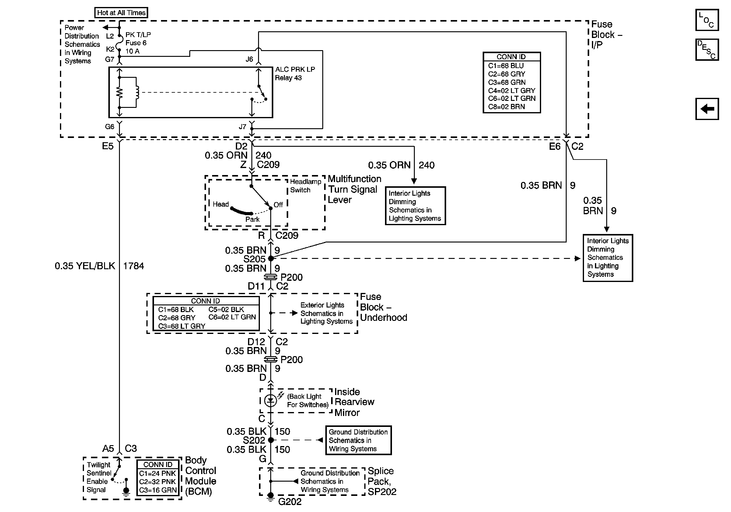
🢒 Inside Rearview Mirror Switch Backlight
Inside Rearview Mirror Switch Backlight
Inside Rearview Mirror Switch Backlight
Master Electrical Component List
Interior Lighting Systems Description and Operation
Vanity Mirror, Inside Rearview Mirror, Underhood and Instrument Panel Compartment Lamps
Instrument Panel Electrical Center Bussing (2 of 2)
Fog Lamp Switch
Front Park Lamps
G202
G202
Fog Lamp Switch