GM Service Manual Online
For 1990-2009 cars only
Makes
🢒
Chevrolet
🢒
2001
🢒
Corvette
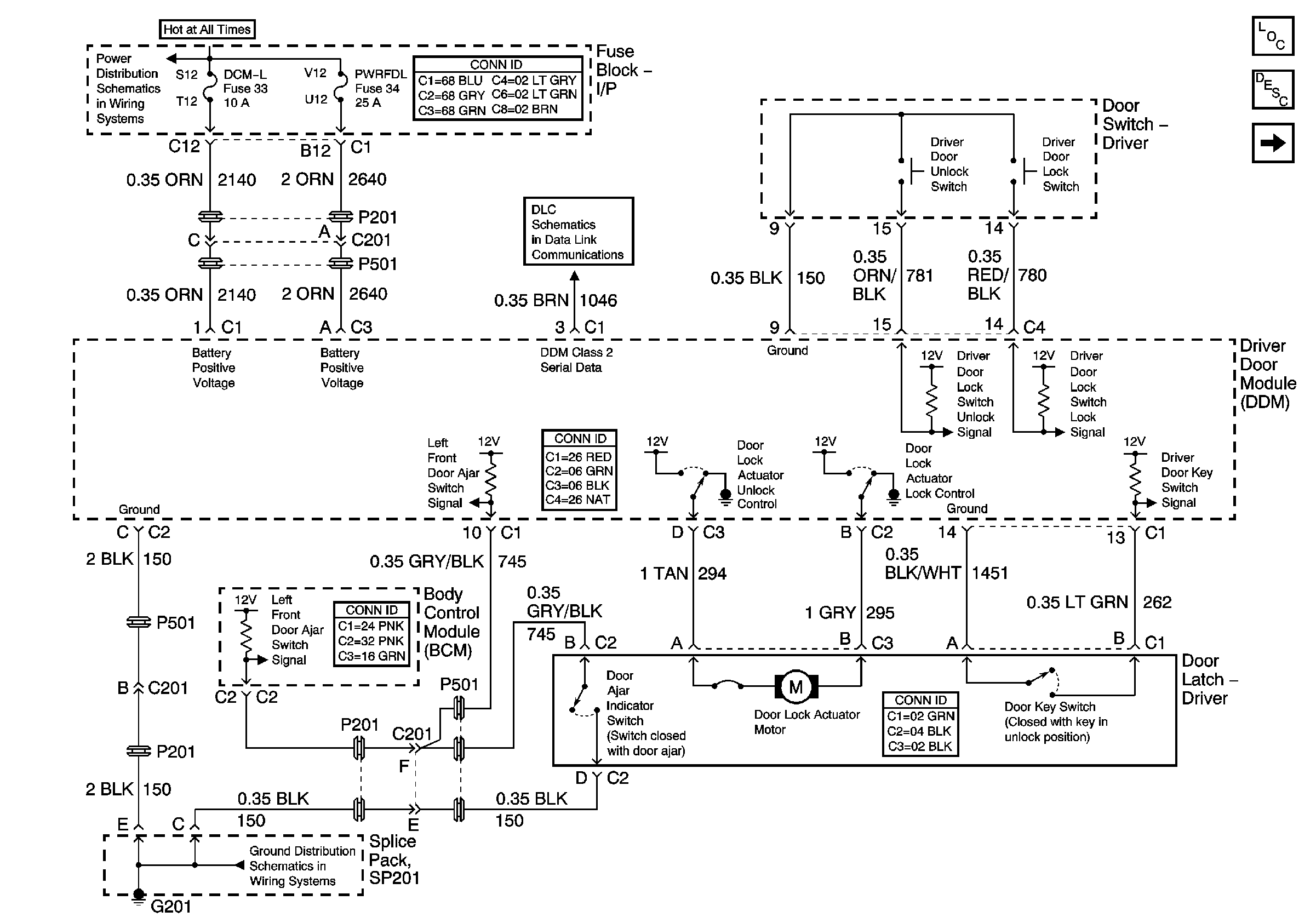
🢒 LH Door Power, Ground and DLC
LH Door Power, Ground and DLC
Left Door Power, Ground and DLC
Master Electrical Component List
Power Door Locks Description and Operation
LH Door Switch Signals
Instrument Panel Electrical Center Bussing (1 of 2)
G201
Star Connectors