GM Service Manual Online
For 1990-2009 cars only
Makes
🢒
Chevrolet
🢒
2001
🢒
Corvette
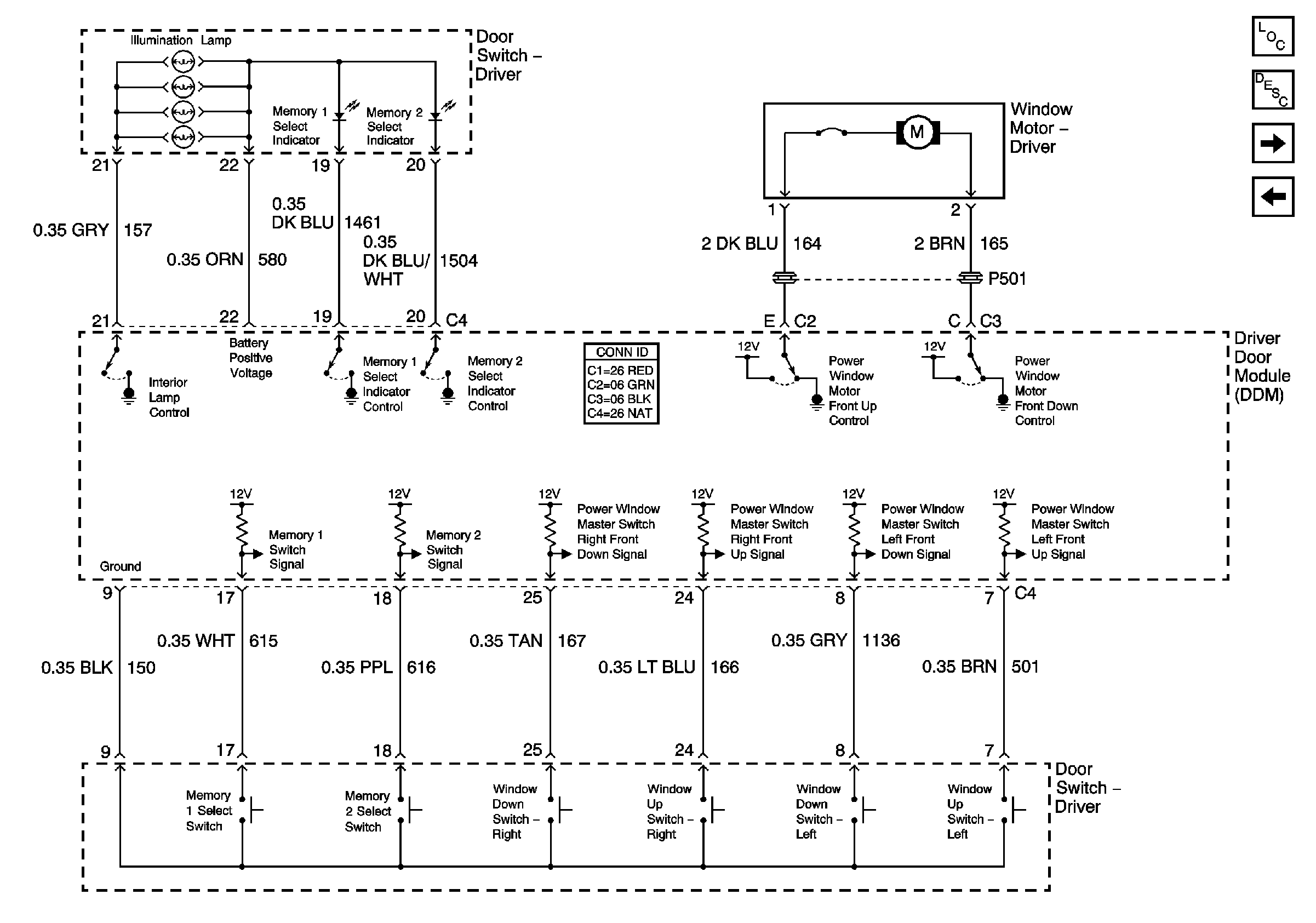
🢒 LH Door Switch Signals
LH Door Switch Signals
Left Door Switch Signals
Master Electrical Component List
Power Windows Description and Operation
LH Door Mirror Control
LH Door Power, Ground and DLC