GM Service Manual Online
For 1990-2009 cars only
Makes
🢒
Chevrolet
🢒
2001
🢒
Corvette
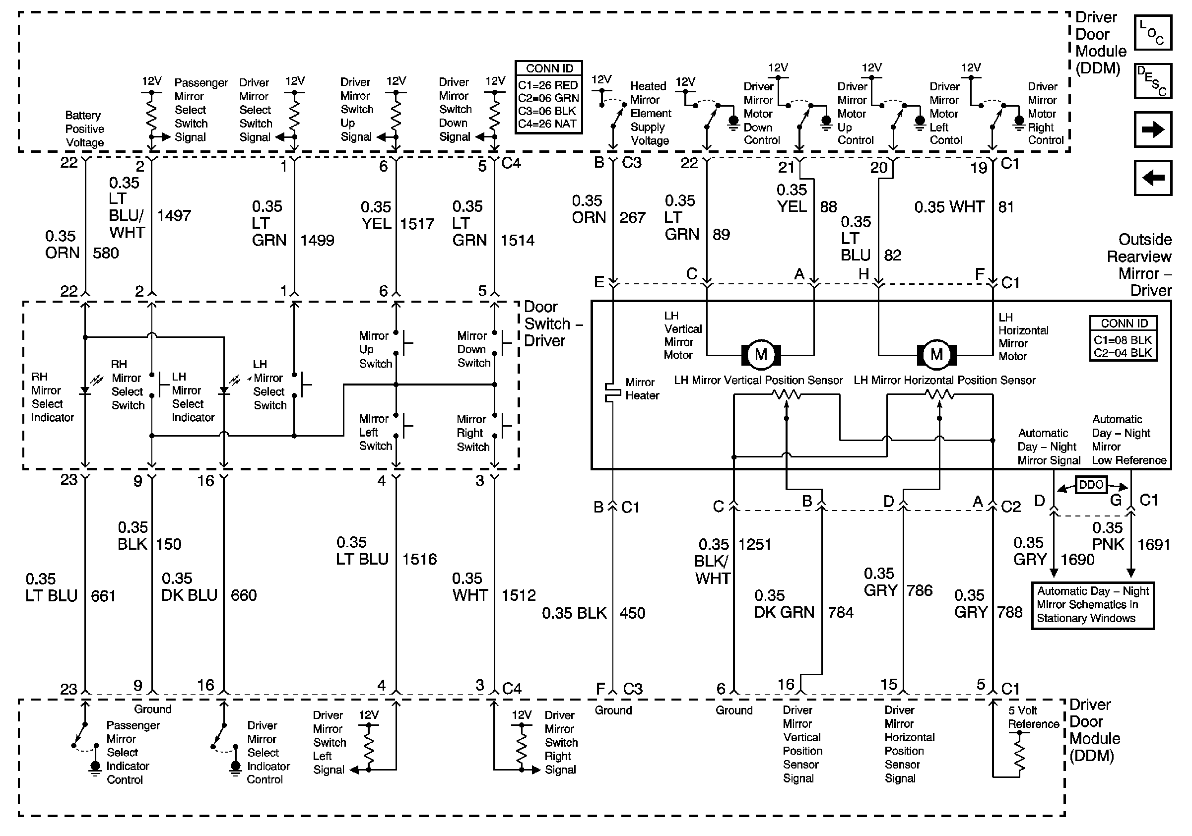
🢒 LH Door Mirror Control
LH Door Mirror Control
Left Door Mirror Control
Master Electrical Component List
Outside Mirror Description and Operation
RH Door Power, Ground and DLC
LH Door Switch Signals
Headlight and Photo Sensors