GM Service Manual Online
For 1990-2009 cars only
Makes
🢒
Chevrolet
🢒
2001
🢒
Corvette
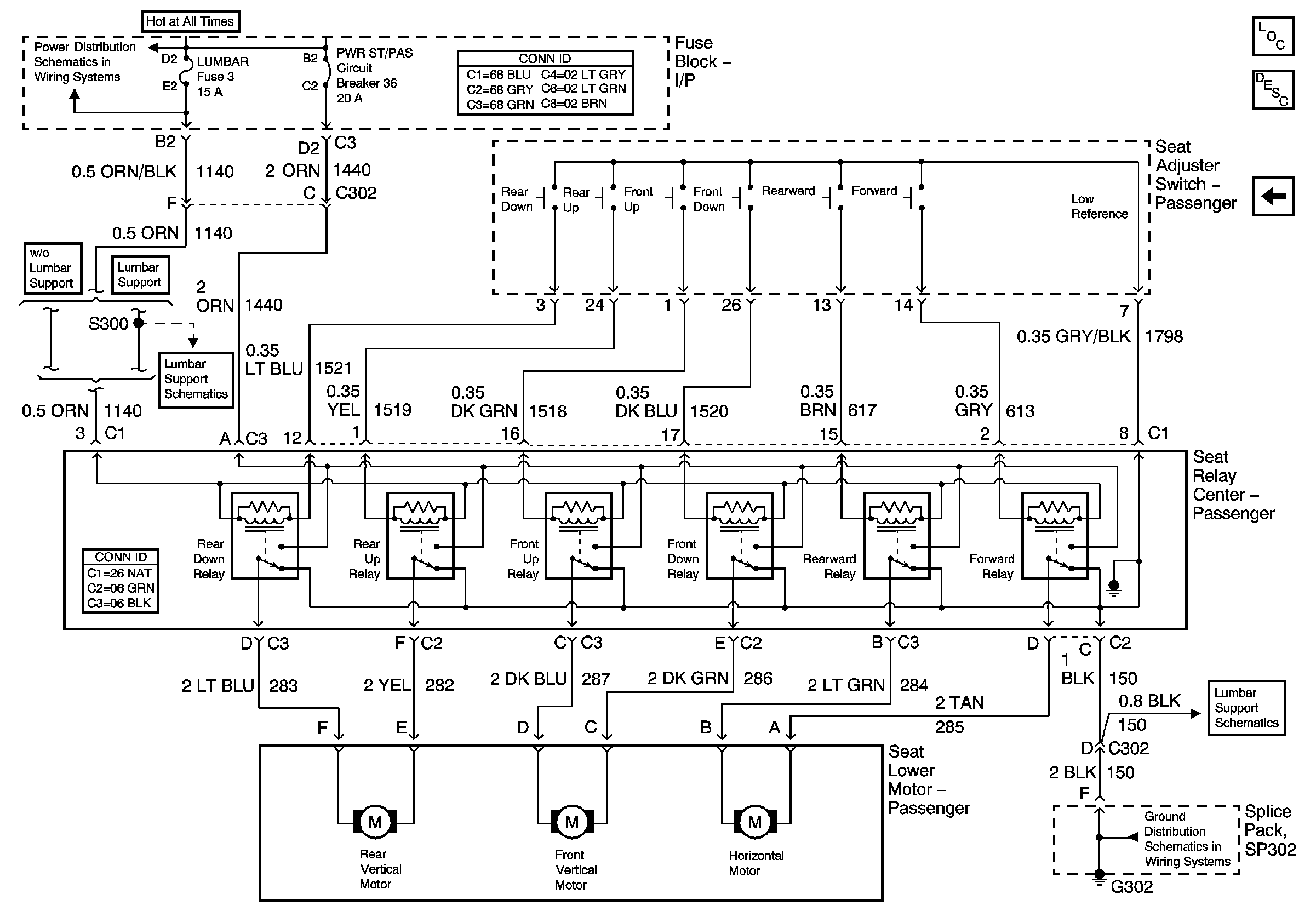
🢒 RH Seat Relay Center
RH Seat Relay Center
Right Seat Relay Center
Master Electrical Component List
Power Seats System Description and Operation
LH Seat Relay Center
Instrument Panel Electrical Center Bussing (1 of 2)
RH Seat Pump
RH Seat Pump
G301, G402 and G302