GM Service Manual Online
For 1990-2009 cars only
Makes
🢒
Chevrolet
🢒
2001
🢒
Corvette
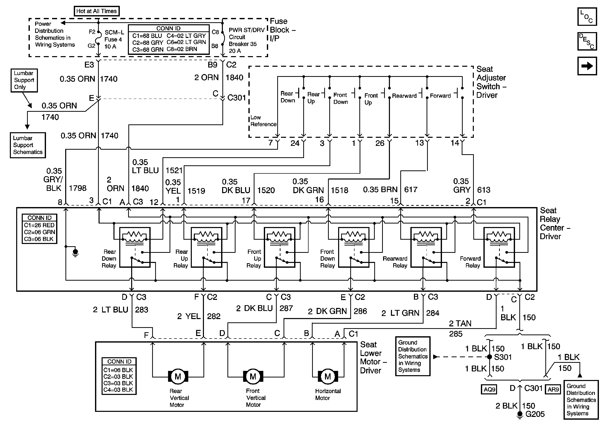
🢒 LH Seat Relay Center
LH Seat Relay Center
Left Seat Relay Center
Master Electrical Component List
Power Seats System Description and Operation
RH Seat Relay Center
Instrument Panel Electrical Center Bussing (1 of 2)
LH Seat Pump
G205
G205