GM Service Manual Online
For 1990-2009 cars only
Makes
🢒
Chevrolet
🢒
2001
🢒
Corvette
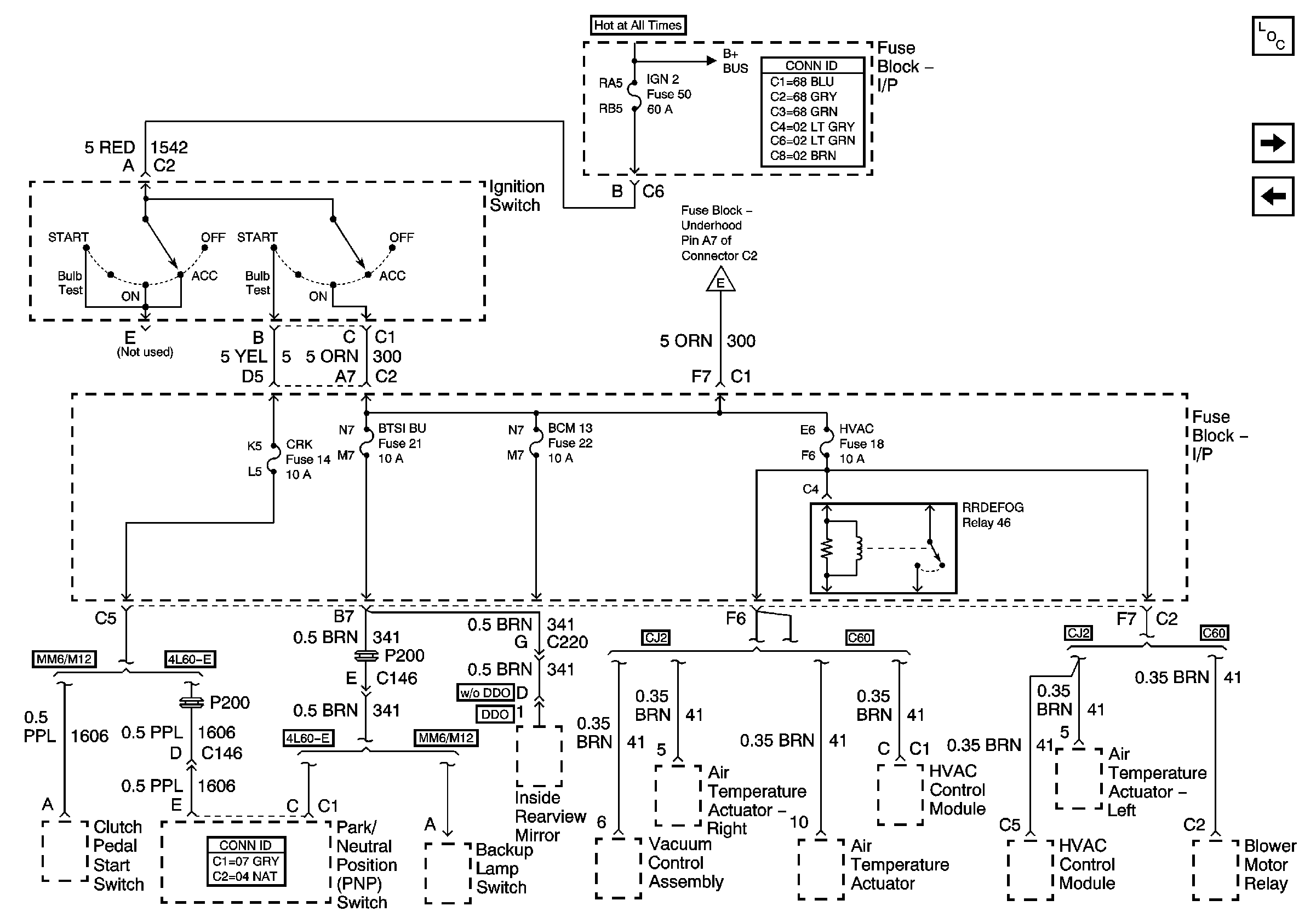
🢒 Instrument Panel Electrical Center Fuses 50, 14, 21, 22, 18, Relay 44, and the Ignition Switch (2 of 2)
Instrument Panel Electrical Center Fuses 50, 14, 21, 22, 18, Relay 44, and the Ignition Switch (2 of 2)
Fuse Block -- I/P Fuses 50, 14, 21, 22, 18 and Relay 44
Master Electrical Component List
Underhood Electrical Center Fuses 14, 13, 16, 15, 5 and Relays 43,44, 35 and 42
Instrument Panel Electrical Center Fuses 15, 16, 13, 20 and 19
Underhood Electrical Center Fuses 14, 13, 16, 15, 5 and Relays 43,44, 35 and 42