GM Service Manual Online
For 1990-2009 cars only
Makes
🢒
Chevrolet
🢒
2002
🢒
Corvette
🢒 01 Y-Car: Cooling Fan Schematics
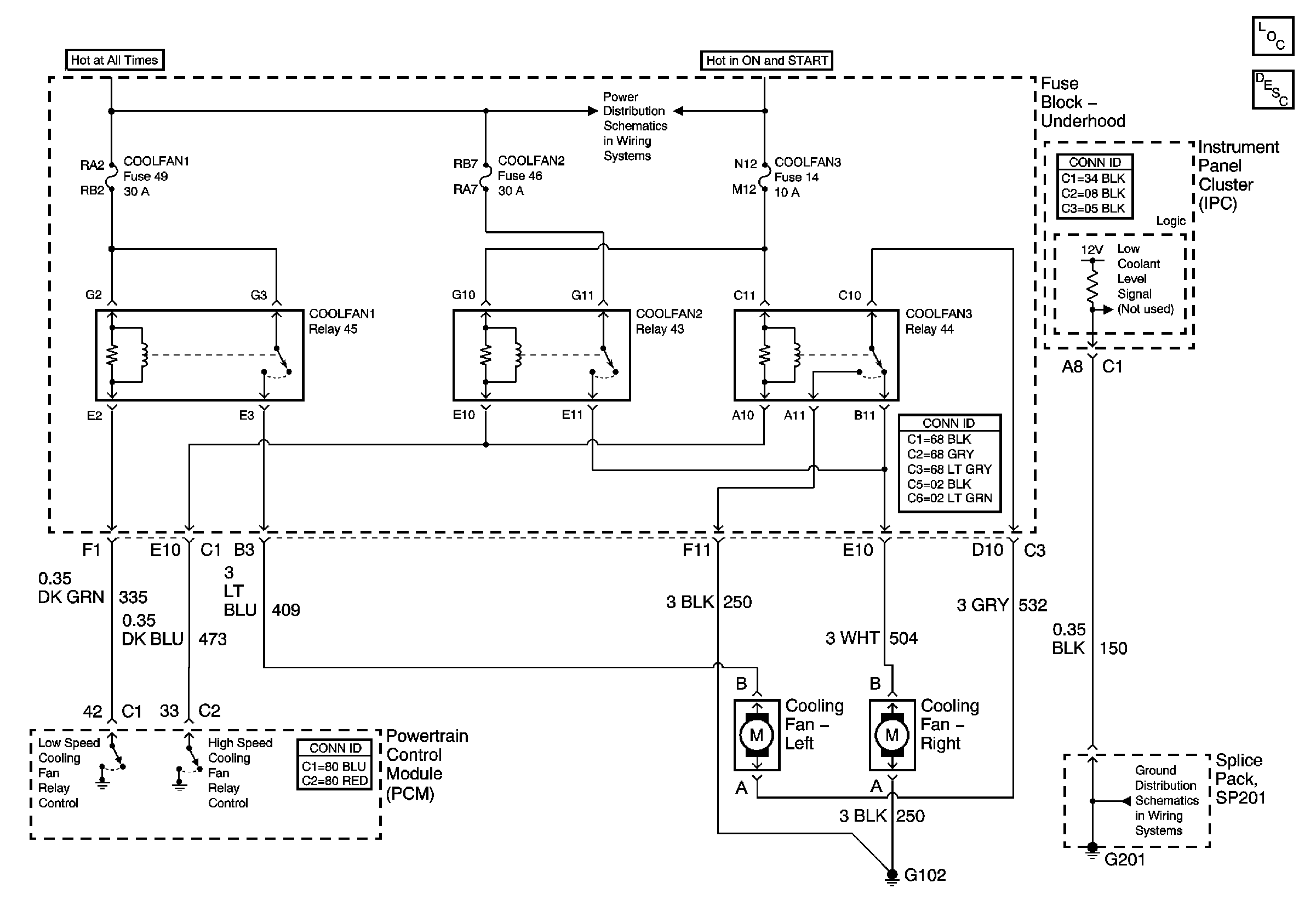
01 Y-Car: Cooling Fan Schematics
Master Electrical Component List
Cooling System Description and Operation
Underhood Electrical Center Bussing (1 of 2)
G201