GM Service Manual Online
For 1990-2009 cars only
Makes
🢒
Chevrolet
🢒
2002
🢒
Corvette
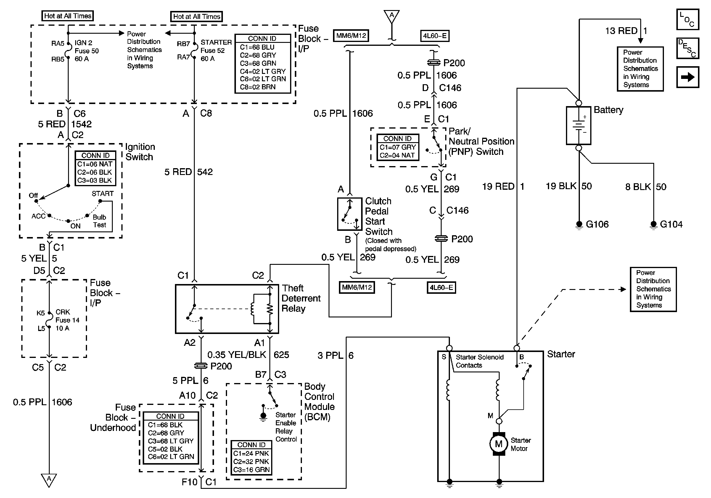
🢒 Starter
Starter
Starter
Master Electrical Component List
Starting System Description and Operation
Generator
Instrument Panel Electrical Center Bussing (2 of 2)
Underhood Electrical Center Bussing (1 of 2)
Underhood Electrical Center Bussing (1 of 2)