GM Service Manual Online
For 1990-2009 cars only
Makes
🢒
Chevrolet
🢒
2002
🢒
Corvette
🢒 Power and Ground
Power and Ground
Power and Ground
Master Electrical Component List
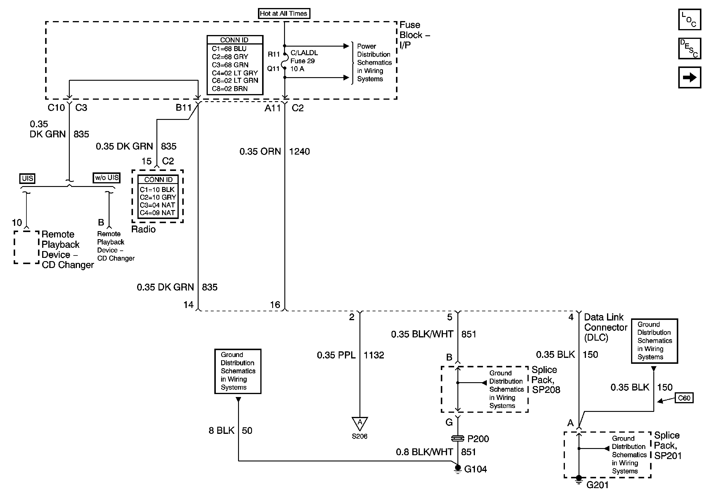
Data Link Communications Description and Operation
Star Connectors
Instrument Panel Electrical Center Bussing (2 of 2)
Star Connectors
G104
G201