GM Service Manual Online
For 1990-2009 cars only
Makes
🢒
Chevrolet
🢒
2002
🢒
Corvette
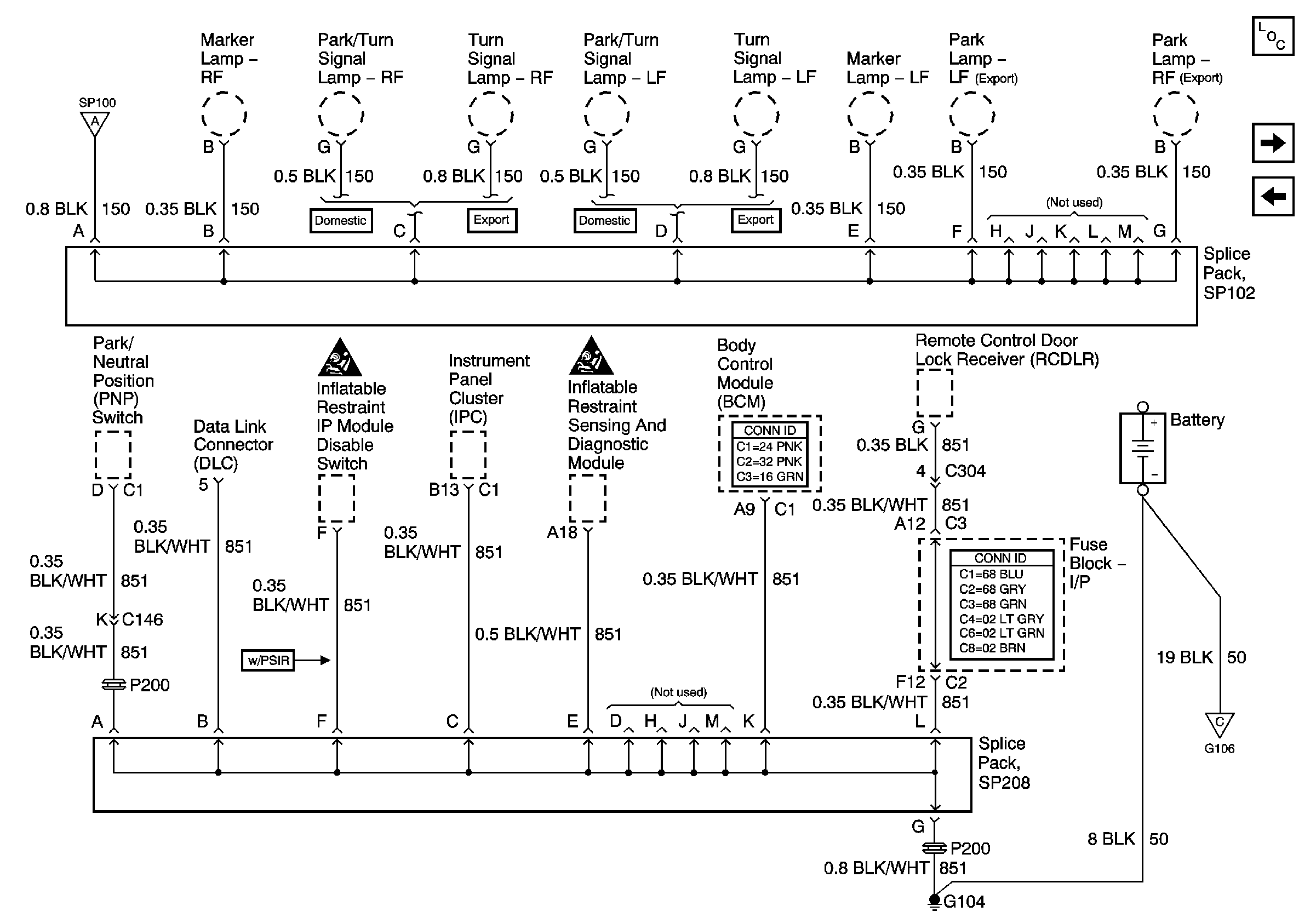
🢒 G104
G104
G104
Master Electrical Component List
G106 and G105
G101 and G102
G101 and G102
G106 and G105
SIR Caution
SIR Caution