GM Service Manual Online
For 1990-2009 cars only
Makes
🢒
Chevrolet
🢒
2002
🢒
Corvette
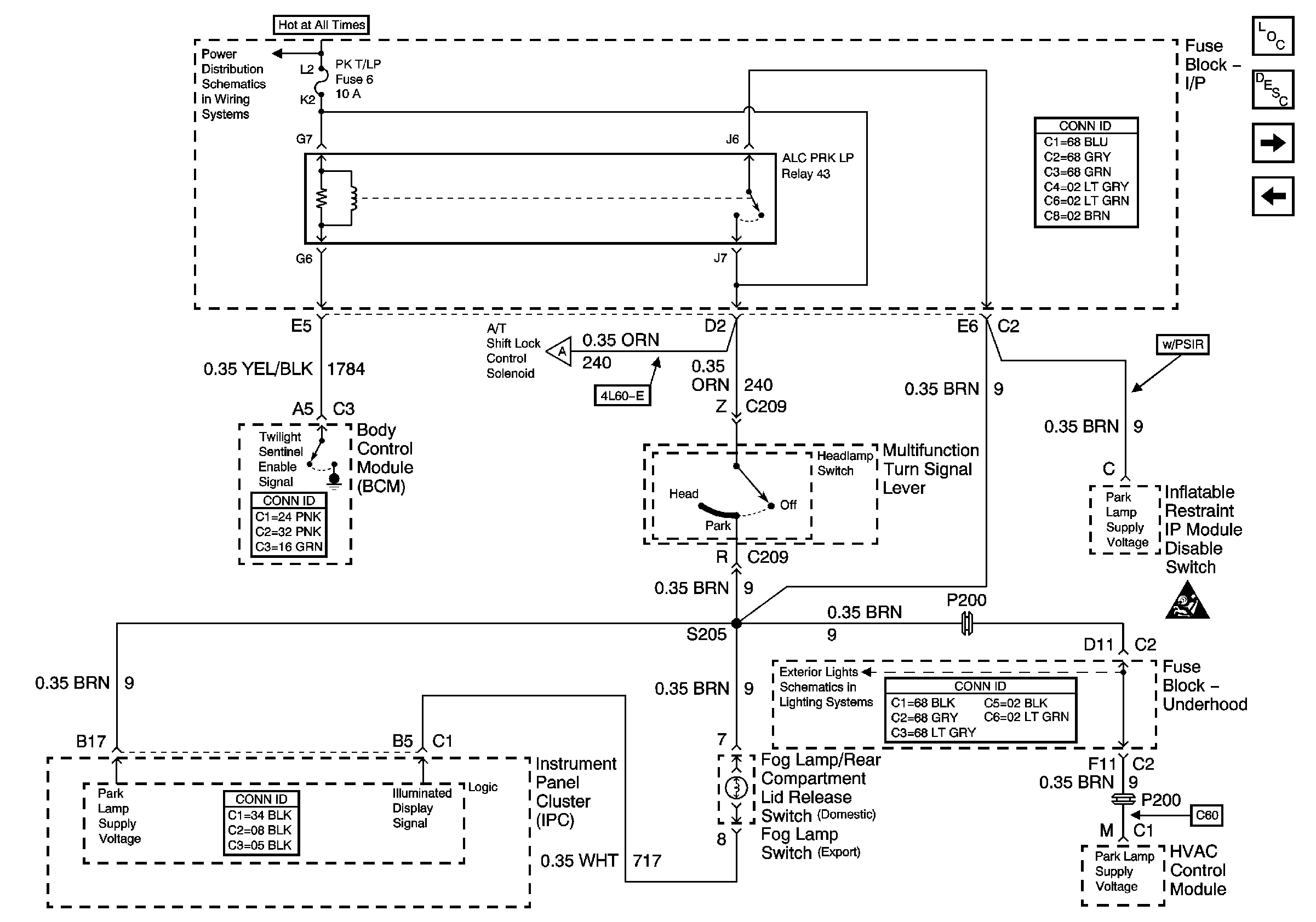
🢒 Fog Lamp Switch
Fog Lamp Switch
Fog Lamp Switch
Master Electrical Component List
Interior Lighting Systems Description and Operation
HVAC Control Assembly, Automatic Transmission Shift Lock Control Actuator and Traction/Suspension Control Switch
Dimmer Switch, Door Switches and Radio
Instrument Panel Electrical Center Bussing (2 of 2)
HVAC Control Assembly, Automatic Transmission Shift Lock Control Actuator and Traction/Suspension Control Switch
Front Park Lamps
SIR Caution