GM Service Manual Online
For 1990-2009 cars only
Makes
🢒
Chevrolet
🢒
2002
🢒
Corvette
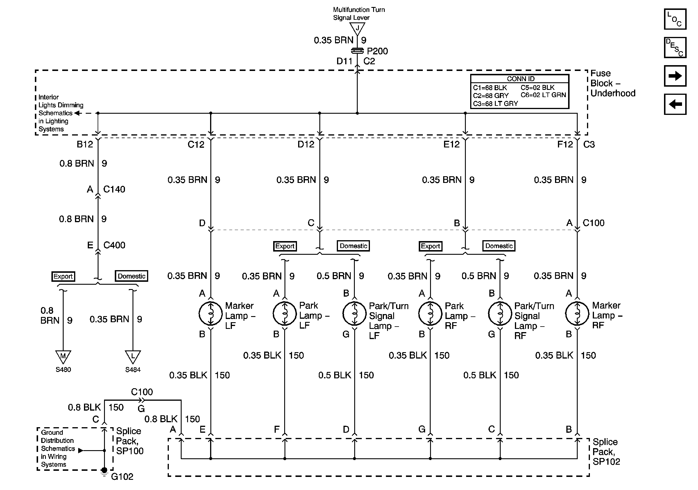
🢒 Front Park Lamps
Front Park Lamps
Front Park Lamps
Master Electrical Component List
Exterior Lighting Systems Description and Operation
Rear Park Lamps (Domestic)
Park Lamp Control
Fog Lamp Switch
Rear Park Lamps (Export)
Rear Park Lamps (Domestic)
G101 and G102
Park Lamp Control