GM Service Manual Online
For 1990-2009 cars only
Makes
🢒
Chevrolet
🢒
2002
🢒
Corvette
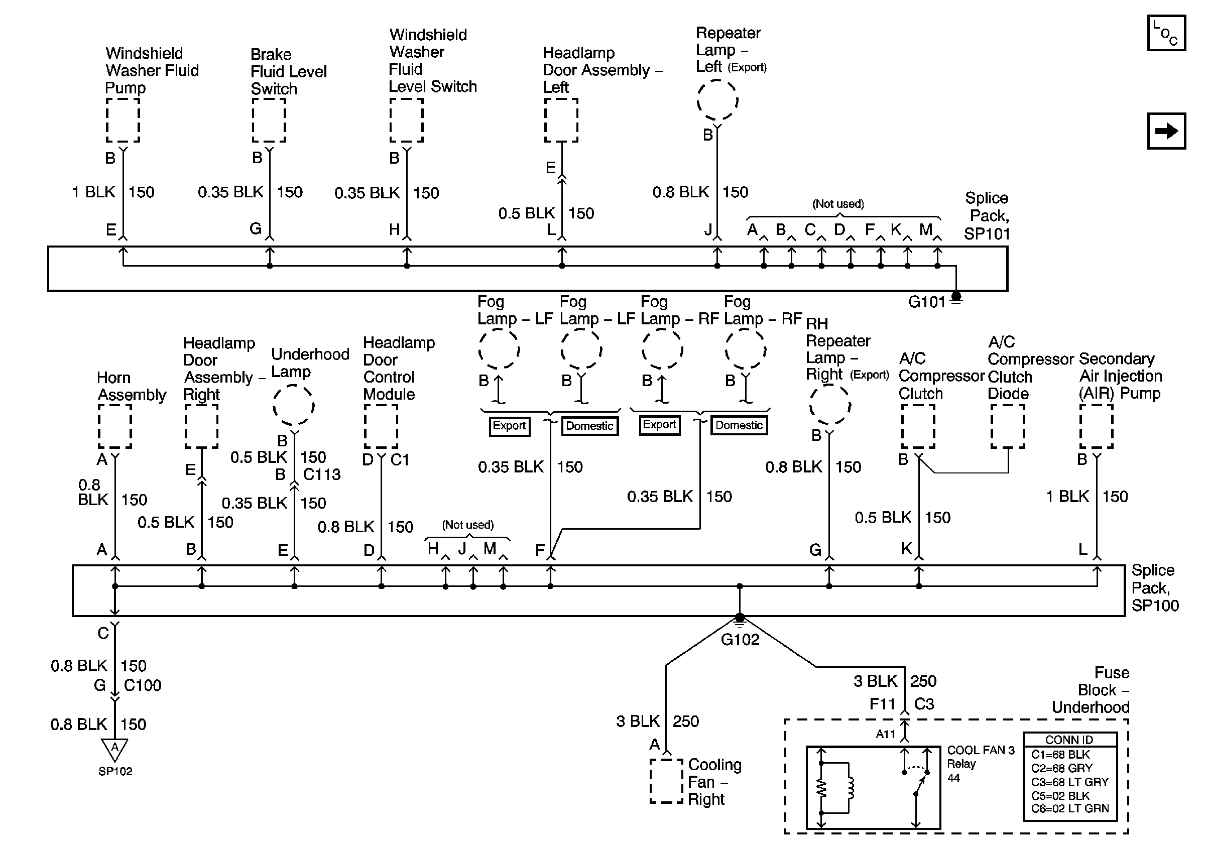
🢒 G101 and G102
G101 and G102
G101 and G102
Master Electrical Component List
G104
G104