GM Service Manual Online
For 1990-2009 cars only
Makes
🢒
Chevrolet
🢒
2002
🢒
Corvette
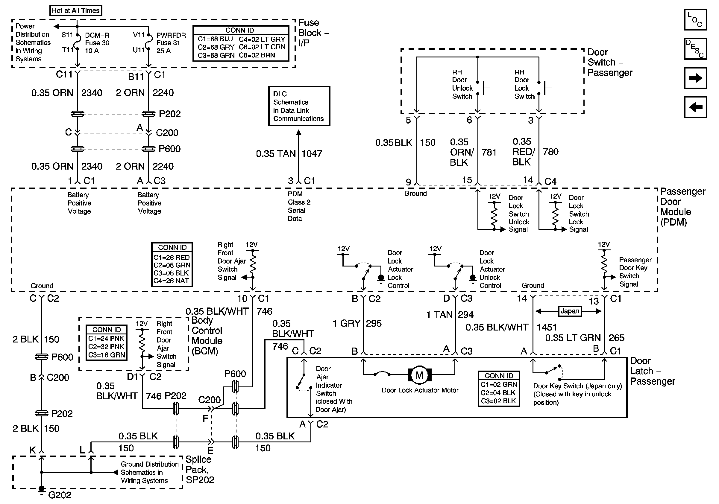
🢒 RH Door Power, Ground and DLC
RH Door Power, Ground and DLC
Right Door Power, Ground and DLC
Master Electrical Component List
Power Door Locks Description and Operation
RH Door Mirror and Window Control
LH Door Mirror Control
Instrument Panel Electrical Center Bussing (1 of 2)
Star Connectors
G202