GM Service Manual Online
For 1990-2009 cars only
Makes
🢒
Chevrolet
🢒
2002
🢒
Corvette
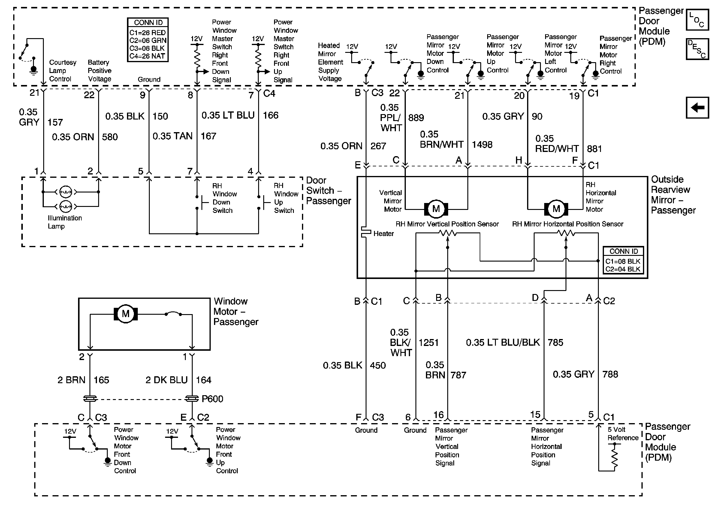
🢒 RH Door Mirror and Window Control
RH Door Mirror and Window Control
Right Door Mirror and Window Control
Master Electrical Component List
Power Windows Description and Operation
RH Door Power, Ground and DLC