GM Service Manual Online
For 1990-2009 cars only

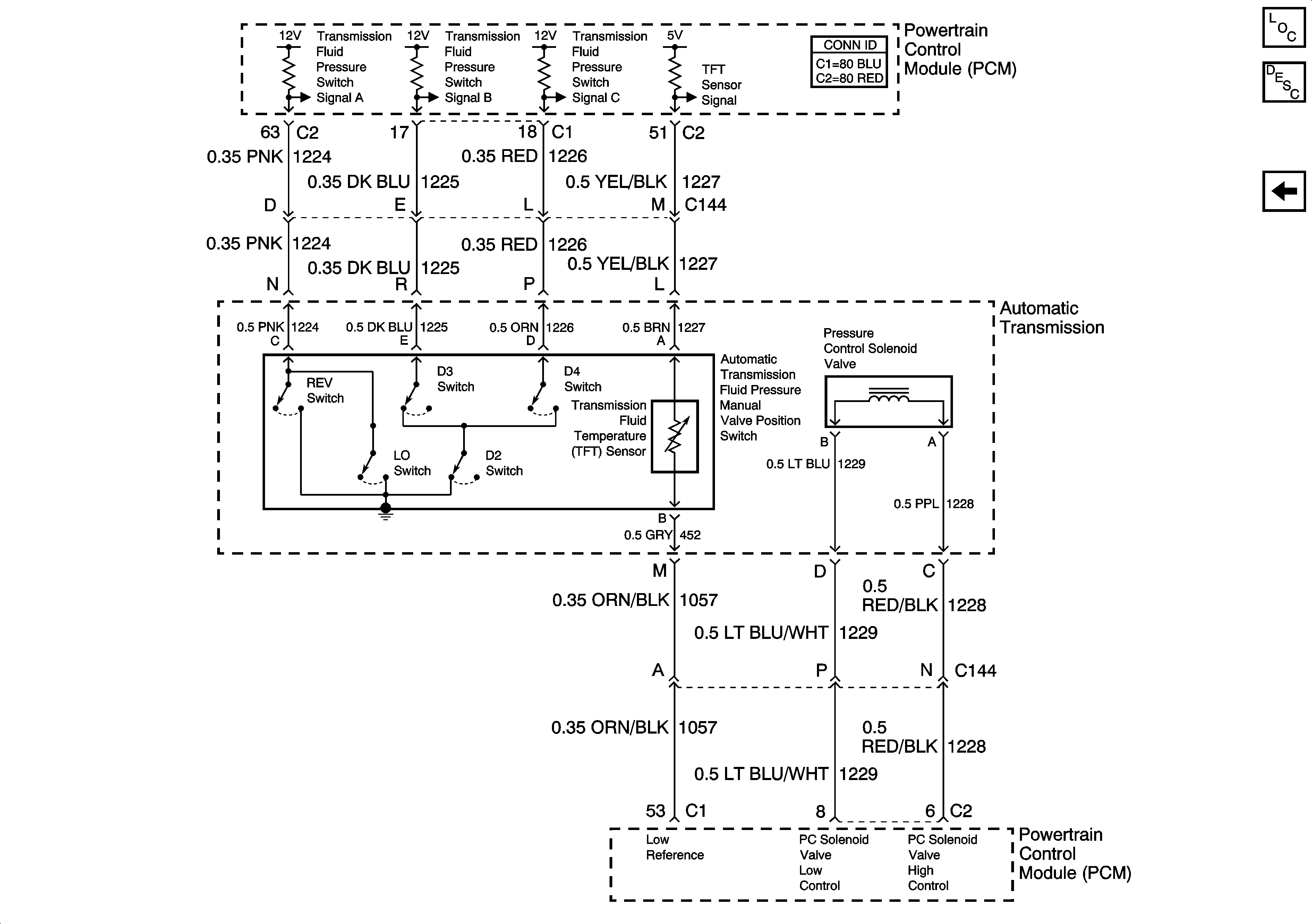
Automatic Transmission Fluid Pressure (TFP) Manual Valve Position Switch and Pressure Control Solenoid (PC SOL) Valve

Automatic Transmission Fluid Pressure (TFP) Manual Valve Position Switch and Pressure Control Soleniod (PC SOL) Valve


Object Number: 688258  Size: FS
Master Electrical Component List
Transmission Component and System Description
Transmission Valve Controls