GM Service Manual Online
For 1990-2009 cars only
Makes
🢒
Chevrolet
🢒
2005
🢒
Corvette
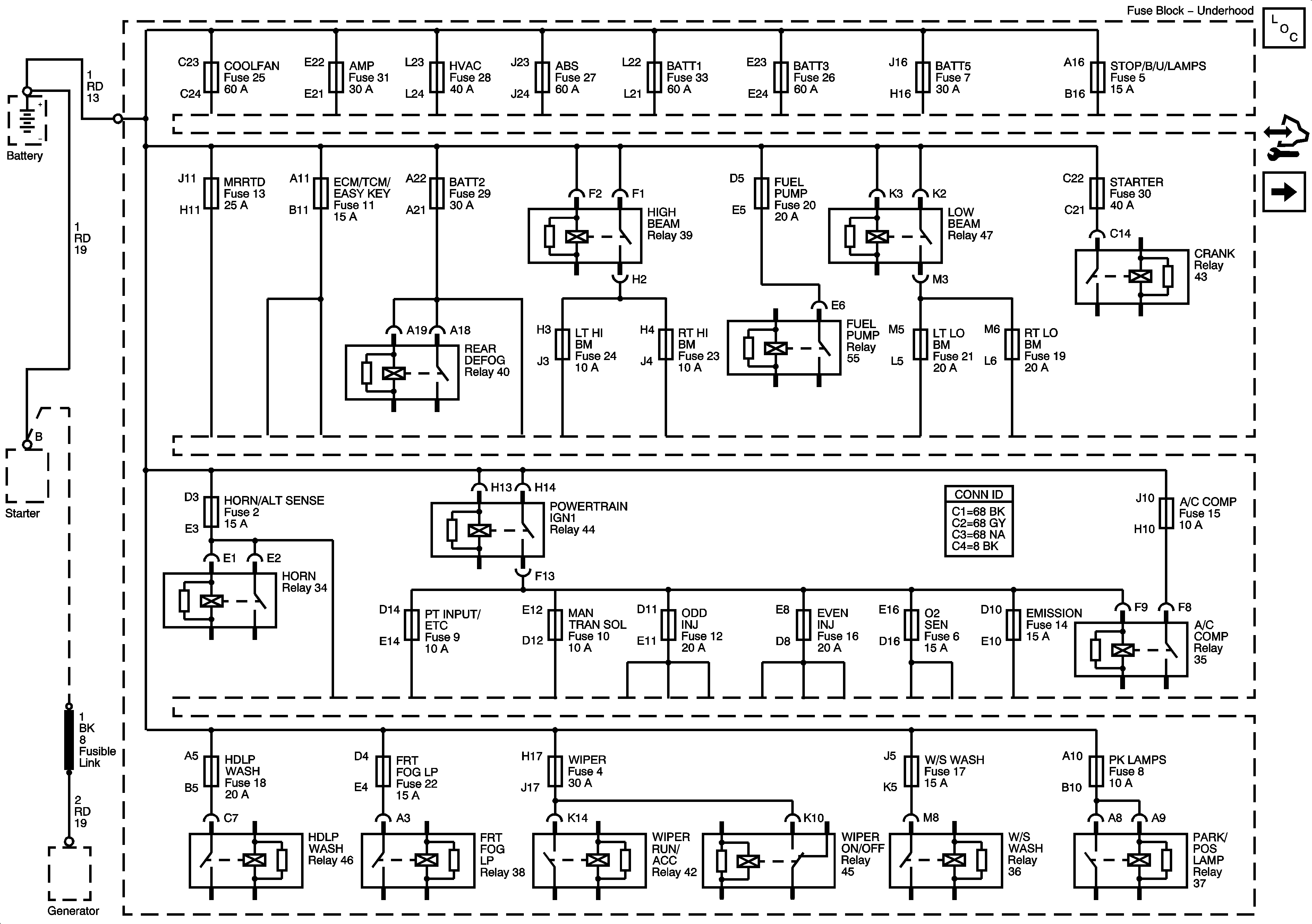
🢒 Fuse Block-Underhood Bussing
Fuse Block-Underhood Bussing
Fuse Block-Underhood Bussing
Master Electrical Component List
Control Module References
Fuse Block-Underhood Fuses; COOL FAN, AMP, HVAC, ABS, MRRTD, ECM/TCM, HORN, BATT2