GM Service Manual Online
For 1990-2009 cars only
Makes
🢒
Chevrolet
🢒
2005
🢒
Corvette
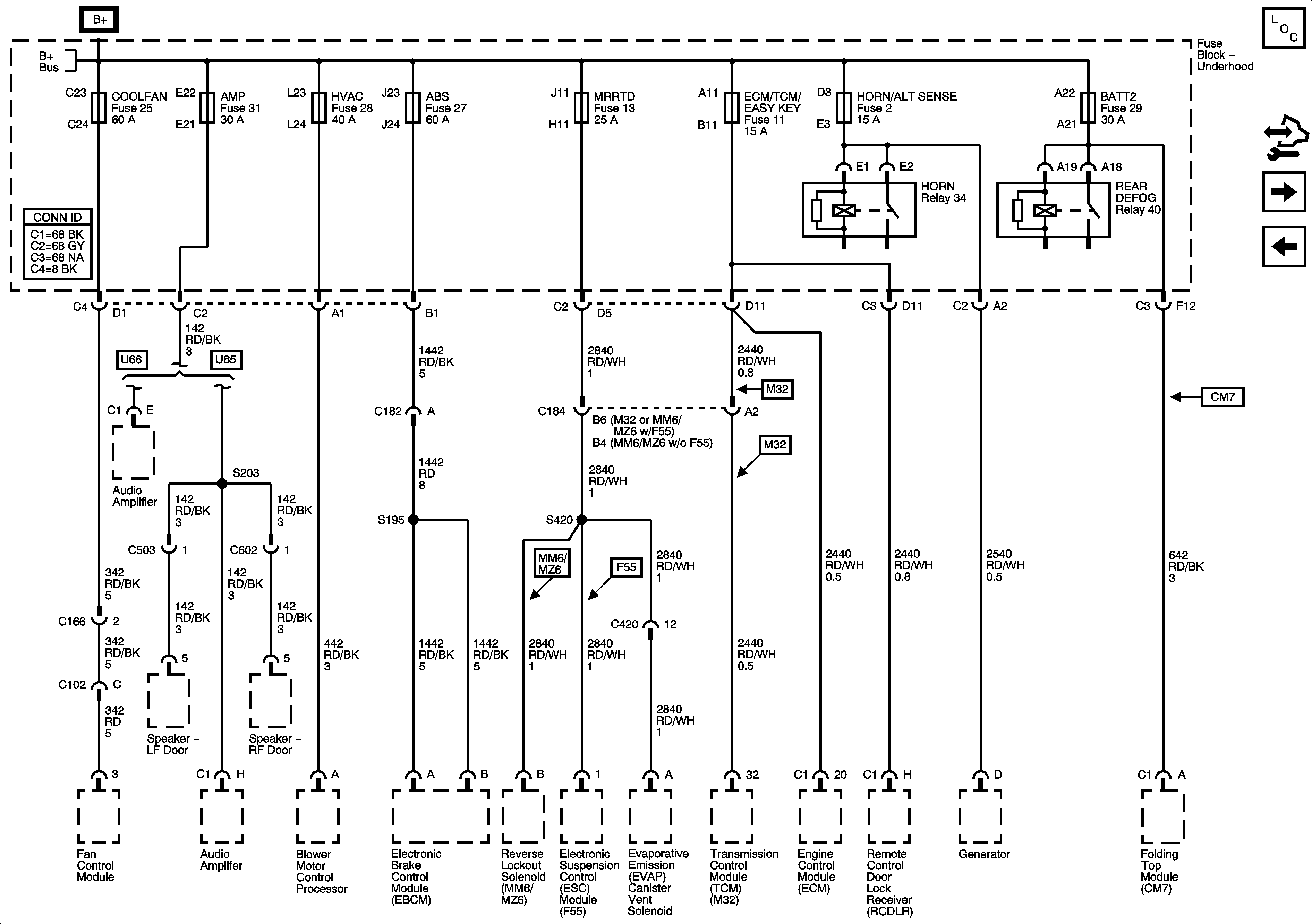
🢒 Fuse Block-Underhood Fuses; COOL FAN, AMP, HVAC, ABS, MRRTD, ECM/TCM, HORN, BATT2
Fuse Block-Underhood Fuses; COOL FAN, AMP, HVAC, ABS, MRRTD, ECM/TCM, HORN, BATT2
Fuse Block-Underhood Fuses; COOL FAN, AMP, HVAC, ABS, MRRTD, ECM/TCM, HORN and BATT2
Master Electrical Component List
Control Module References
Fuse Block-Underhood Fuses; BATT1, Fuse Block-I/P Fuses; HEATED SEAT LH, HEATED SEAT RH, POWER LUMBAR LH/RH, Fuse Block-I/P Circuit Breakers; DOOR CONTROLS, POWER SEATS
Fuse Block-Underhood Bussing
Fuse Block-Underhood Bussing