GM Service Manual Online
For 1990-2009 cars only
Makes
🢒
Chevrolet
🢒
2005
🢒
Corvette
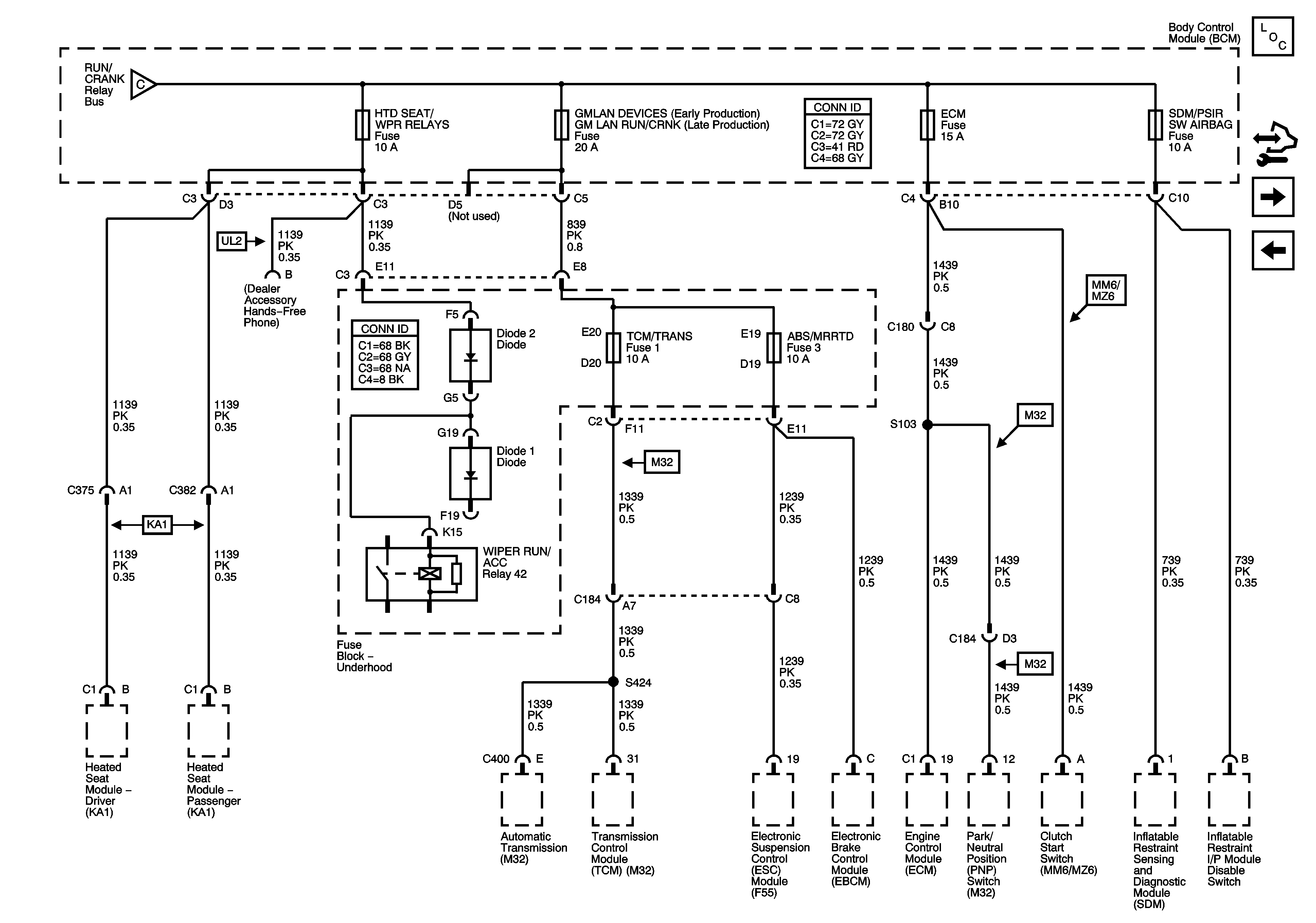
🢒 BCM Fuses; HTD SEAT/WIPER, GMLAN DEVICES, ECM, SDM/PSIR SW, Fuse Block-Underhood Fuses; TCM/TRANS, ABS/MRRTD
BCM Fuses; HTD SEAT/WIPER, GMLAN DEVICES, ECM, SDM/PSIR SW, Fuse Block-Underhood Fuses; TCM/TRANS, ABS/MRRTD
BCM Fuses; HTD SEAT/WIPER, GMLAN DEVICES, ECM, SDM/PSIR SW, Fuse Block-Underhood Fuses; TCM/TRANS, ABS/MRRTD
Master Electrical Component List
Control Module References
Fuse Block-Underhood Fuses; ETC, O2 SEN, MAN TRANS, EMISSION, ODD INJ, EVEN INJ
BCM Fuses; CLUSTER, DOOR LOCKS, INTERIOR LIGHTS, HVAC/PWR SND, ISRVM/HVAC, CRUISE SW
BCM Fuses; CLUSTER, DOOR LOCKS, INTERIOR LIGHTS, HVAC/PWR SND, ISRVM/HVAC, CRUISE SW