GM Service Manual Online
For 1990-2009 cars only
Makes
🢒
Chevrolet
🢒
2005
🢒
Corvette
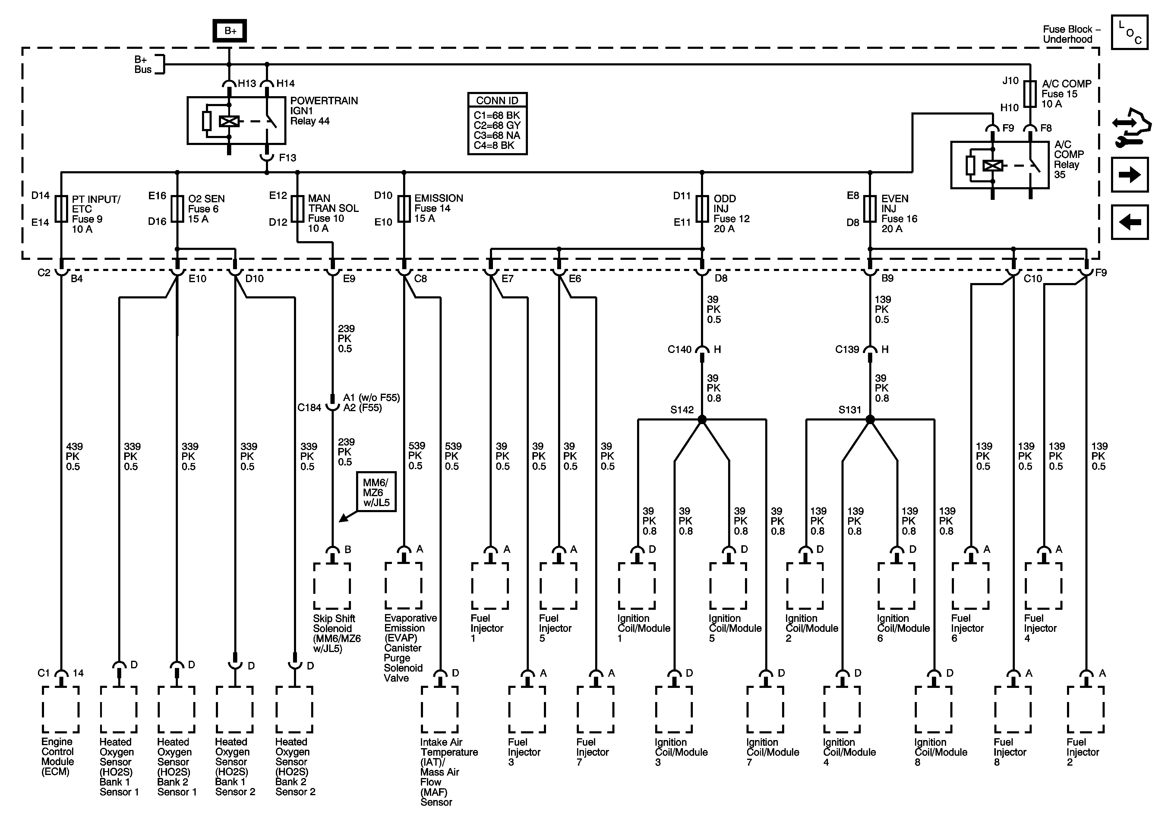
🢒 Fuse Block-Underhood Fuses; ETC, O2 SEN, MAN TRANS, EMISSION, ODD INJ, EVEN INJ
Fuse Block-Underhood Fuses; ETC, O2 SEN, MAN TRANS, EMISSION, ODD INJ, EVEN INJ
Fuse Block-Underhood Fuses; ETC, O2 SEN, MAN TRANS, EMISION, ODD INJ, EVEN INJ
Master Electrical Component List
Control Module References
Fuse Block-Underhood Fuses; LT HI BM, RT HI BM, LT LO BM, RT LO BM, WIPER, W/S WASH, Fuse Block-I/P Fuses; WIPER DWELL, RUN/ACCESSORY POWER
BCM Fuses; HTD SEAT/WIPER, GMLAN DEVICES, ECM, SDM/PSIR SW, Fuse Block-Underhood Fuses; TCM/TRANS, ABS/MRRTD
Fuse Block-Underhood Bussing