GM Service Manual Online
For 1990-2009 cars only
Makes
🢒
Chevrolet
🢒
2005
🢒
Corvette
🢒 Horns Schematic
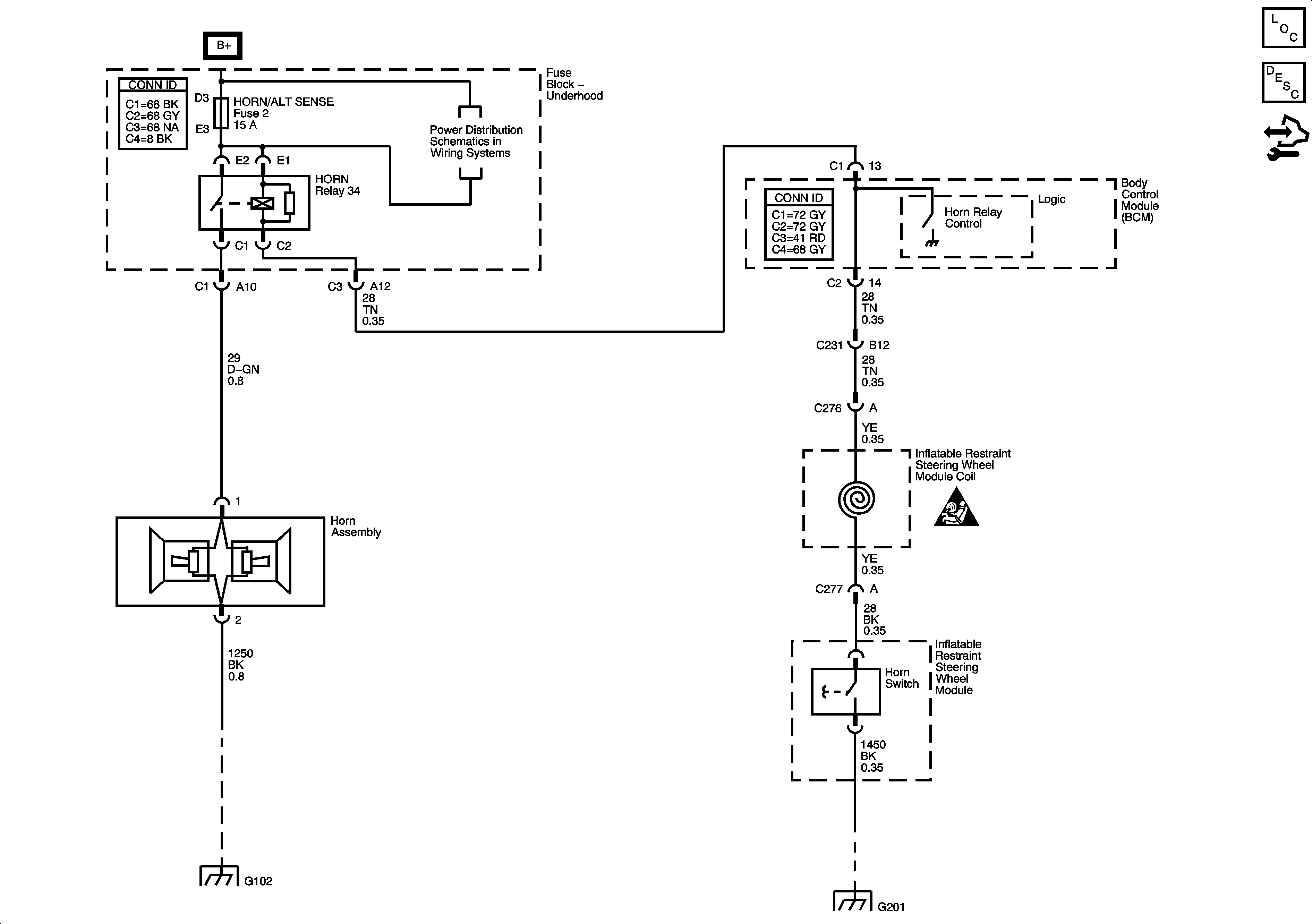
Horns Schematic
Master Electrical Component List
Horns System Description and Operation
Control Module References
Fuse Block-Underhood Fuses; COOL FAN, AMP, HVAC, ABS, MRRTD, ECM/TCM, HORN, BATT2
G102
SIR Caution for Zoning
G201