GM Service Manual Online
For 1990-2009 cars only
Makes
🢒
Chevrolet
🢒
2005
🢒
Corvette
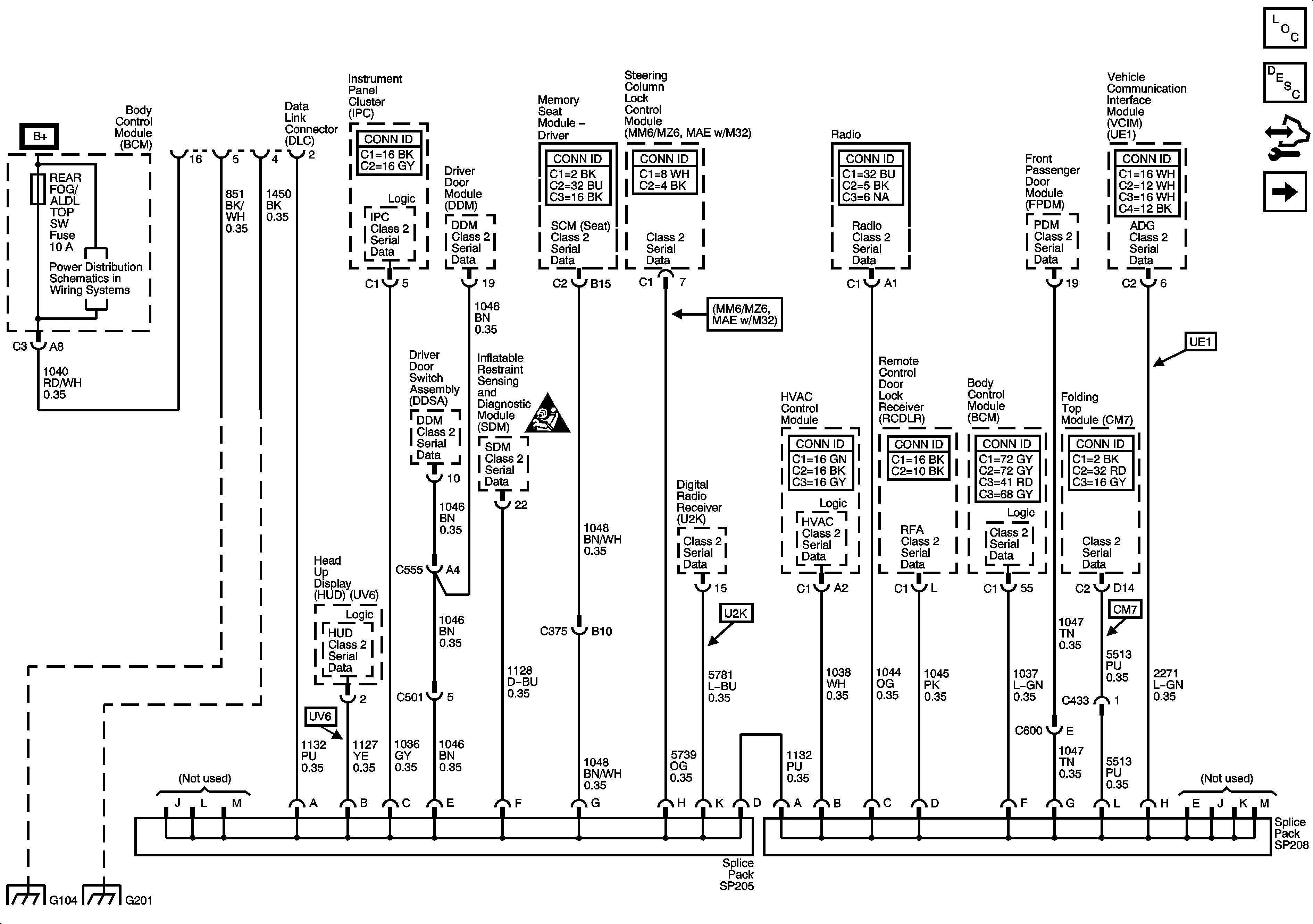
🢒 Class 2
Class 2
Class 2
Master Electrical Component List
Data Link Communications Description and Operation
Control Module References
GMLAN - A/T
Fuse Block-Underhood Fuses; BATT3, STOP/BU/LPS, BCM Fuses; BTSI SOL,COL LOCK, RADIO/S-BAND/VICS, TONNEAU RELEASE, REAR FOG/ALDL TOP SW, REVERSE LAMPS
SIR Caution for Zoning
G104 and G106
G201