GM Service Manual Online
For 1990-2009 cars only
Makes
🢒
Chevrolet
🢒
2005
🢒
Corvette
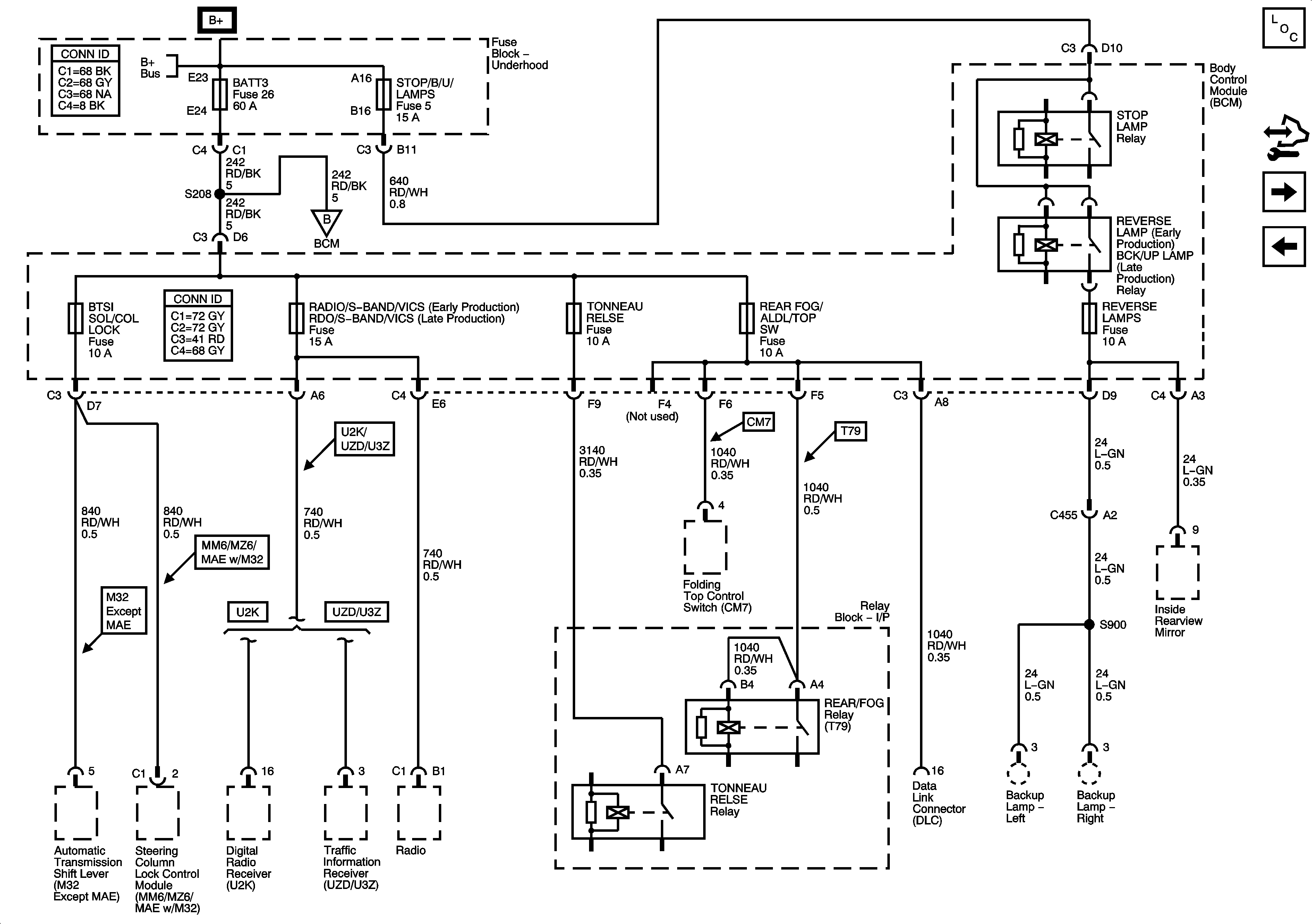
🢒 Fuse Block-Underhood Fuses; BATT3, STOP/BU/LPS, BCM Fuses; BTSI SOL,COL LOCK, RADIO/S-BAND/VICS, TONNEAU RELEASE, REAR FOG/ALDL TOP SW, REVERSE LAMPS
Fuse Block-Underhood Fuses; BATT3, STOP/BU/LPS, BCM Fuses; BTSI SOL,COL LOCK, RADIO/S-BAND/VICS, TONNEAU RELEASE, REAR FOG/ALDL TOP SW, REVERSE LAMPS
Fuse Block-Underhood Fuses; BATT 3, STOP/BU/LPS, BCM Fuses; BTSI SOL,COL LOCK, RADIO/S-BAND/VICS, TONNEAU RELEASE, REAR FOG/ALDL TOP SW, REVERSE LAMPS
Master Electrical Component List
Control Module References
BCM Fuses; CLUSTER, DOOR LOCKS, INTERIOR LIGHTS, HVAC/PWR SND, ISRVM/HVAC, CRUISE SW
Fuse Block-Underhood Fuse; BATT5, BCM Fuses; TILT TELE SW/ MEM SEAT MOD, DRIV DR SW, IGNITION SW/ INTR SENS, ONSTAR, TONNEAU PULLDOWN ACTUATOR
Fuse Block-Underhood Bussing
BCM Fuses; CLUSTER, DOOR LOCKS, INTERIOR LIGHTS, HVAC/PWR SND, ISRVM/HVAC, CRUISE SW