GM Service Manual Online
For 1990-2009 cars only
Makes
🢒
Chevrolet
🢒
2005
🢒
Corvette
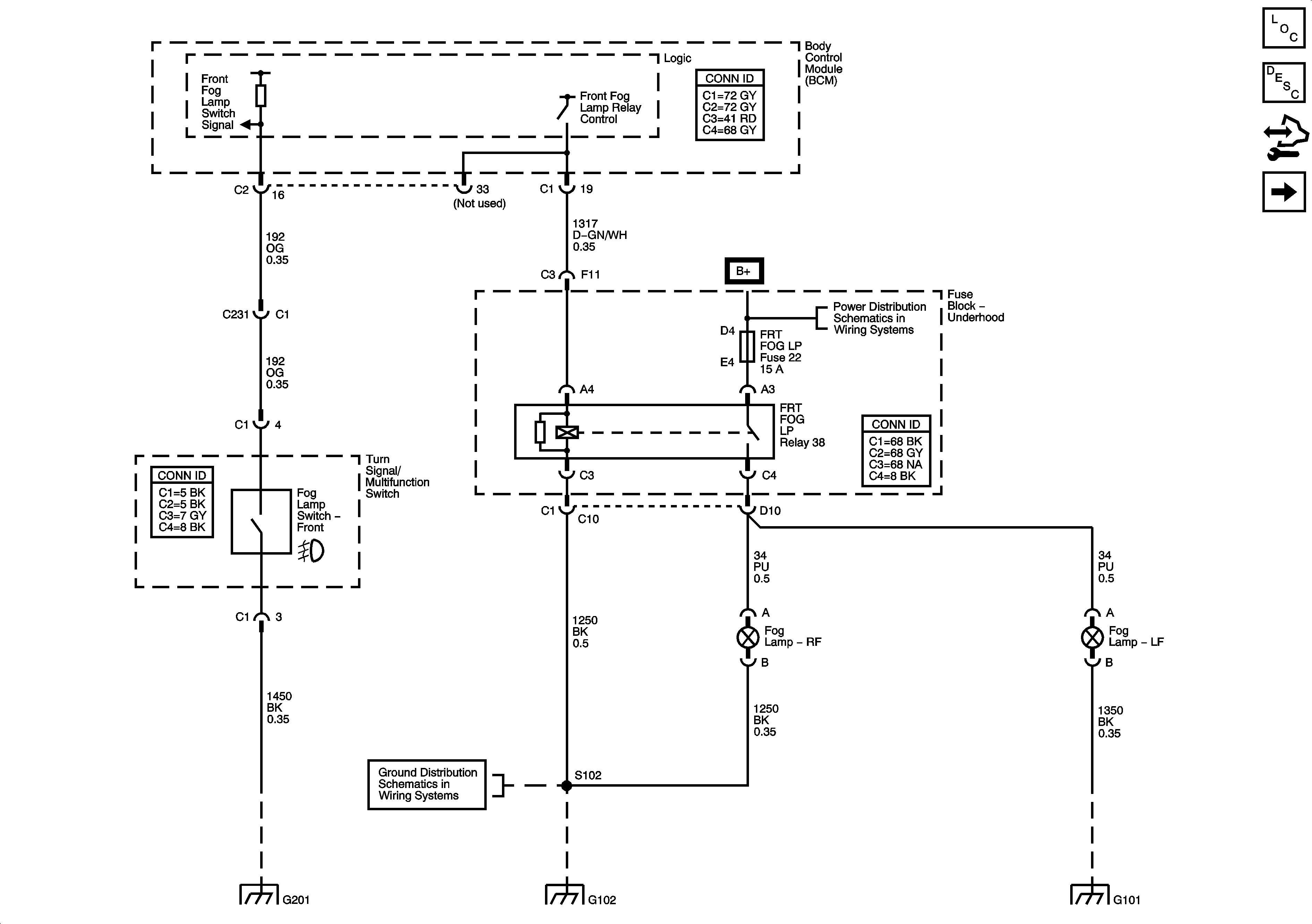
🢒 Front Fog Lamps
Front Fog Lamps
Front
Master Electrical Component List
Exterior Lighting Systems Description and Operation
Control Module References
Rear Fog Lamps (Europe)
Fuse Block-Underhood Bussing
G102
G201
G102
G101