GM Service Manual Online
For 1990-2009 cars only
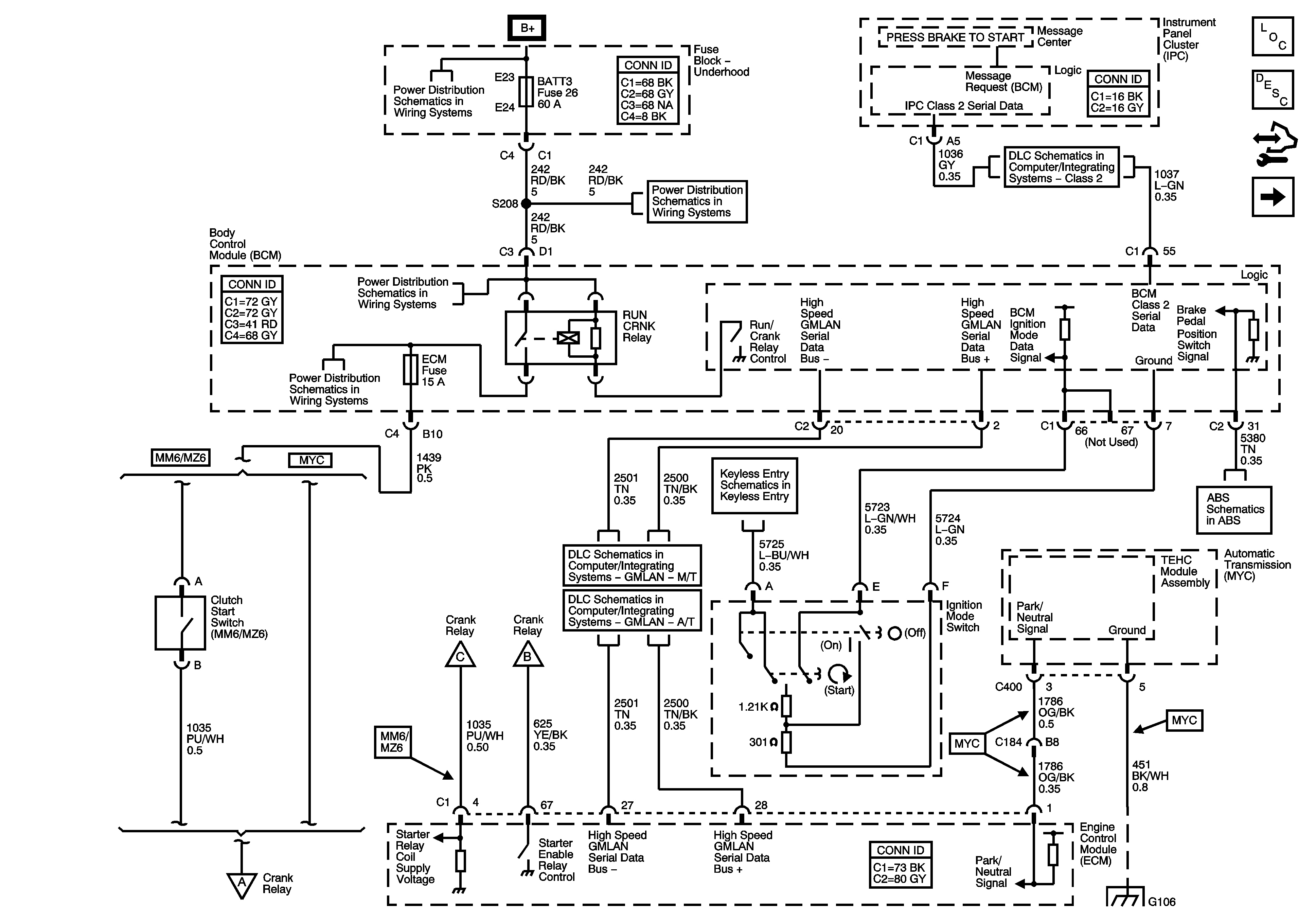
Figure 1:

Cranking 1 of 2


Object Number: 1676740  Size: FS
Master Electrical Component List
Starting System Description and Operation
Control Module References
Cranking, 2 of 2
Fuse Block - Underhood BATT3 and STOP/B/U/LAMPS Fuses, BCM Fuses: BTSI SOL/COL LOCK, RDO/S-BAND/VICS, REAR FOG/ALDL/TOP SW, REVERSE LAMPS and TONNEAU RELSE and BCK/UP LAMP and STOP LAMP Relays
Fuse Block - Underhood BATT3 and STOP/B/U/LAMPS Fuses, BCM Fuses: BTSI SOL/COL LOCK, RDO/S-BAND/VICS, REAR FOG/ALDL/TOP SW, REVERSE LAMPS and TONNEAU RELSE and BCK/UP LAMP and STOP LAMP Relays
Class 2
BCM Fuses: CLSTR/HUD, CRUISE SW, CTSY/LAMP, DR LCK, EXH MOD, HVAC/PWR SND, ISRVM/HVAC and RUN CRNK Relay
BCM Fuses: ECM, HTD SEAT/WPR RELAYS, GM LAN RUN/CRNK, and SDM/AOS AIRBAG, Fuse Block - Underhood ABS/MRRTD and TCM/TRANS Fuses and WIPER RUN/ACC Relay
Keyless Entry Schematics
Brake Pedal Signal and Traction Control Switch
GMLAN - M/T
GMLAN - A/T
Cranking, 2 of 2
Cranking, 2 of 2
G302, G401, and G402
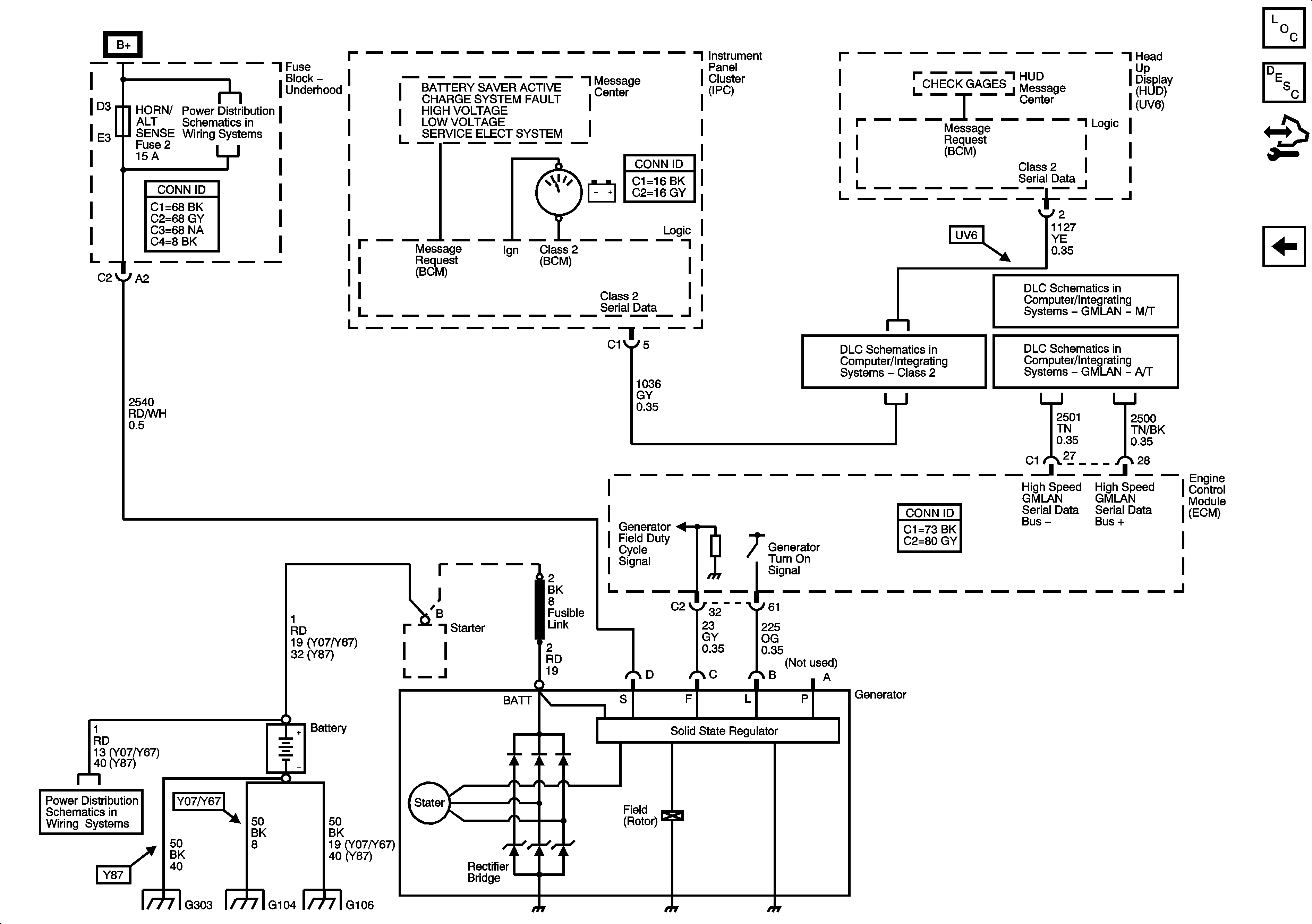
Figure 2:

Cranking 2 of 2


Object Number: 1676746  Size: FS
Master Electrical Component List
Starting System Description and Operation
Control Module References
Charging
Cranking, 1 of 2
Fuse Block - Underhood Bussing
Cranking, 1 of 2
Fuse Block - Underhood Bussing
G104, G106, and G303
Cranking, 1 of 2
DLC, Ground, MIL and Power
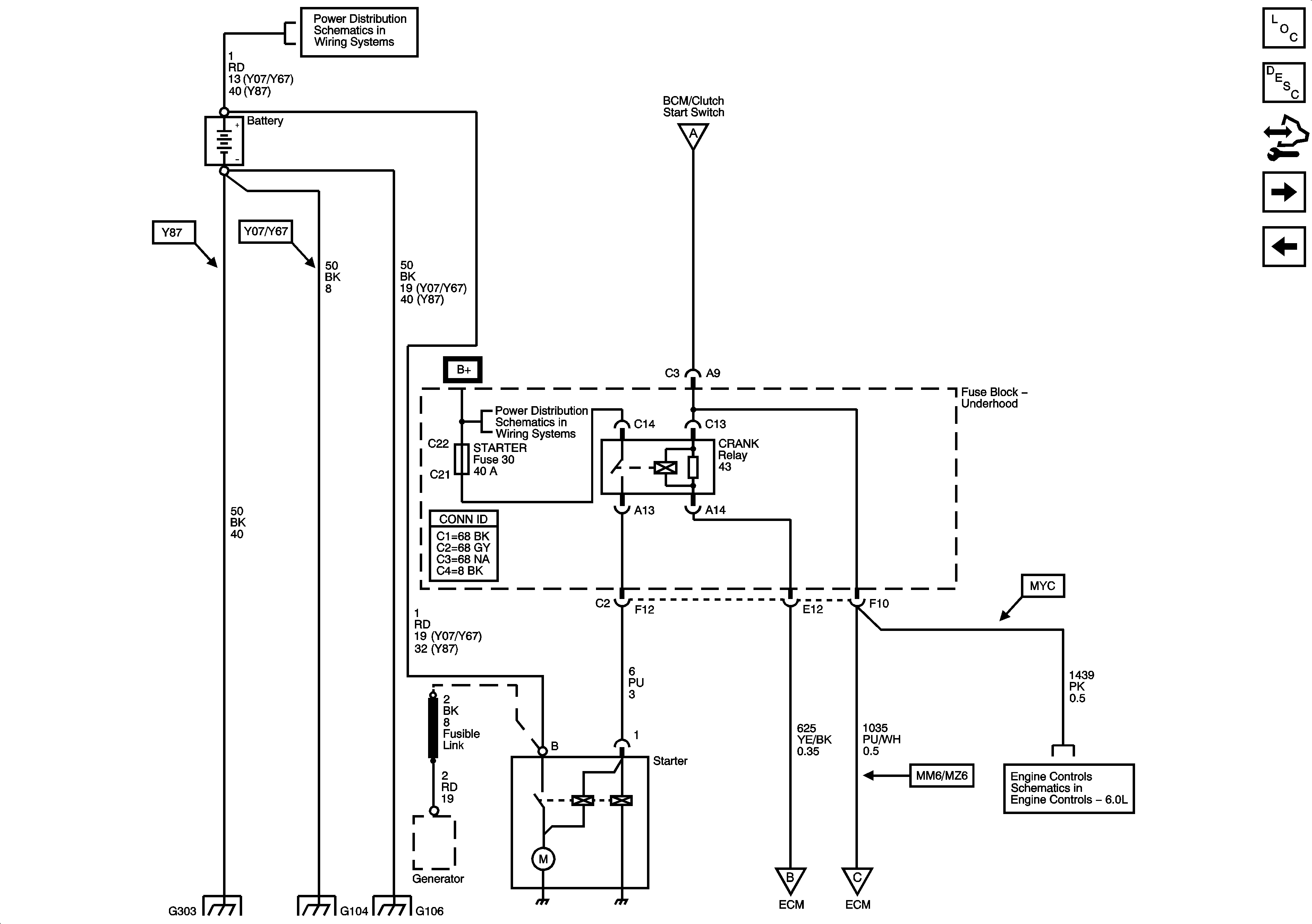
Figure 3:

Charging


Object Number: 1676751  Size: FS
Master Electrical Component List
Charging System Description and Operation
Control Module References
Cranking, 2 of 2
Fuse Block - Underhood ABS, AMP, BATT2, COOLFAN, ECM/TCM/EASY KEY, HORN/ALT SENSE, HVAC, and MRRTD Fuses
Class 2
GMLAN - M/T
GMLAN - A/T
Fuse Block - Underhood Bussing
G104, G106, and G303