GM Service Manual Online
For 1990-2009 cars only
Makes
🢒
Chevrolet
🢒
2006
🢒
Corvette
🢒
Vehicle Control Systems
🢒
Vehicle DTC Information
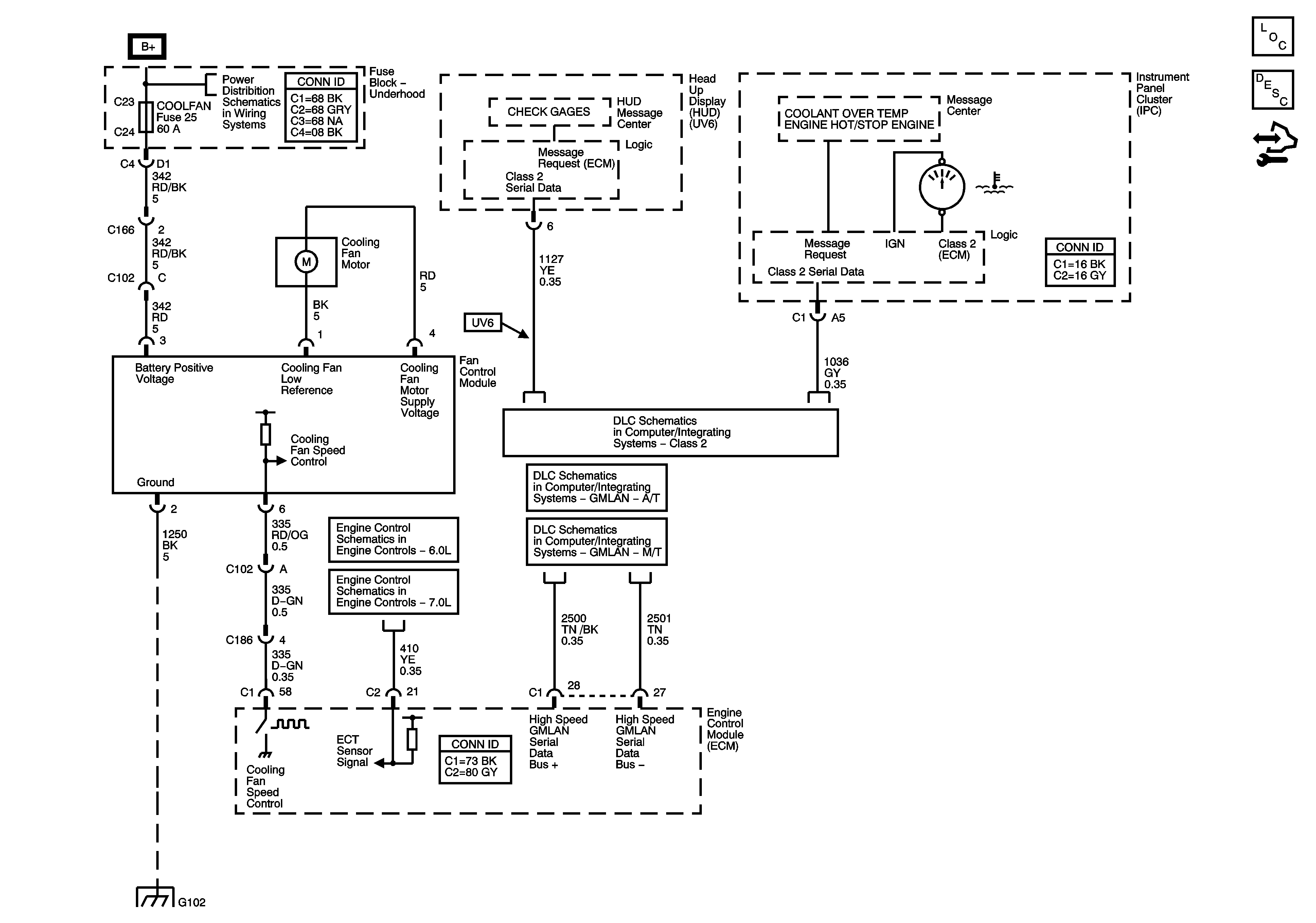
🢒 Engine Cooling Schematics
Master Electrical Component List
Cooling System Description and Operation
Control Module References
Fuse Block - Underhood ABS, AMP, BATT2, COOLFAN, ECM/TCM/EASY KEY, HORN/ALT SENSE, HVAC, and MRRTD Fuses
Class 2
GMLAN - A/T
GMLAN - M/T
Engine Data Sensors - Pressure, Temperature, IAT/MAF, VSS and Brake Travel
Engine Data Sensors - Pressure, Temperature, MAF, VSS, and Extended Brake Travel
G102