GM Service Manual Online
For 1990-2009 cars only
Makes
🢒
Chevrolet
🢒
2006
🢒
Corvette
🢒
Accessories
🢒
Entertainment
🢒 Radio/Audio System Schematics
Figure
1:
Power, Ground, DLC, Audio Amplifier, Radio and Audio Signals (US8&U66)
Master Electrical Component List
Radio/Audio System Description and Operation
Control Module References
Speakers (U66)
Fuse Block - Underhood Bussing
Fuse Block - Underhood BATT3 and STOP/B/U/LAMPS Fuses, BCM Fuses: BTSI SOL/COL LOCK, RDO/S-BAND/VICS, REAR FOG/ALDL/TOP SW, REVERSE LAMPS and TONNEAU RELSE and BCK/UP LAMP and STOP LAMP Relays
Class 2
Entertainment Schematic Icons
Entertainment Schematic Icons
Power, Ground, DLC, Audio Amplifier, Radio, Audio Signals and Front Speakers (U65)
G104, G106, and G303
Figure
2:
Speakers (U66)
Master Electrical Component List
Radio/Audio System Description and Operation
Control Module References
Power, Ground, DLC, Audio Amplifier, Radio, Audio Signals and Front Speakers (U65)
Power, Ground, DLC, Audio Amplifier, Radio and Audio Signals (US8 and U66)
Entertainment Schematic Icons
Figure
3:
Power, Ground, DLC, Audio Amplifier, Radio, Audio Signals and Front Speakers (U65)
Master Electrical Component List
Radio/Audio System Description and Operation
Control Module References
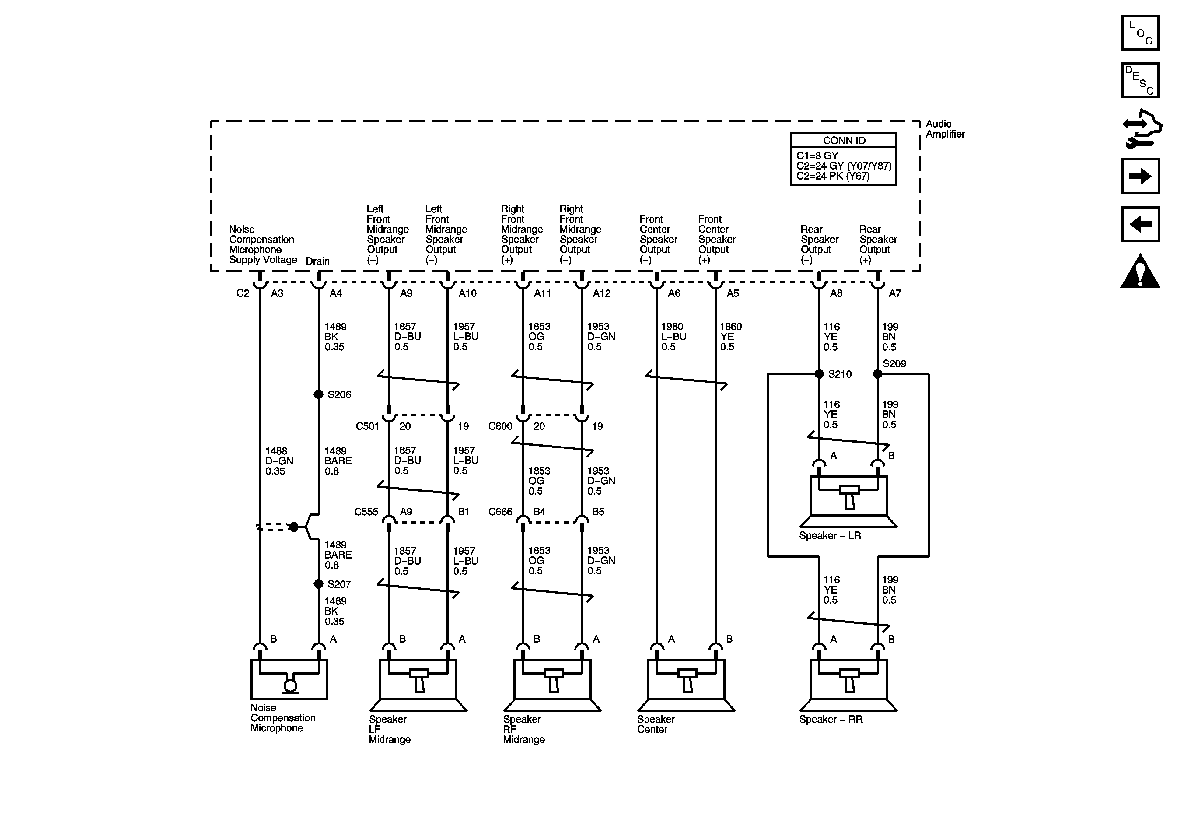
Speakers and Noise Compensation Microphone (U65)
Speakers (U66)
Fuse Block - Underhood Bussing
Gages
Fuse Block - Underhood BATT3 and STOP/B/U/LAMPS Fuses, BCM Fuses: BTSI SOL/COL LOCK, RDO/S-BAND/VICS, REAR FOG/ALDL/TOP SW, REVERSE LAMPS and TONNEAU RELSE and BCK/UP LAMP and STOP LAMP Relays
Class 2
Entertainment Schematic Icons
Entertainment Schematic Icons
Power, Ground, DLC, Audio Amplifier, Radio and Audio Signals (US8 and U66)
Entertainment Schematic Icons
Switches (CM7)
Entertainment Schematic Icons
G104, G106, and G303
G104, G106, and G303
Figure
4:
Speakers and Noise Compensation Microphone (U65)
Master Electrical Component List
Radio/Audio System Description and Operation
Control Module References
Antennas except U2K, References to Navigation and OnStar
Power, Ground, DLC, Audio Amplifier, Radio, Audio Signals and Front Speakers (U65)
Entertainment Schematic Icons
Figure
5:
Antennas except U2K, References to Navigation and Onstar
Master Electrical Component List
Radio/Audio System Description and Operation
Control Module References
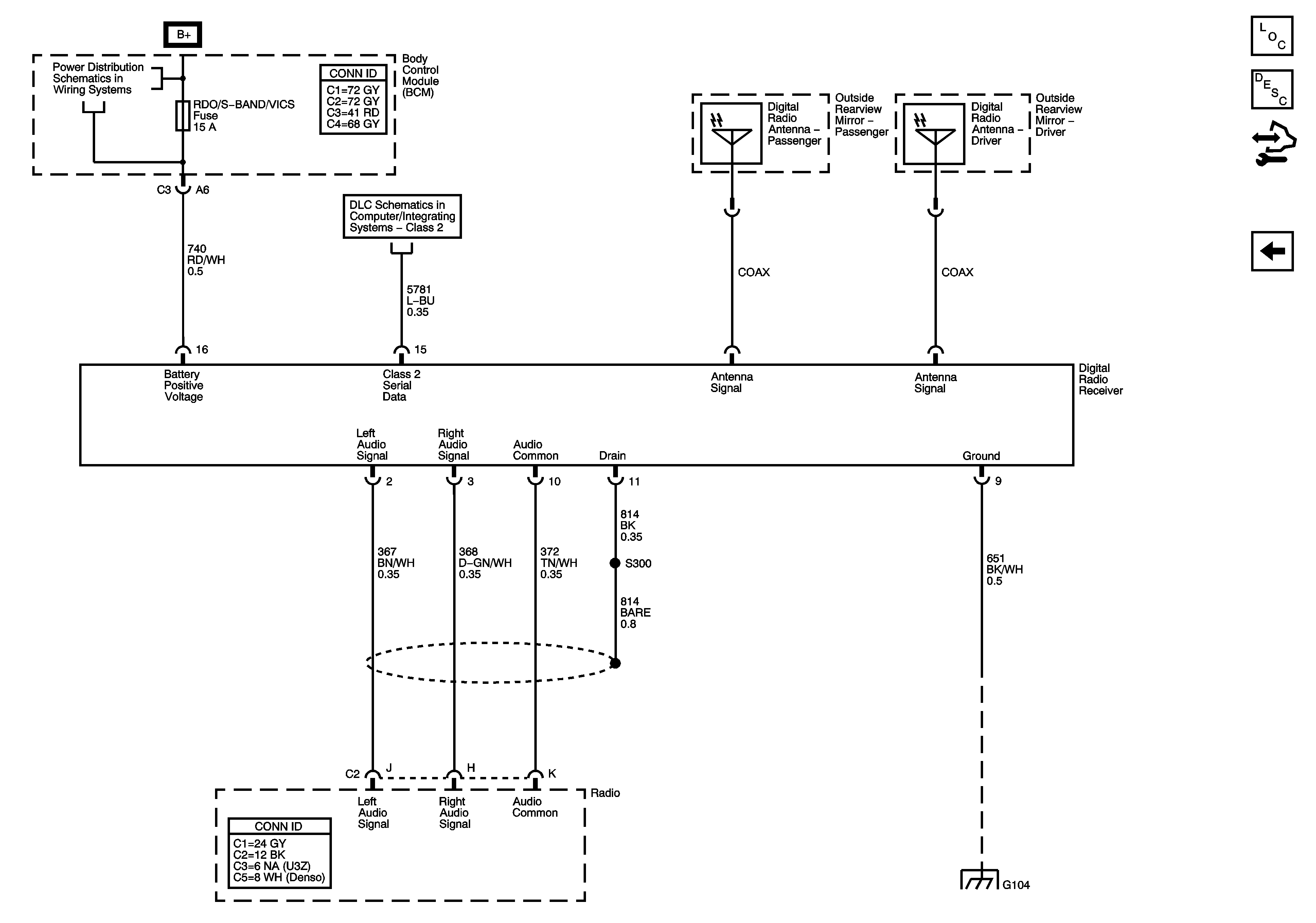
Digital Radio Receiver (U2K)
Speakers and Noise Compensation Microphone (U65)
Except Japan
Audio Output
Japan (UZD)
Power, Ground, DLC, Audio Amplifier, Radio, Audio Signals and Front Speakers (U65)
Figure
6:
Digital Radio Receiver (U2K)
Master Electrical Component List
Radio/Audio System Description and Operation
Control Module References
Antennas except U2K, References to Navigation and OnStar
Fuse Block - Underhood BATT3 and STOP/B/U/LAMPS Fuses, BCM Fuses: BTSI SOL/COL LOCK, RDO/S-BAND/VICS, REAR FOG/ALDL/TOP SW, REVERSE LAMPS and TONNEAU RELSE and BCK/UP LAMP and STOP LAMP Relays
Class 2
G104, G106, and G303