GM Service Manual Online
For 1990-2009 cars only
Makes
🢒
Chevrolet
🢒
2006
🢒
Corvette
🢒 Blower Controls, DLC, Ground, MIL, Power and Subsystem References
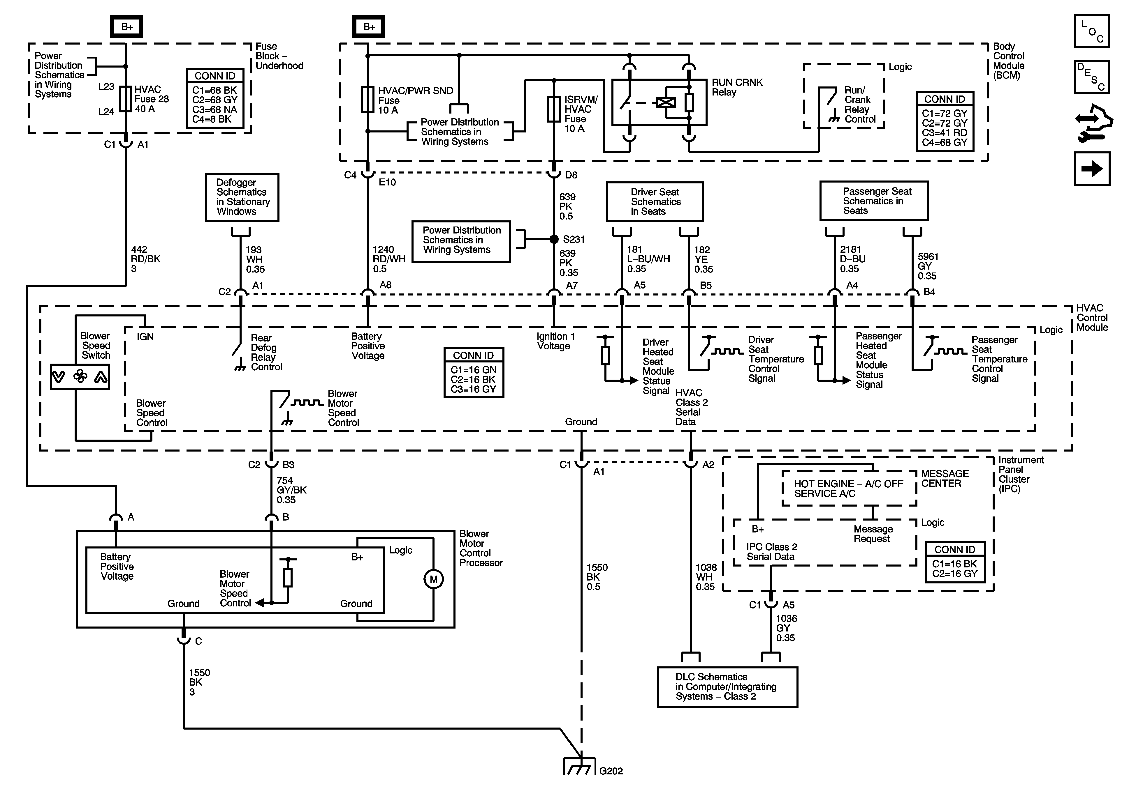
Blower Controls, DLC, Ground, MIL, Power and Subsystem References
Blower Controls, DLC, Ground, Power, and Subsystem References
Master Electrical Component List
Air Delivery Description and Operation
Control Module References
Compressor Controls
Fuse Block - Underhood ABS, AMP, BATT2, COOLFAN, ECM/TCM/EASY KEY, HORN/ALT SENSE, HVAC, and MRRTD Fuses
BCM Fuses: CLSTR/HUD, CRUISE SW, CTSY/LAMP, DR LCK, EXH MOD, HVAC/PWR SND, ISRVM/HVAC and RUN CRNK Relay
BCM Fuses: CLSTR/HUD, CRUISE SW, CTSY/LAMP, DR LCK, EXH MOD, HVAC/PWR SND, ISRVM/HVAC and RUN CRNK Relay
Defogger Schematics
Heated Seat (KA1)
Heated Seat (KA1)
G202, 1 of 2
Class 2