GM Service Manual Online
For 1990-2009 cars only
Makes
🢒
Chevrolet
🢒
2006
🢒
Corvette
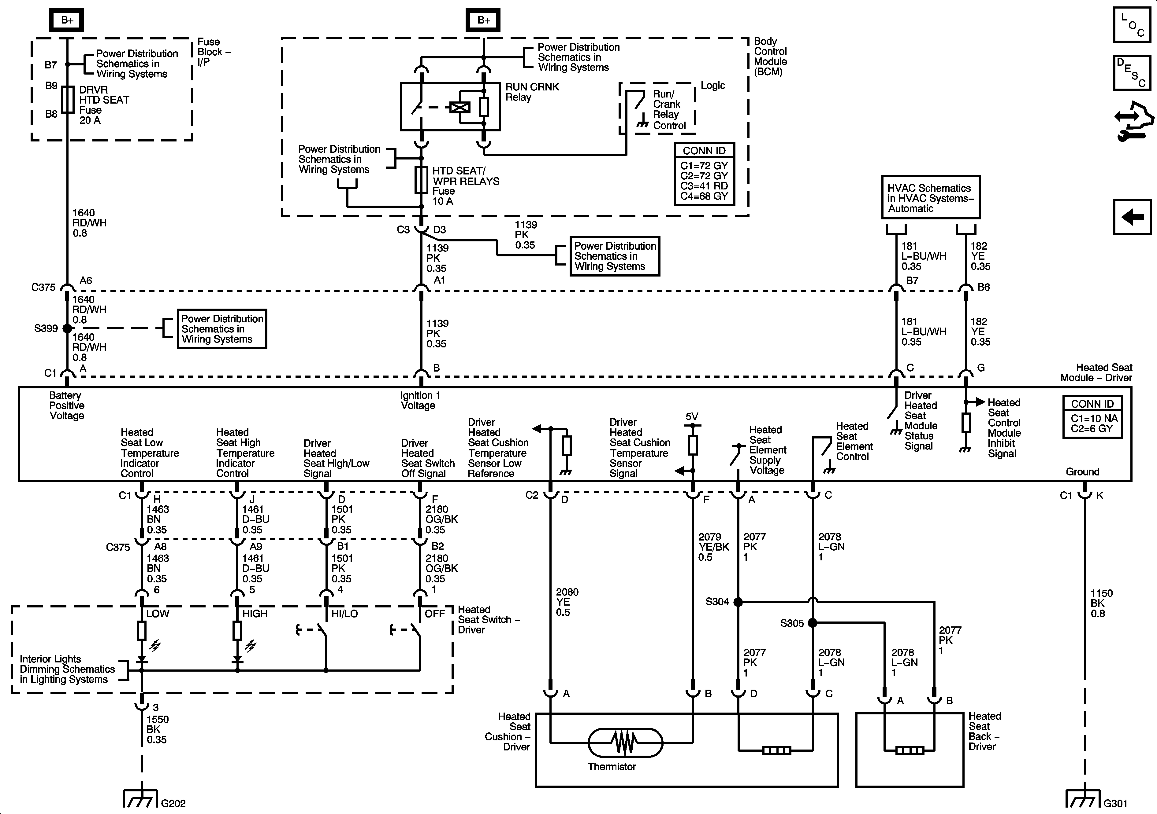
🢒 Heated Seat (KA1)
Heated Seat (KA1)
Heated Seat (KA1)
Master Electrical Component List
Power Seats System Description and Operation
Control Module References
Lumbar Support
Fuse Block - Underhood BATT1 Fuse, Fuse Block - I/P, DRVR HTD SEAT, and PASS HTD SEAT Fuses, PWR SEATS MEMORY SEATS and PRW/WNDWS TRUNK/FUEL RELSE Circuit Breakers
BCM Fuses: CLSTR/HUD, CRUISE SW, CTSY/LAMP, DR LCK, EXH MOD, HVAC/PWR SND, ISRVM/HVAC and RUN CRNK Relay
BCM Fuses: ECM, HTD SEAT/WPR RELAYS, GM LAN RUN/CRNK, and SDM/AOS AIRBAG, Fuse Block - Underhood ABS/MRRTD and TCM/TRANS Fuses and WIPER RUN/ACC Relay
BCM Fuses: ECM, HTD SEAT/WPR RELAYS, GM LAN RUN/CRNK, and SDM/AOS AIRBAG, Fuse Block - Underhood ABS/MRRTD and TCM/TRANS Fuses and WIPER RUN/ACC Relay
Blower Controls, DLC, Ground, MIL, Power and Subsystem References
Fuse Block - Underhood BATT1 Fuse, Fuse Block - I/P, DRVR HTD SEAT, and PASS HTD SEAT Fuses, PWR SEATS MEMORY SEATS and PRW/WNDWS TRUNK/FUEL RELSE Circuit Breakers
DLC, HVAC Control Module, Radio and Switches
G202, 1 of 2
G301