GM Service Manual Online
For 1990-2009 cars only

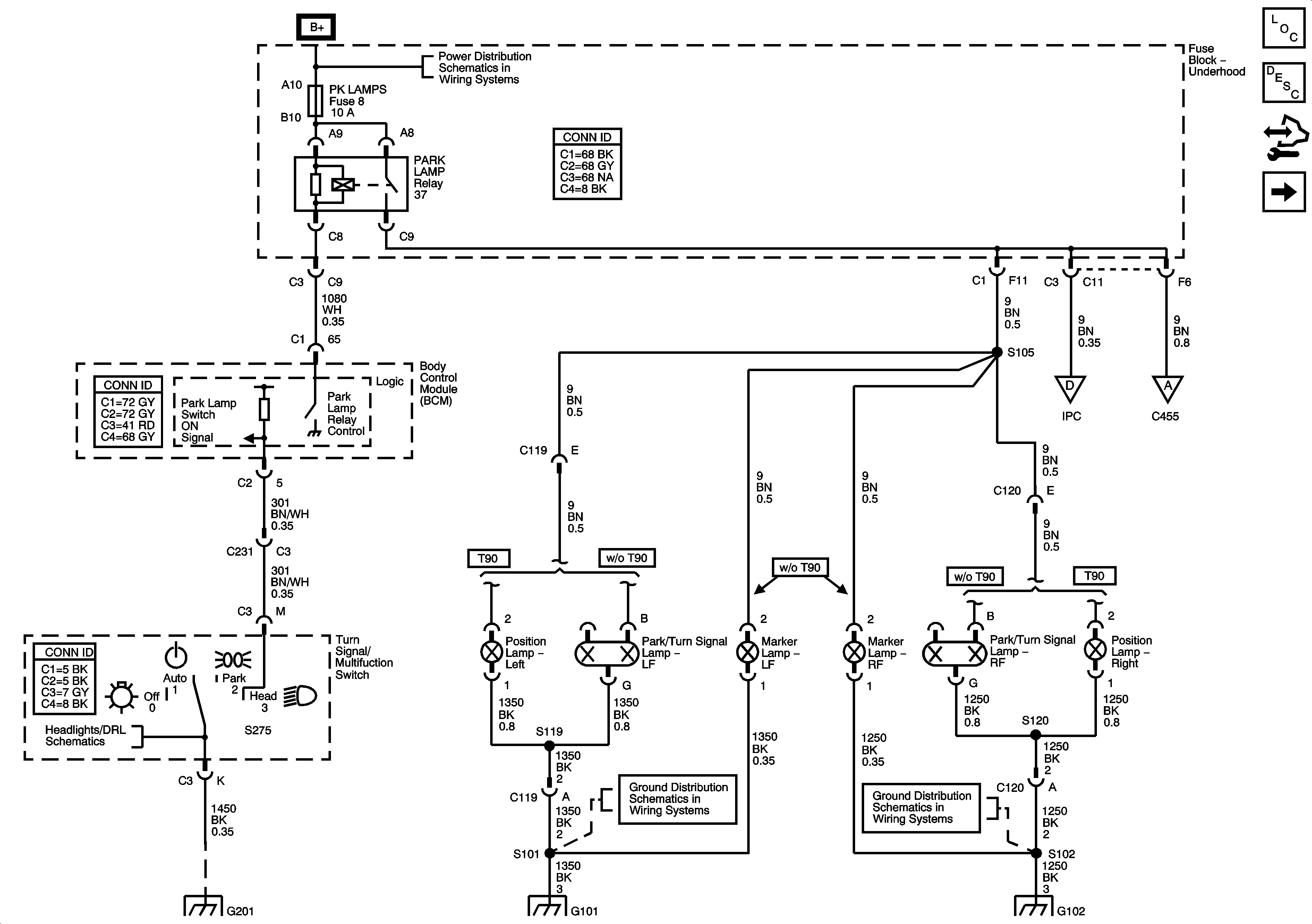
Park Lamp Control, Front Marker, Park and Position Lamps

Park Lamp Control, Front Marker, Park and Position Lamps


Object Number: 1688346  Size: FS
Master Electrical Component List
Exterior Lighting Systems Description and Operation
Control Module References
Rear License, Marker, and Park Lamps
Fuse Block - Underhood Bussing
Hazard, Stop Lamps, and Turn Signal Inputs
Rear License, Marker, and Park Lamps
Headlamp/DRL Controls
G201
G101
G102
G101
G102