GM Service Manual Online
For 1990-2009 cars only
Makes
🢒
Chevrolet
🢒
2006
🢒
Corvette
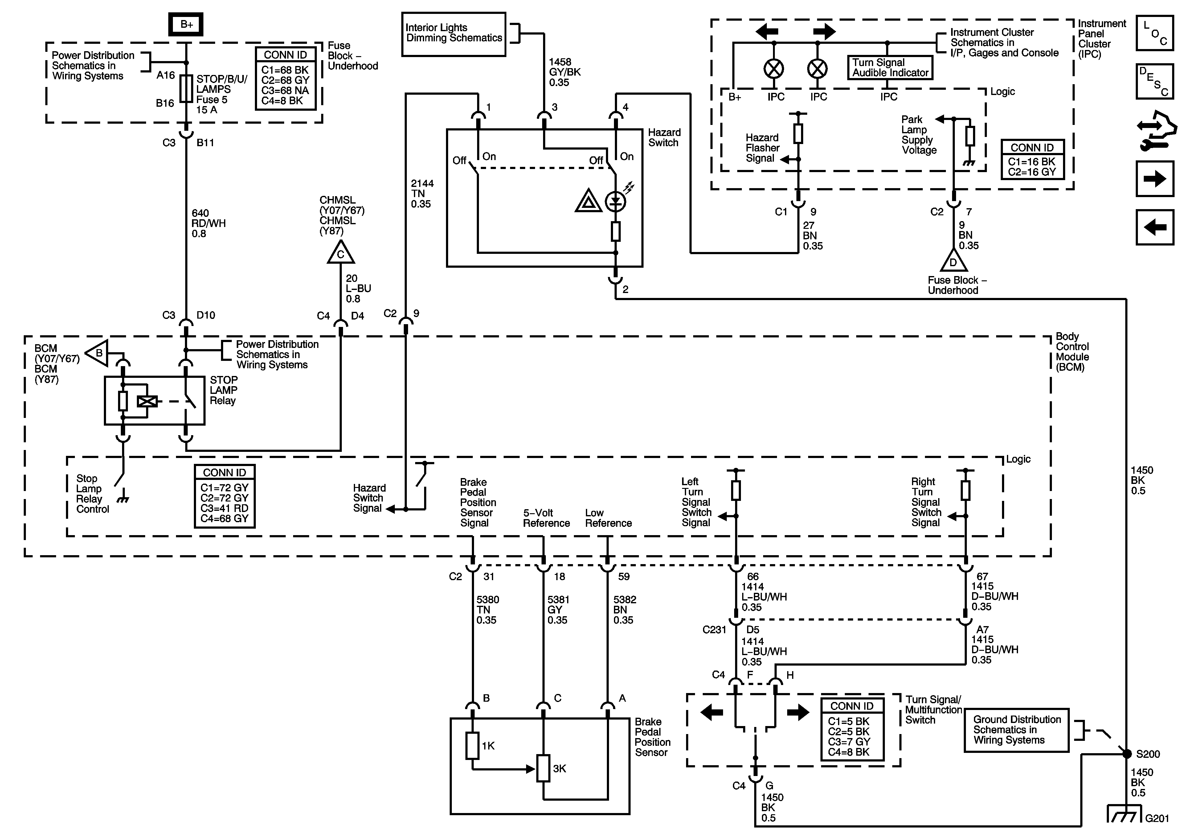
🢒 Hazard, Stop Lamps, and Turn Signal Inputs
Hazard, Stop Lamps, and Turn Signal Inputs
Hazard, Stop Lamps, and Turn Signal Inputs
Master Electrical Component List
Exterior Lighting Systems Description and Operation
Control Module References
Hazard, Stop Lamps, and Turn Signal Outputs (Y07/Y67)
Rear License, Marker, and Park Lamps
Fuse Block - Underhood BATT3 and STOP/B/U/LAMPS Fuses, BCM Fuses: BTSI SOL/COL LOCK, RDO/S-BAND/VICS, REAR FOG/ALDL/TOP SW, REVERSE LAMPS and TONNEAU RELSE and BCK/UP LAMP and STOP LAMP Relays
DLC, HVAC Control Module, Radio and Switches
DLC, Ground, Indicators and Power
Hazard, Stop Lamps, and Turn Signal Outputs (Y07/Y67)
Hazard, Stop Lamps, and Turn Signal Outputs (Y87)
Park Lamp Control, Front Marker, Park and Position Lamps
Hazard, Stop Lamps, and Turn Signal Outputs (Y07/Y67)
Hazard, Stop Lamps, and Turn Signal Outputs (Y87)
Fuse Block - Underhood BATT3 and STOP/B/U/LAMPS Fuses, BCM Fuses: BTSI SOL/COL LOCK, RDO/S-BAND/VICS, REAR FOG/ALDL/TOP SW, REVERSE LAMPS and TONNEAU RELSE and BCK/UP LAMP and STOP LAMP Relays
G201
G201