GM Service Manual Online
For 1990-2009 cars only
Makes
🢒
Chevrolet
🢒
2006
🢒
Corvette
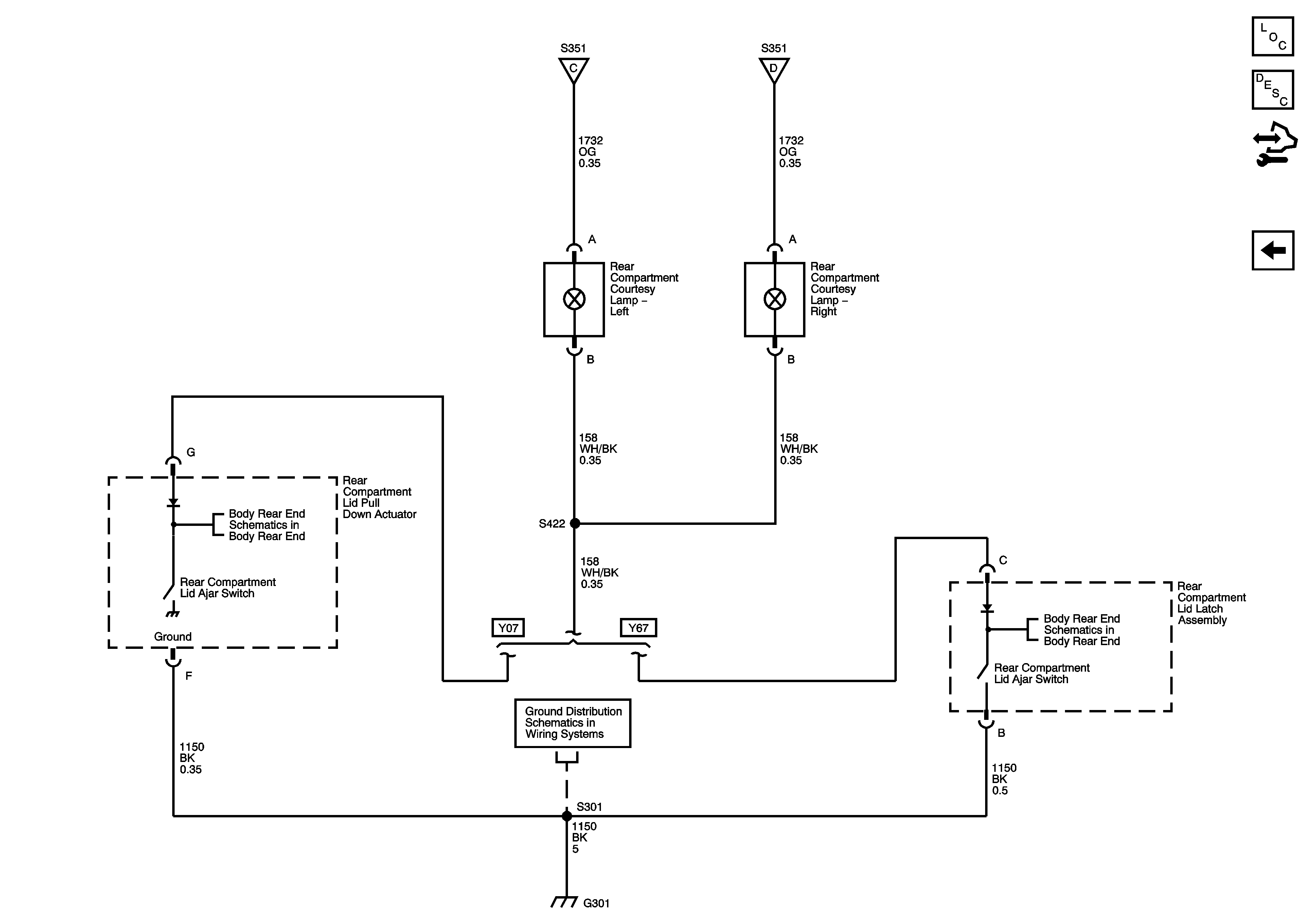
🢒 Rear Compartment Courtesy Lamps
Rear Compartment Courtesy Lamps
Rear Compartment Courtesy Lamps
Master Electrical Component List
Interior Lighting Systems Description and Operation
Control Module References
Passenger Compartment Lamps
Passenger Compartment Lamps
Passenger Compartment Lamps
Coupe (Y07)
Convertible (Y67/Y87)
G301
G301