GM Service Manual Online
For 1990-2009 cars only
Makes
🢒
Chevrolet
🢒
2006
🢒
Corvette
🢒 Inside Rearview Mirror Schematics
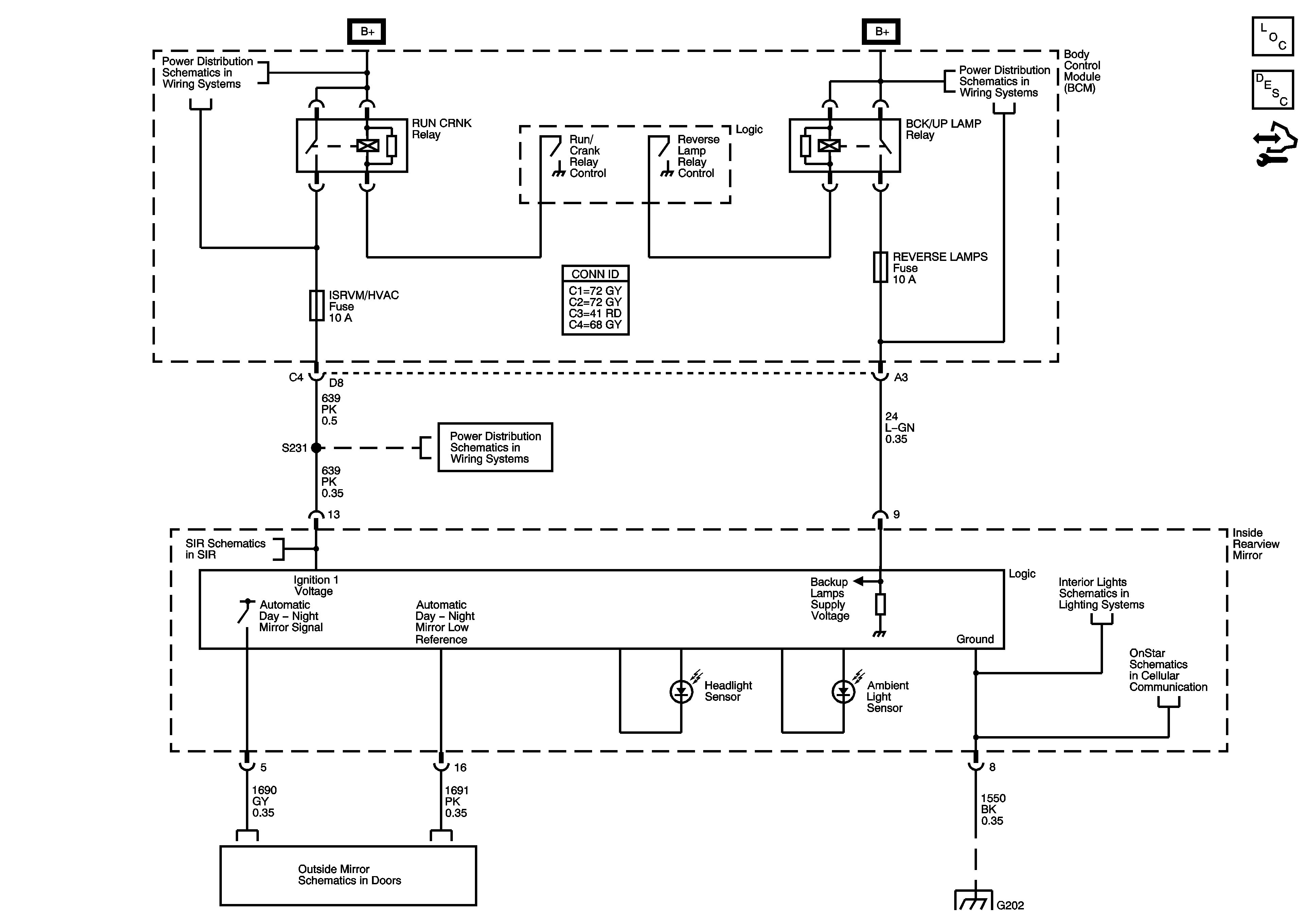
Inside Rearview Mirror Schematics
Master Electrical Component List
Automatic Day-Night Mirror Description and Operation
Control Module References
BCM Fuses: CLSTR/HUD, CRUISE SW, CTSY/LAMP, DR LCK, EXH MOD, HVAC/PWR SND, ISRVM/HVAC and RUN CRNK Relay
Fuse Block - Underhood BATT3 and STOP/B/U/LAMPS Fuses, BCM Fuses: BTSI SOL/COL LOCK, RDO/S-BAND/VICS, REAR FOG/ALDL/TOP SW, REVERSE LAMPS and TONNEAU RELSE and BCK/UP LAMP and STOP LAMP Relays
BCM Fuses: CLSTR/HUD, CRUISE SW, CTSY/LAMP, DR LCK, EXH MOD, HVAC/PWR SND, ISRVM/HVAC and RUN CRNK Relay
Passenger Presence System (PPS)
Passenger Compartment Lamps
Antenna, DLC, Ground, Power and User Inputs
Light Sensative and Heated Mirrors
G202, 1 of 2