GM Service Manual Online
For 1990-2009 cars only
Makes
🢒
Chevrolet
🢒
2006
🢒
Corvette
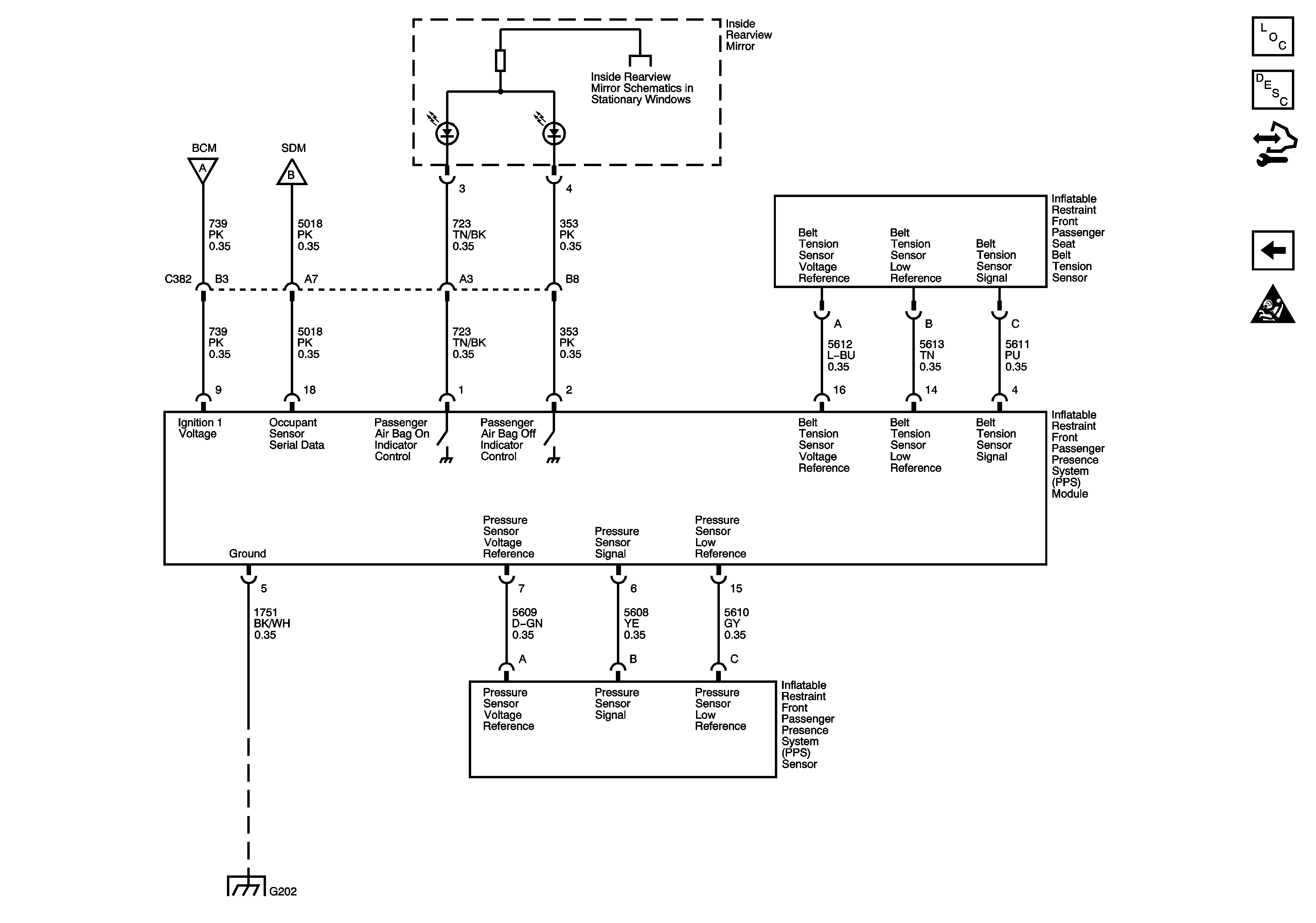
🢒 Passenger Presence System (PPS)
Passenger Presence System (PPS)
Passenger Presence System (PPS)
Master Electrical Component List
SIR System Description and Operation
Control Module References
Deployment Loops
SIR Caution for Zoning
Inside Rearview Mirror Schematics
Ground, Indicator, Power, Sensors and Switches
G202, 1 of 2