GM Service Manual Online
For 1990-2009 cars only

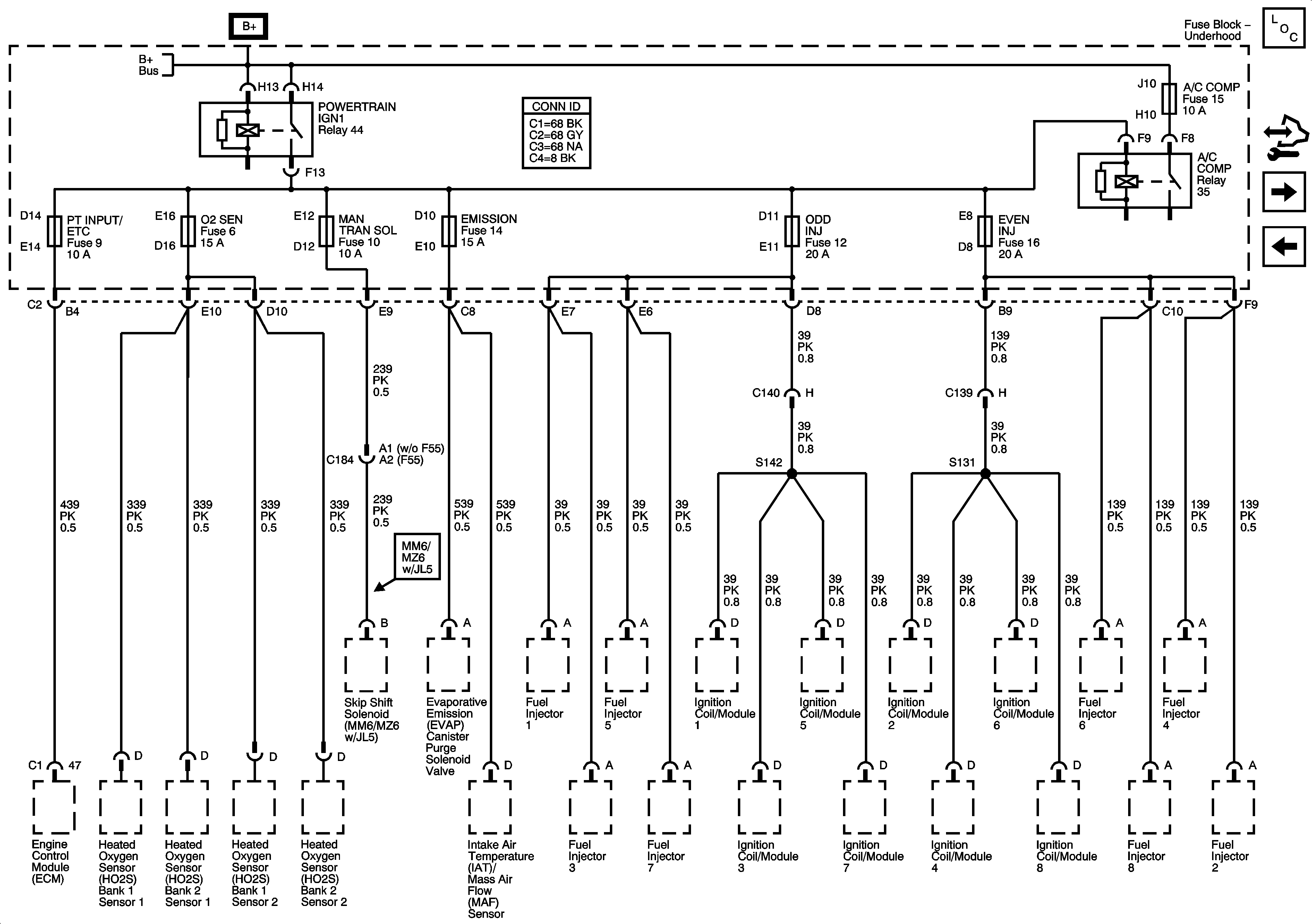
Fuse Block - Underhood A/C COMP, EMISSION, EVEN INJ, MAN TRAN SOL, 02 SEN, ODD INJ, and PT INPUT/ETC Fuses, A/C COMP and POWERTRAIN IGN1 Relays

Fuse Block - Underhood A/C COMP, EMISSION, EVEN INJ, MAN TRAN SOL, 02 SEN, ODD INJ, and PT INPUT/ETC Fuses, A/C COMP and POWERTRAIN IGN1 Relays


Object Number: 1729293  Size: FS
Master Electrical Component List
Control Module References
Fuse Block-Underhood LT HI BM,LT LO BM,RT HI BM,RT LO BM,WIPER and W/S WASH Fuses,HIGH BEAM,LOW BEAM,WIPER HI/LO,WIPER ON/OFF,WIPER RUN/ACC and W/S WASH Relays,Fuse Block-I/P WPR DWELL and WPR/WASHER
BCM Fuses: ECM, HTD SEAT/WPR RELAYS, GM LAN RUN/CRNK, and SDM/AOS AIRBAG, Fuse Block - Underhood ABS/MRRTD and TCM/TRANS Fuses and WIPER RUN/ACC Relay
Fuse Block - Underhood Bussing