GM Service Manual Online
For 1990-2009 cars only

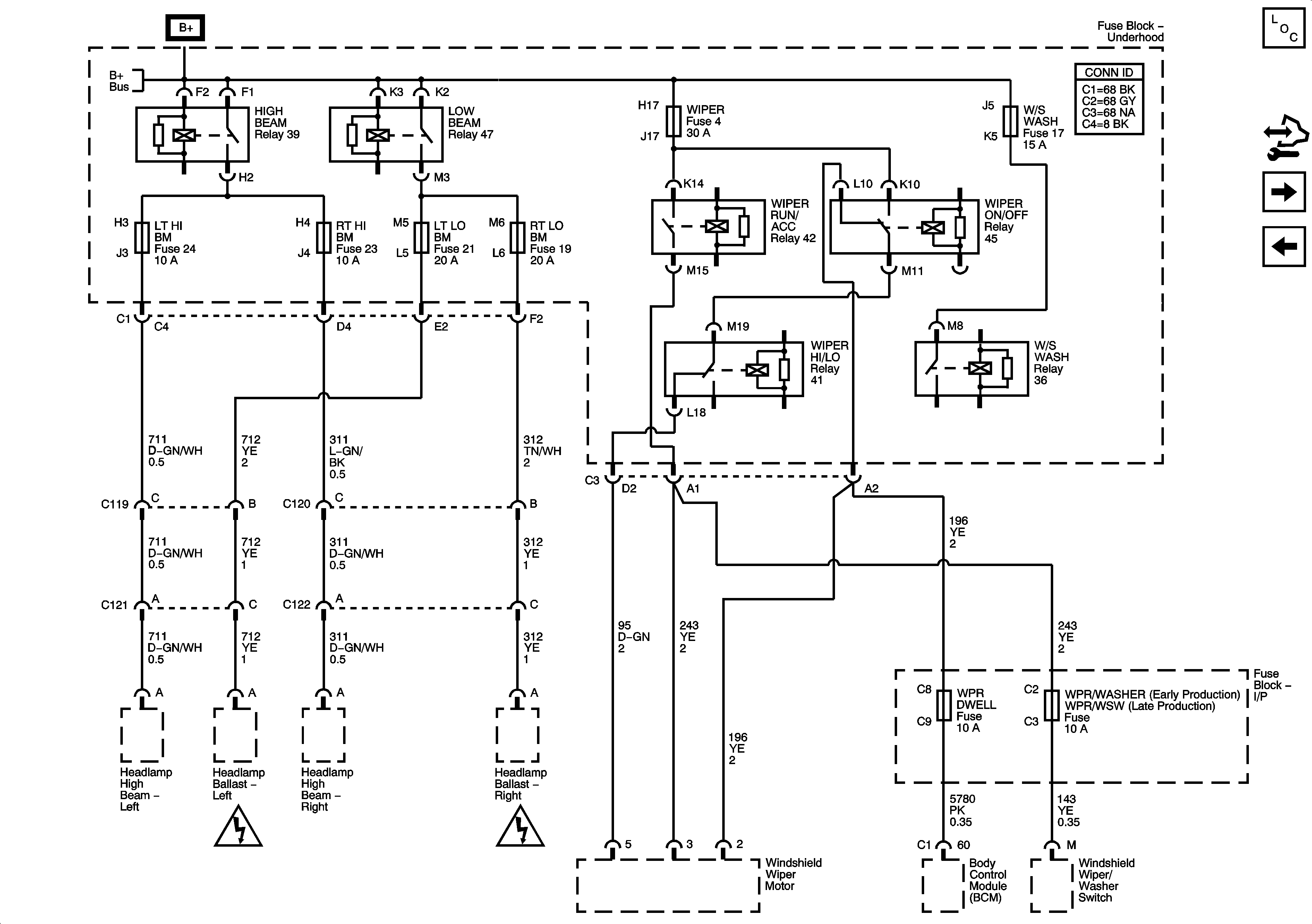
Fuse Block-Underhood LT HI BM,LT LO BM,RT HI BM,RT LO BM,WIPER and W/S WASH Fuses,HIGH BEAM,LOW BEAM,WIPER HI/LO,WIPER ON/OFF,WIPER RUN/ACC and W/S WASH Relays,Fuse Block-I/P WPR DWELL and WPR/WASHER

Fuse Block - Underhood LT HI BM, LT LO BM, RT HI BM, RT LO BM, WIPER, and W/S WASH Fuses, HIGH BEAM, LOW BEAM, WIPER HI/LO, WIPER ON/OFF, WIPER RUN/ACC and W/S WASH Relays, Fuse Block - I/P WPR DWELL and WPR/WASHER Fuses


Object Number: 1853220  Size: FS
Master Electrical Component List
Control Module References
Ignition Modes
Fuse Block - Underhood A/C COMP, EMISSION, EVEN INJ, MAN TRAN SOL, 02 SEN, ODD INJ, and PT INPUT/ETC Fuses, A/C COMP and POWERTRAIN IGN1 Relays
Fuse Block - Underhood Bussing
Power and Grounding Schematic Icons
Power and Grounding Schematic Icons