GM Service Manual Online
For 1990-2009 cars only
Makes
🢒
Chevrolet
🢒
2006
🢒
Corvette
🢒 Ground, Indicator, Power, Sensors and Switches
Ground, Indicator, Power, Sensors and Switches
Ground, Indicator, Power, Sensors and Switches
Master Electrical Component List
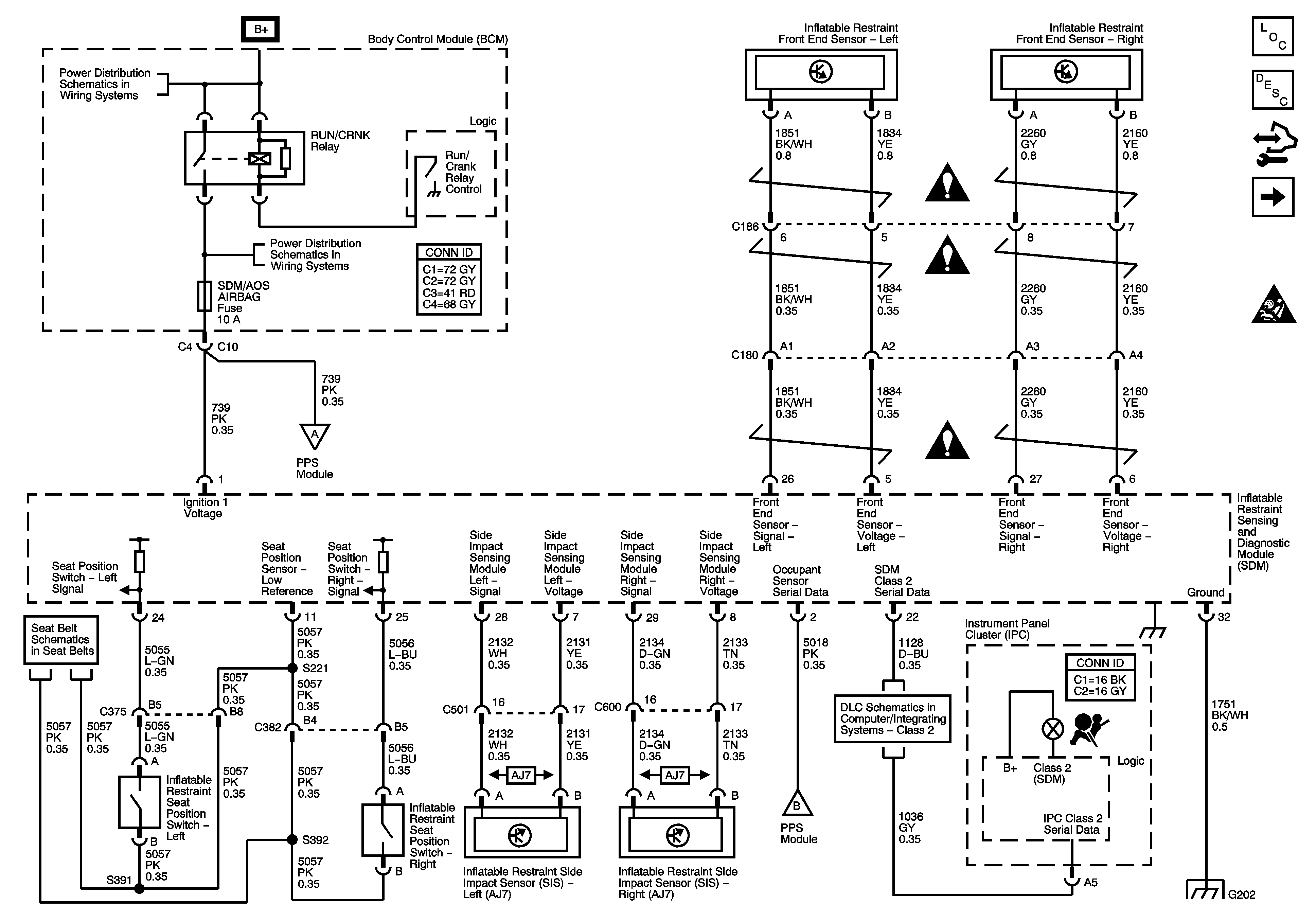
SIR System Description and Operation
Control Module References
Deployment Loops
SIR Caution for Zoning
BCM Fuses: CLSTR/HUD, CRUISE SW, CTSY/LAMP, DR LCK, EXH MOD, HVAC/PWR SND, ISRVM/HVAC and RUN CRNK Relay
BCM Fuses: ECM, HTD SEAT/WPR RELAYS, GM LAN RUN/CRNK, and SDM/AOS AIRBAG, Fuse Block - Underhood ABS/MRRTD and TCM/TRANS Fuses and WIPER RUN/ACC Relay
Passenger Presence System (PPS)
SIR Schematic Icons
SIR Schematic Icons
SIR Schematic Icons
Seat Belt Schematics
Passenger Presence System (PPS)
Class 2
G202, 1 of 2