GM Service Manual Online
For 1990-2009 cars only
Makes
🢒
Chevrolet
🢒
2007
🢒
Corvette
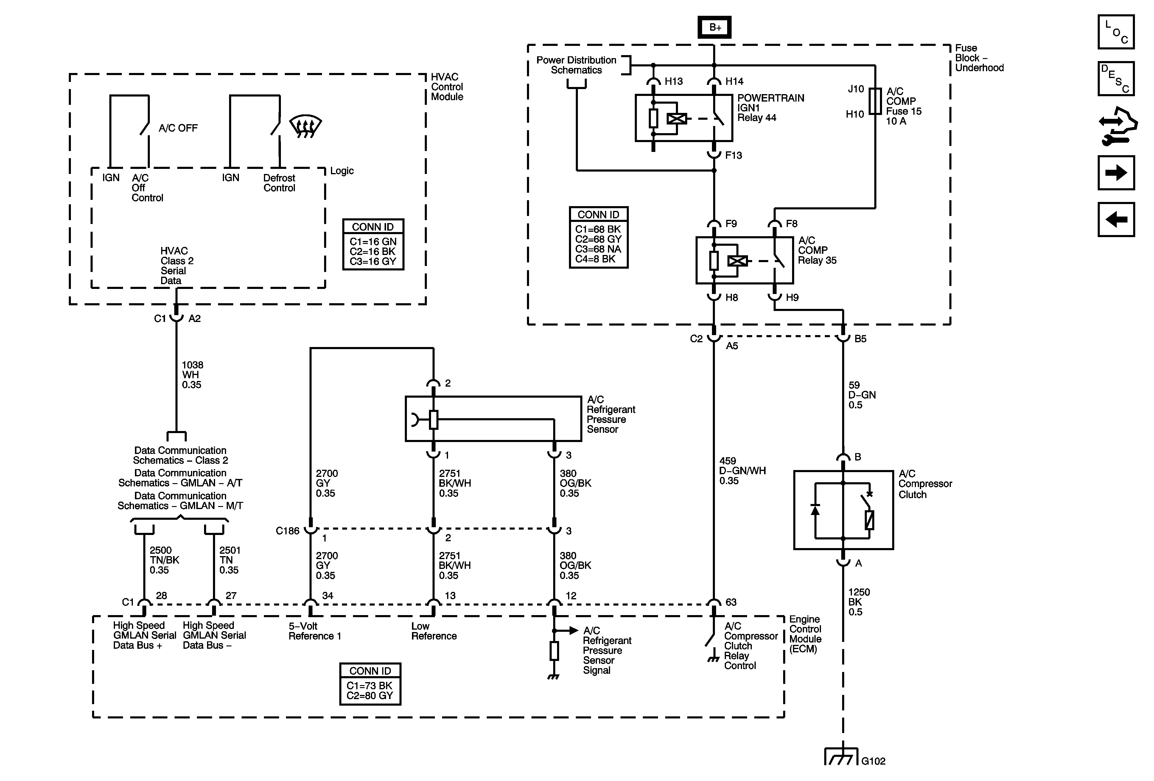
🢒 Compressor Controls
Compressor Controls
Compressor Controls
Master Electrical Component List
Air Delivery Description and Operation
Control Module References
Temperature Controls
Blower Controls, DLC, Ground, Power and Subsystem References
Fuse Block - Underhood A/C COMP, EMISSION, EVEN INJ, MAN TRAN SOL, O2 SEN, ODD INJ, and PT INPUT/ETC Fuses, A/C COMP and POWERTRAIN IGN1, Relays
Class 2
GMLAN - A/T
GMLAN - M/T
G102